GM Service Manual Online
For 1990-2009 cars only
Makes
🢒
Buick
🢒
2007
🢒
LaCrosse
🢒
Seats
🢒
Power Seats
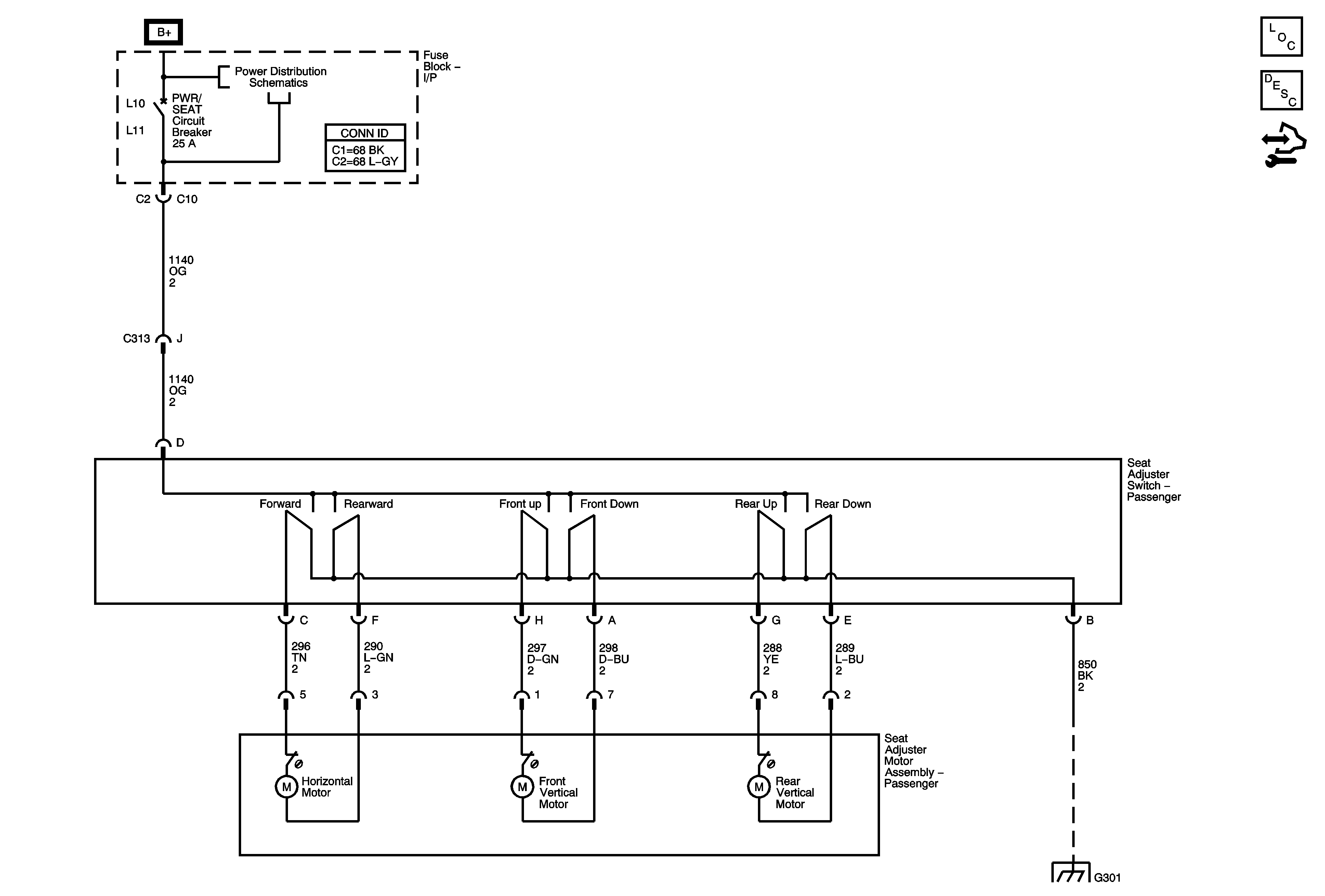
🢒 Passenger Seat Schematics
Passenger Seat Power Controls
Master Electrical Component List
Power Seats System Description and Operation
Control Module References
Fuse Block - Underhood BATT MAIN 2 Fuse
G301