GM Service Manual Online
For 1990-2009 cars only
Makes
🢒
Buick
🢒
2007
🢒
LaCrosse
🢒 Ignition Controls - CMP Sensors and Solenoids
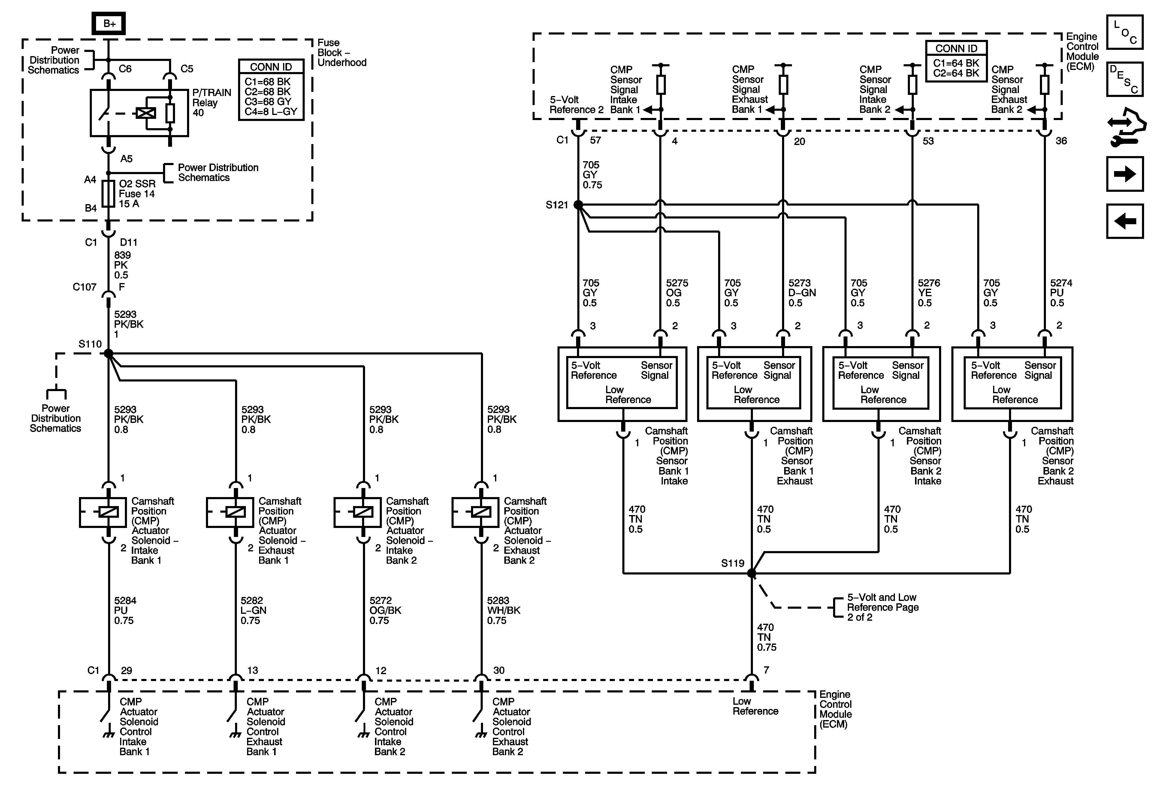
Ignition Controls - CMP Sensors and Solenoids
Ignition Controls - CMP Sensors and Solenoids
Master Electrical Component List
Camshaft Actuator System Description
Control Module References
Fuel Controls - Fuel Pump and Injectors
Knock and CKP Sensors and Engine Speed
Fuse Block-Underhood B+ Bus
Fuse Block-Underhood B+ Bus
Fuse Block - Underhood ELEK IGN, FUEL INJ, and 02 SSR Fuses (LY7)
5 Volt and Low Reference Page 2 of 2