GM Service Manual Online
For 1990-2009 cars only
Makes
🢒
Buick
🢒
2007
🢒
LaCrosse
🢒 Ignition Controls
Ignition Controls
Ignition Controls
Master Electrical Component List
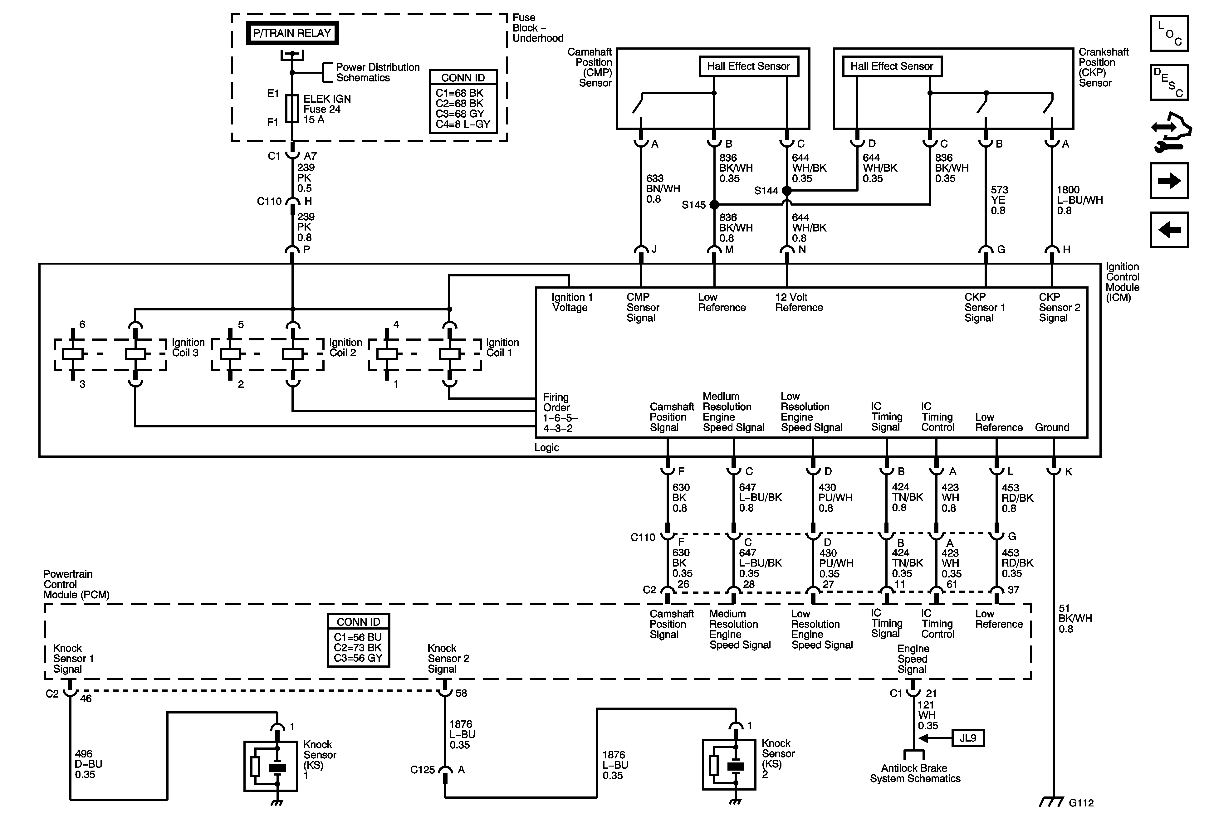
Electronic Ignition (EI) System Description
Control Module References
Fuel Pump Controls
Electronic Throttle Controls
Fuse Block-Underhood B+ Bus
Fuse Block-Underhood B+ Bus
Data Active Brake and Stability