GM Service Manual Online
For 1990-2009 cars only
Makes
🢒
Buick
🢒
2007
🢒
LaCrosse
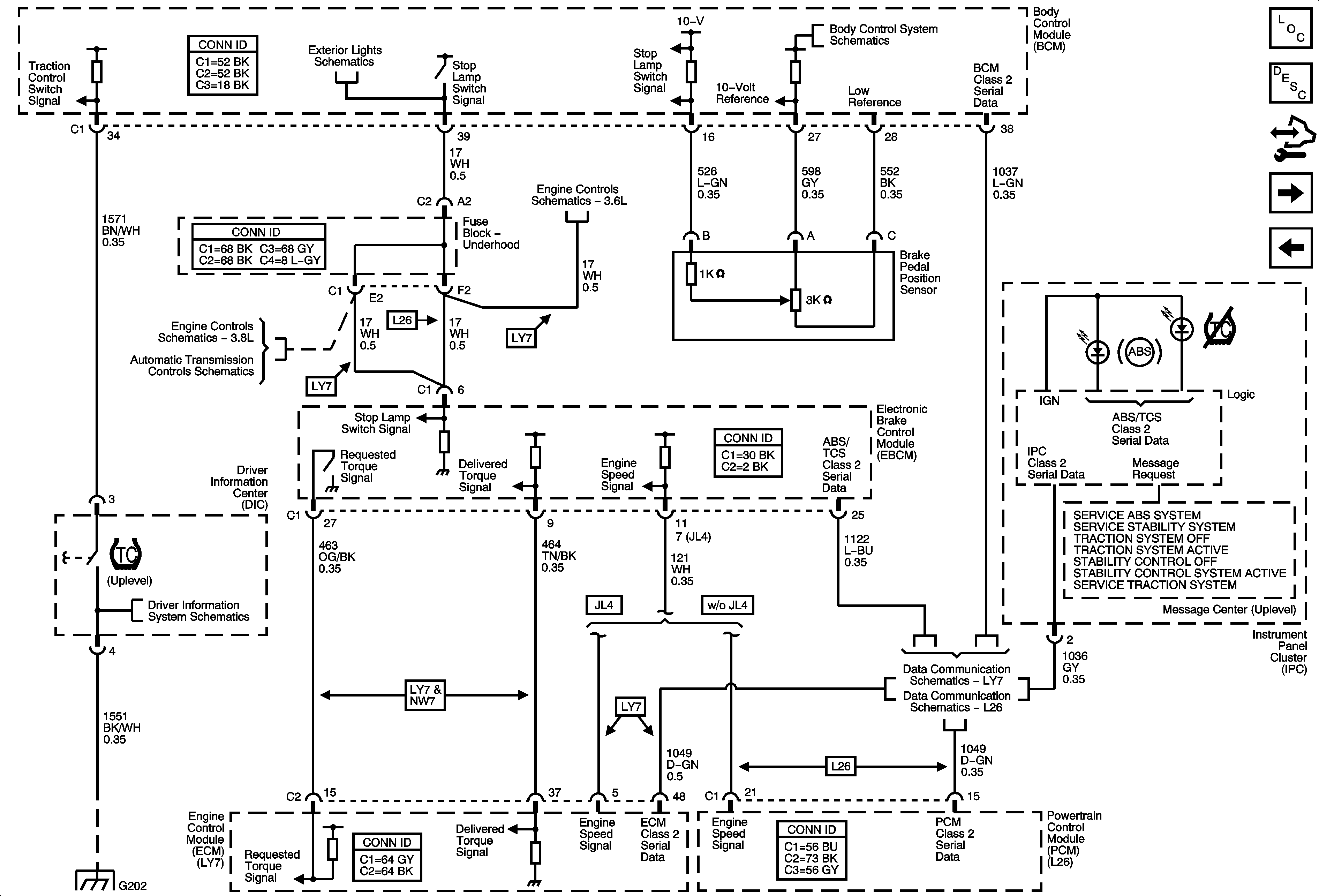
🢒 Data Active Brake and Stability
Data Active Brake and Stability
Indicators, Stop Lamp, Traction Controls, and Serial Data
Master Electrical Component List
ABS Description and Operation
Control Module References
Controls JL4
Power, Ground, and Brake Pressure Modulators/Valves Indicators, Stop Lamp, Traction Controls, and Serial Data
Turn Signal, Hazard and Stop Lamps Outputs
Exterior Lights and Interior Lights References
MAF, VSS, and Stop Lamp Switch
Electronic Throttle Controls
Shift and TCC Solenoid Valves, TFT Sensor, and Stop Lamp Switch (LY7)
Driver Information System
Data Link Connector (DLC) Schematics LY7
Data Link Connector Schematics L26
G202