GM Service Manual Online
For 1990-2009 cars only
Makes
🢒
Buick
🢒
2007
🢒
LaCrosse
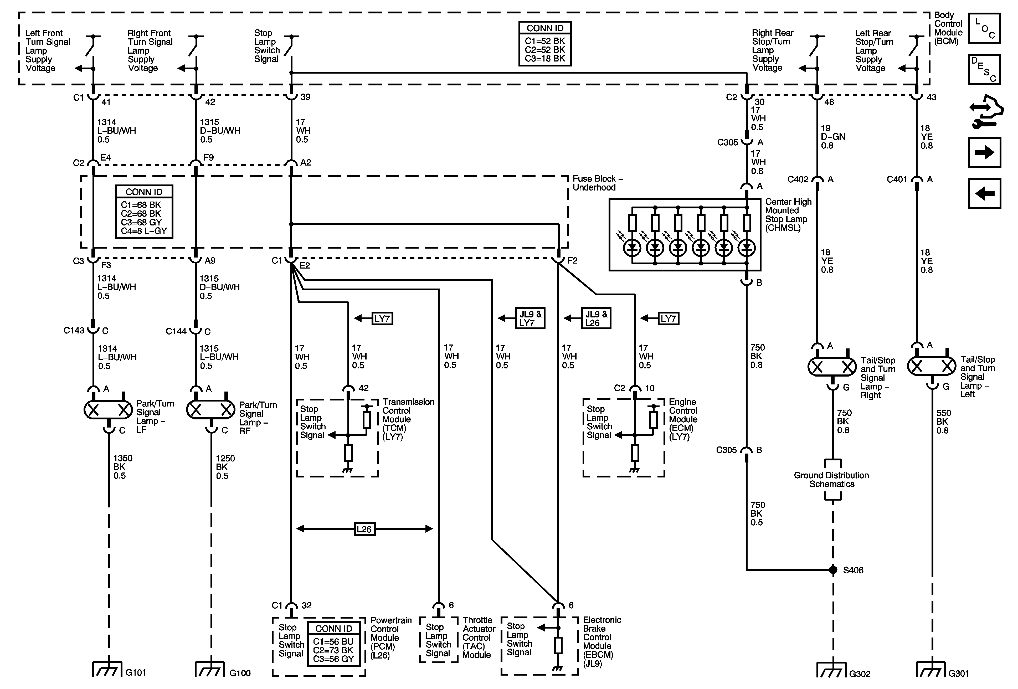
🢒 Turn Signal, Hazard and Stop Lamps Outputs
Turn Signal, Hazard and Stop Lamps Outputs
Turn Signal, Hazard, and Stop Lamps Outputs
Master Electrical Component List
Exterior Lighting Systems Description and Operation
Control Module References
Lights Park Lamps
Turn Signal, Hazard and Stop Lamps Inputs
G101, G102, G103, G111, G112, and G113
07 Ground Distribution G100
G302
G301