GM Service Manual Online
For 1990-2009 cars only
Makes
🢒
Buick
🢒
2007
🢒
LaCrosse
🢒 Power, Ground, and Brake Pressure Modulators/Valves Indicators, Stop Lamp, Traction Controls, and Serial Data
Power, Ground, and Brake Pressure Modulators/Valves Indicators, Stop Lamp, Traction Controls, and Serial Data
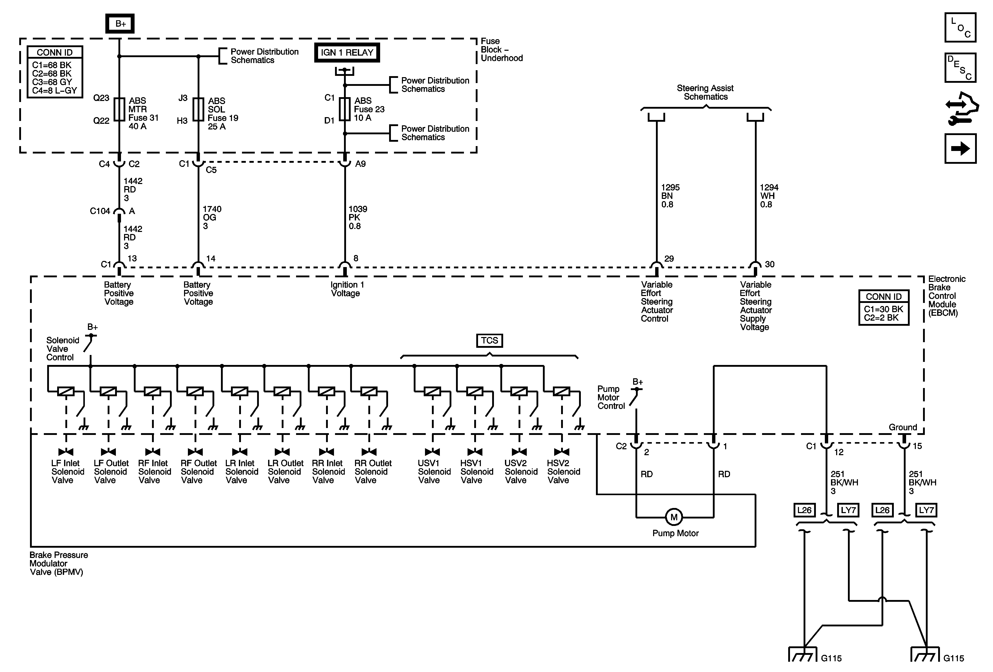
Power, Ground, and Brake Pressure Modulator Valves
Master Electrical Component List
ABS Description and Operation
Control Module References
Data Active Brake and Stability
Fuse Block-Underhood B+ Bus
Fuse Block-Underhood B+ Bus
Fuse Block-Underhood B+ Bus
Variable Effort Steering
Fuse Block - Underhood ABS, TRANS SOL, PCM, SIR, and DIPSLAY Fuses, CRANK Relay, and Fuse Block - I/P CRUISE SW Fuse
G115 (L26)
G115 (LY7)