GM Service Manual Online
For 1990-2009 cars only
Makes
🢒
Buick
🢒
2007
🢒
LaCrosse
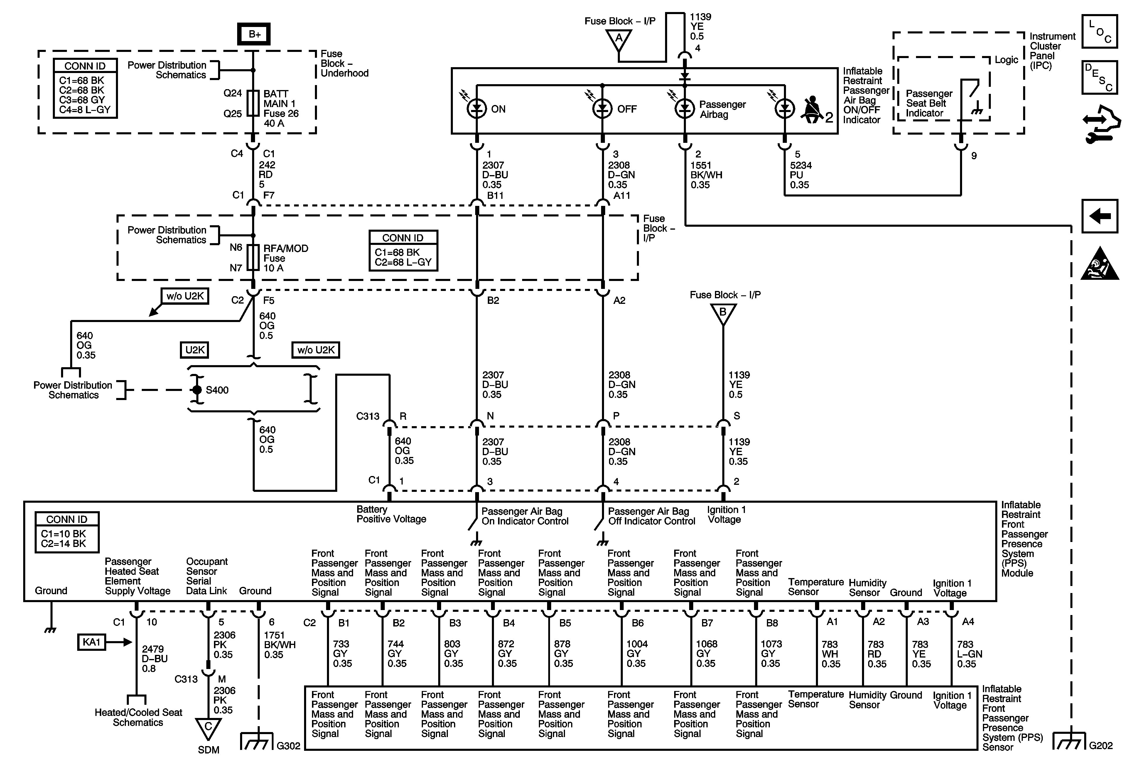
🢒 Passenger Presence System
Passenger Presence System
Passenger Presence System
Master Electrical Component List
SIR System Description and Operation
Control Module References
Air Bag Modules and Seat Belt Pretensioners
SIR Schematic Icons
Fuse Block-Underhood B+ Bus
Power Ground, DLC Indicators, Sensors, and References
Fuse Block - Underhood BATT MAIN 1 Fuse
Power Ground, DLC Indicators, Sensors, and References
Fuse Block - Underhood BATT MAIN 1 Fuse
Passenger Seat Heat Controls
Power Ground, DLC Indicators, Sensors, and References
G302
G202