GM Service Manual Online
For 1990-2009 cars only
Makes
🢒
Buick
🢒
2007
🢒
LaCrosse
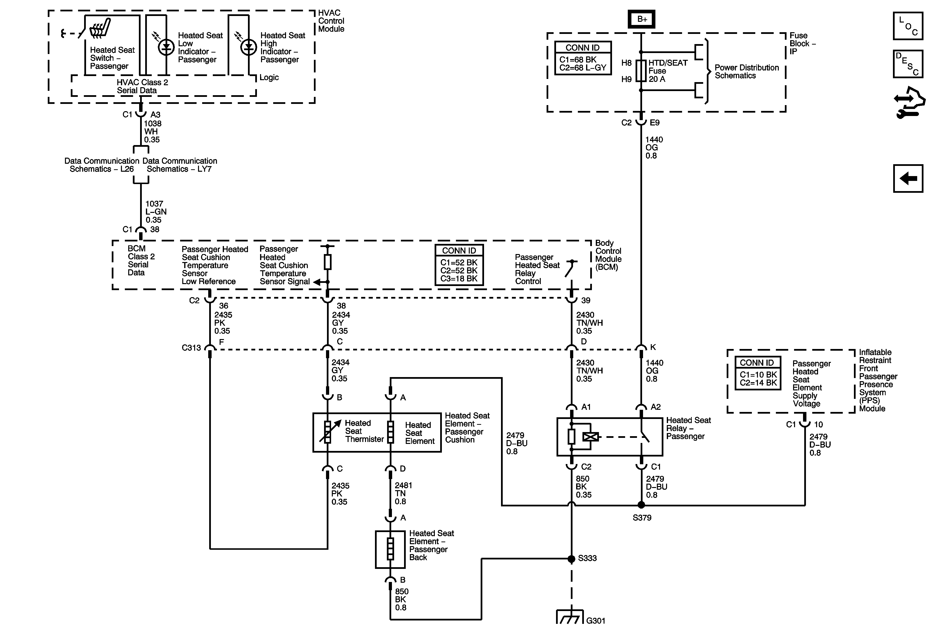
🢒 Passenger Seat Heat Controls
Passenger Seat Heat Controls
Passenger Heat Controls
Master Electrical Component List
Heated Seats Description and Operation
Control Module References
Driver Seat Heat Controls
Fuse Block - Underhood BATT MAIN 2 Fuse
Data Link Connector Schematics L26
Data Link Connector (DLC) Schematics LY7
G301