GM Service Manual Online
For 1990-2009 cars only
Makes
🢒
Buick
🢒
2007
🢒
LaCrosse
🢒 Horns Schematics
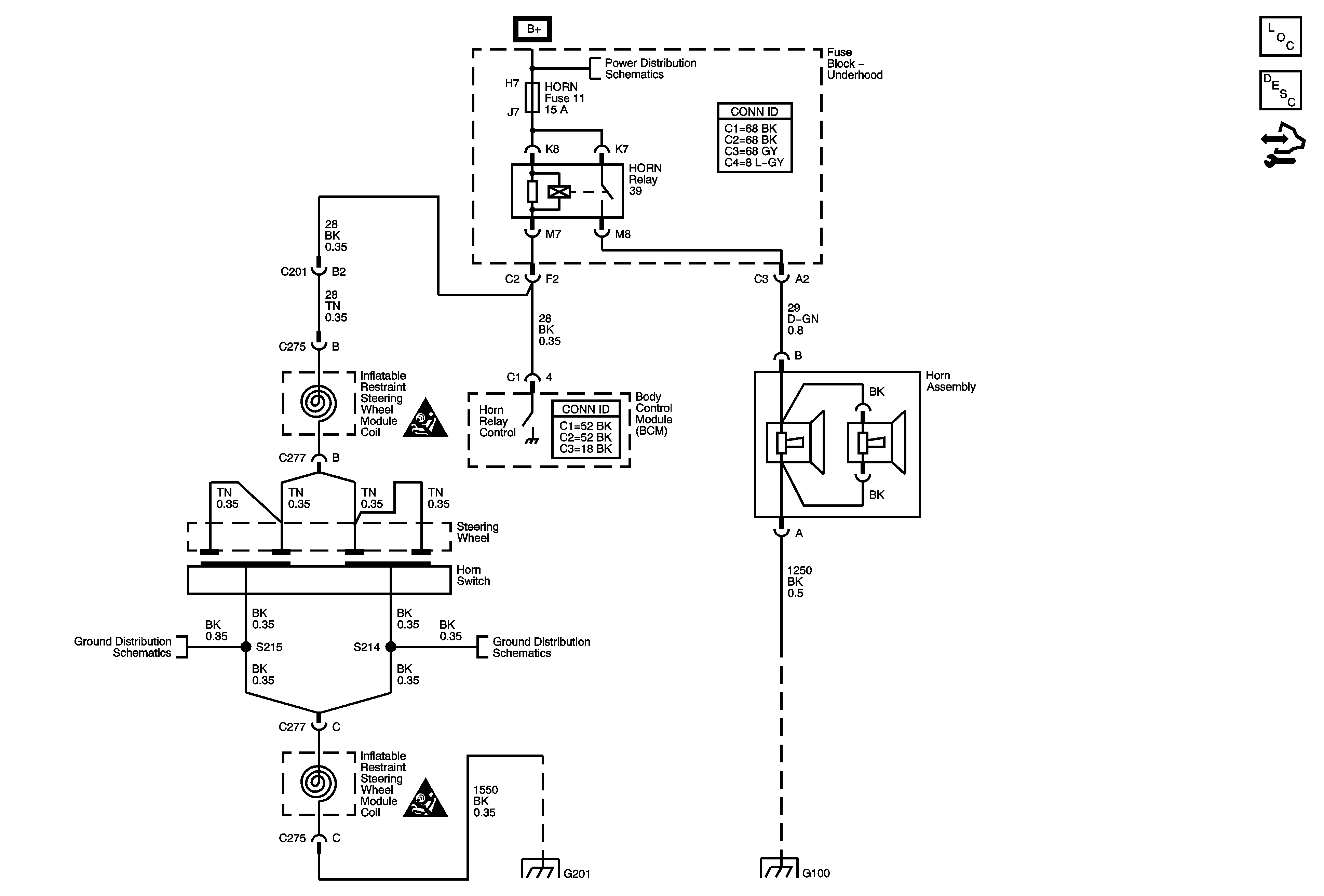
Horns Schematics
Master Electrical Component List
Horns System Description and Operation
Control Module References
Fuse Block-Underhood B+ Bus
Horn Schematic Icons
G201
G201
Horn Schematic Icons
G201
07 Ground Distribution G100