GM Service Manual Online
For 1990-2009 cars only
Figure 1:

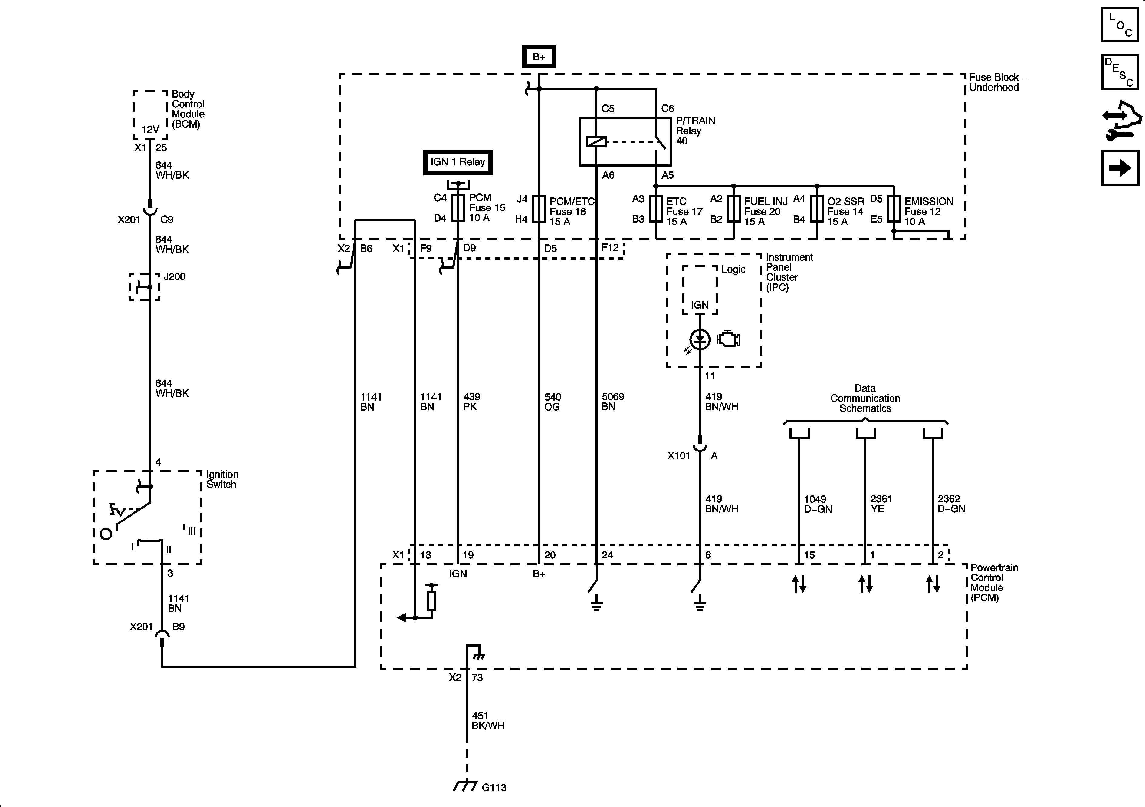
Module Power, Ground, Serial Data, and MIL


Object Number: 1889471  Size: FS
Master Electrical Component List
Powertrain Control Module Description
Control Module References
5 Volt and Low Reference
Figure 2:

5 - Volt and Low Reference


Object Number: 1889474  Size: FS
Master Electrical Component List
Powertrain Control Module Description
Control Module References
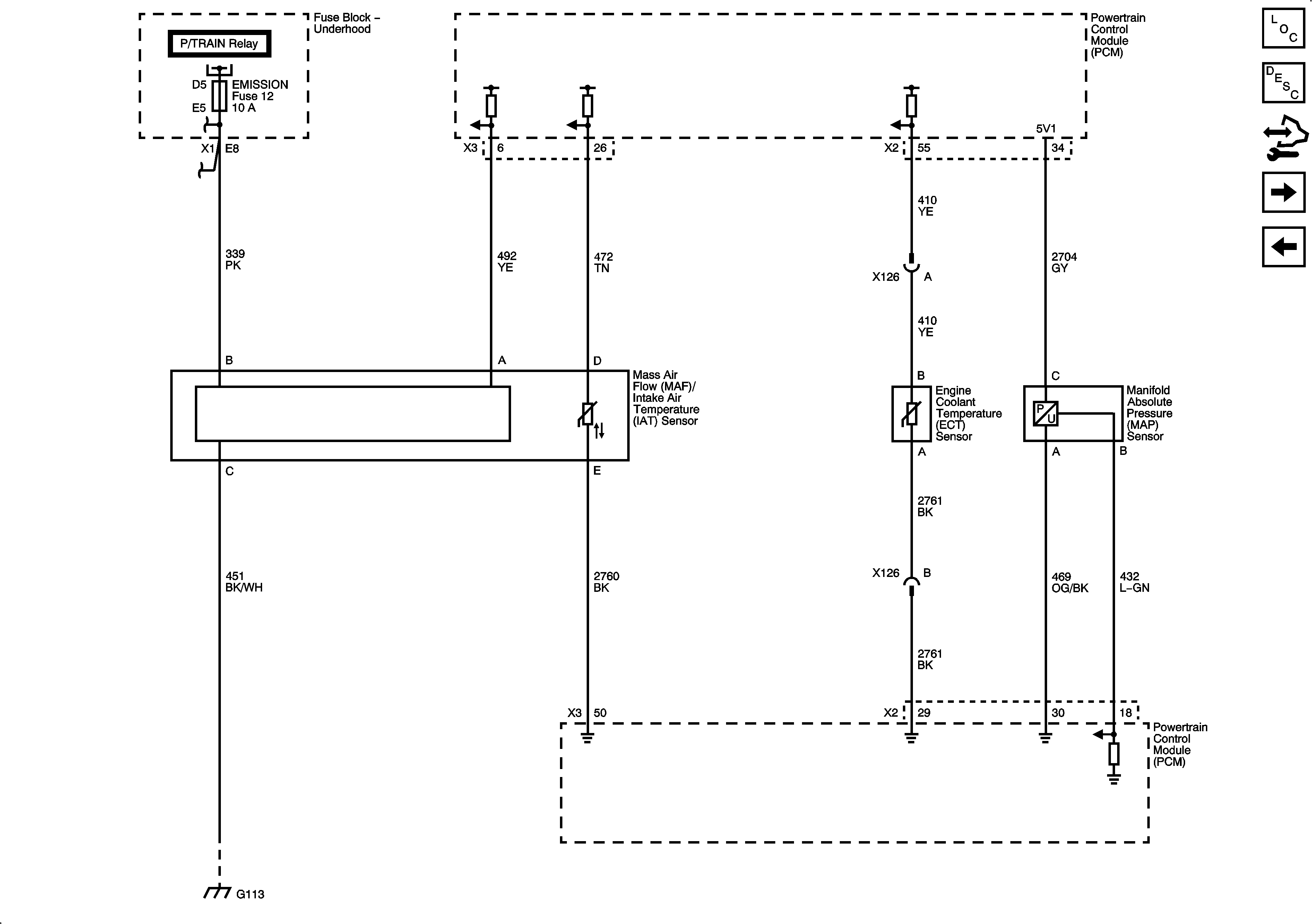
Engine Data Sensors - Pressure, and Temperature
Module Power, Ground, Serial Data, and MIL
Figure 3:

Engine Data Sensors - Pressure, and Temperature


Object Number: 1889478  Size: FS
Master Electrical Component List
Powertrain Control Module Description
Control Module References
MAF, VSS
5 Volt and Low Reference
Figure 4:

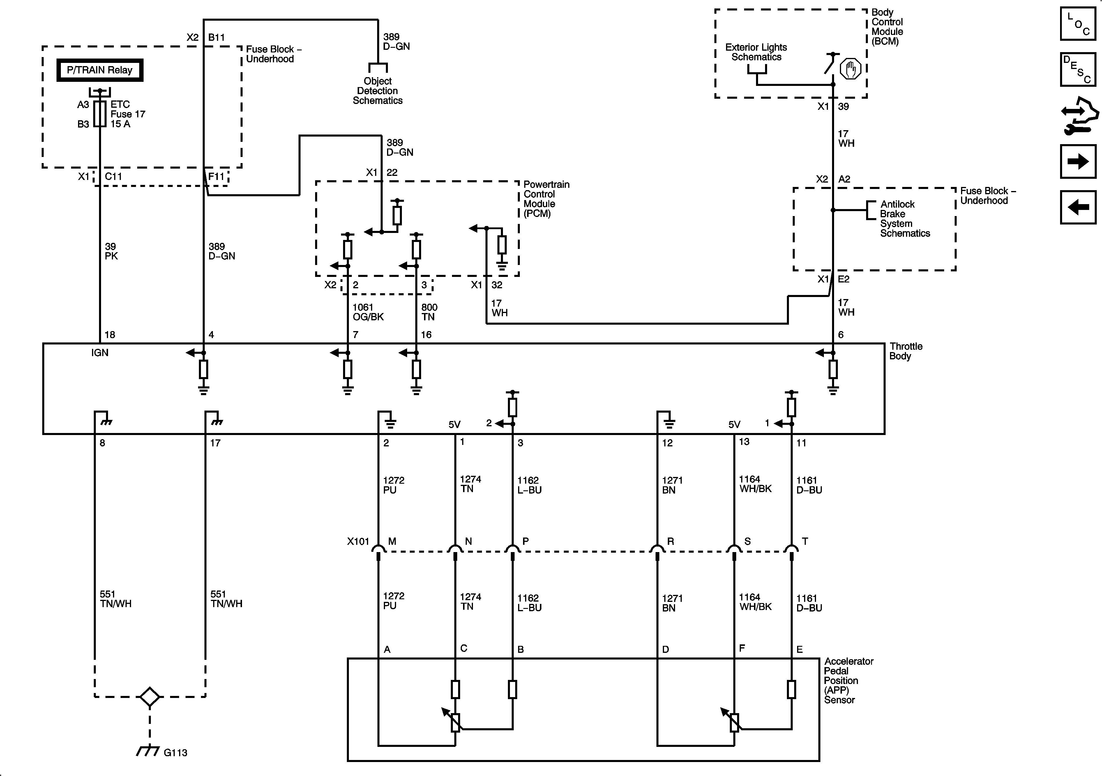
Engine Data Sensors - Electronic Throttle Controls


Object Number: 1889486  Size: FS
Master Electrical Component List
Throttle Actuator Control (TAC) System Description
Control Module References
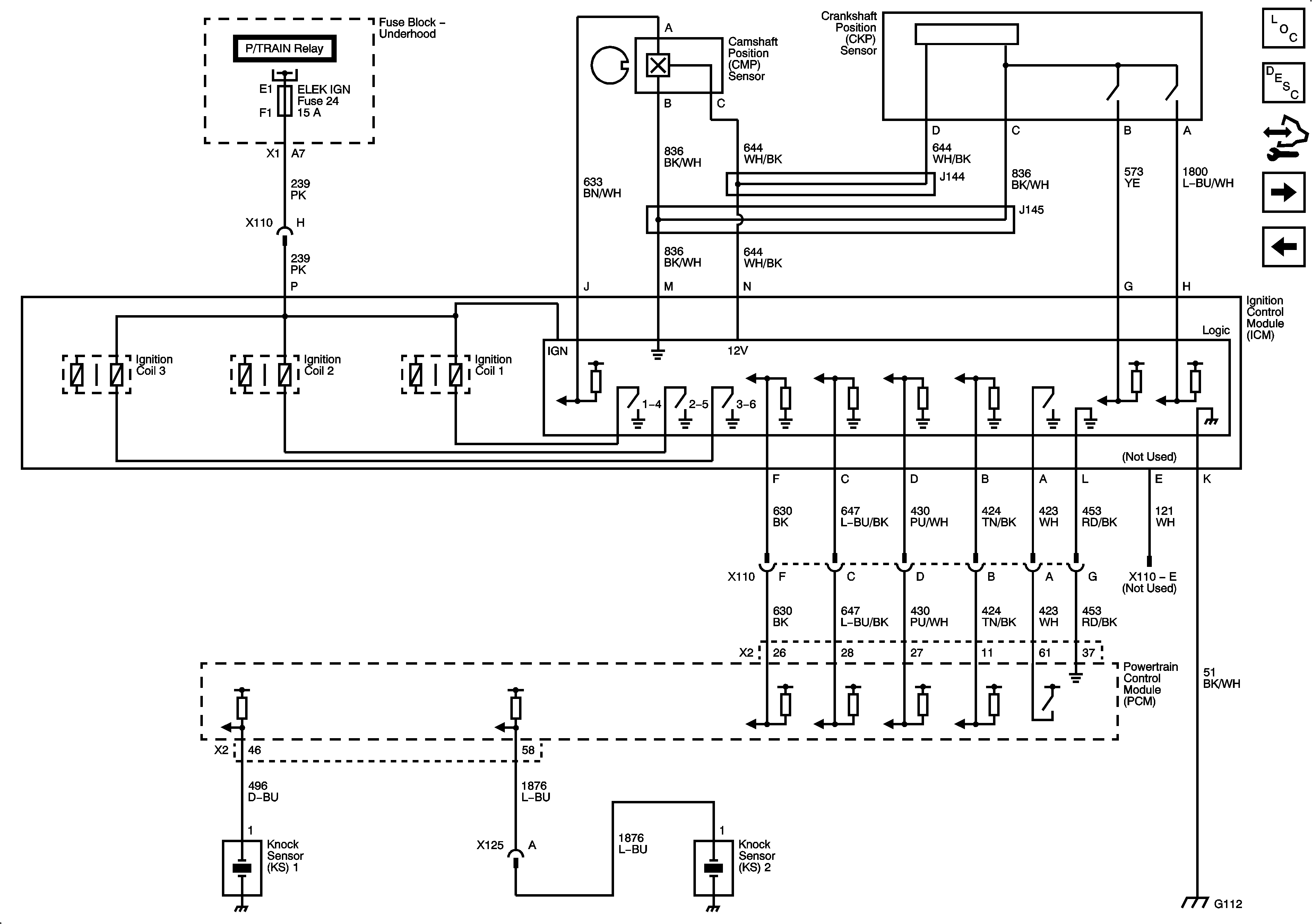
Ignition Controls - CKP, CMP, and Knock Sensors
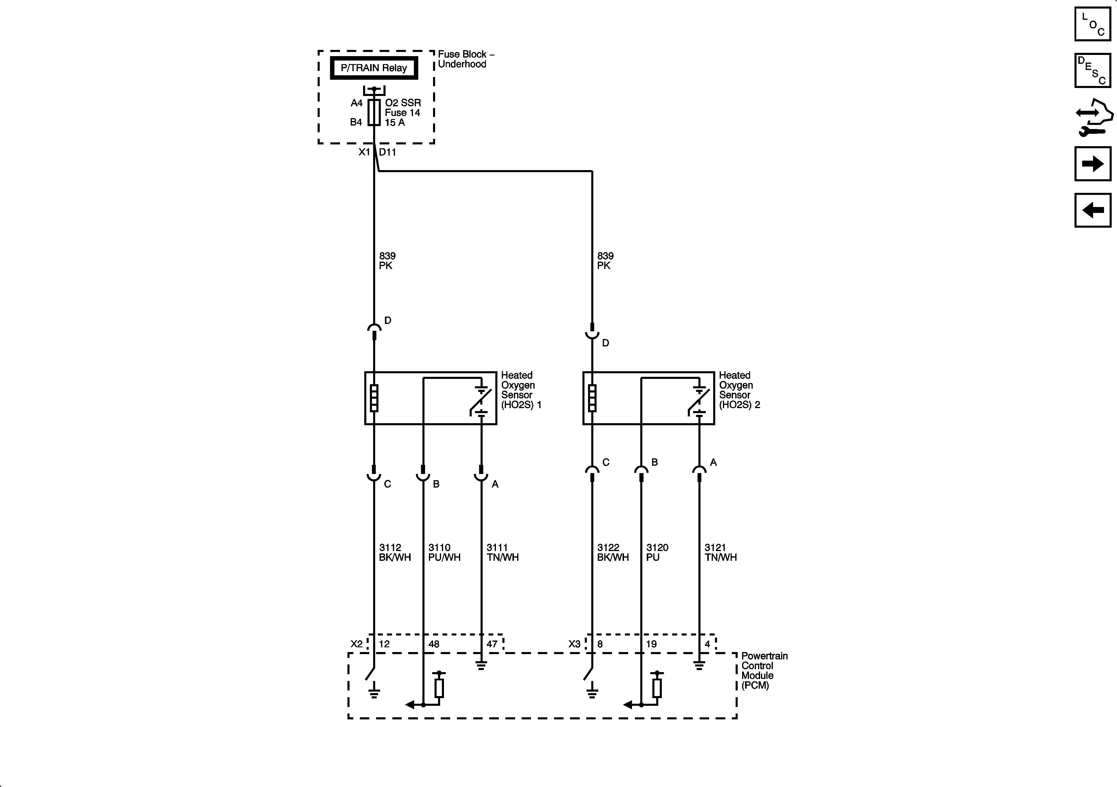
Engine Data Sensors - HO2S
Figure 5:

Engine Data Sensors - HO2S


Object Number: 1889484  Size: FS
Master Electrical Component List
Powertrain Control Module Description
Control Module References
Engine Data Sensors - Electronic Throttle Controls
MAF, VSS
Figure 6:

Ignition Controls - CKP, CMP, and Knock Sensors


Object Number: 1889487  Size: FS
Master Electrical Component List
Electronic Ignition (EI) System Description
Control Module References
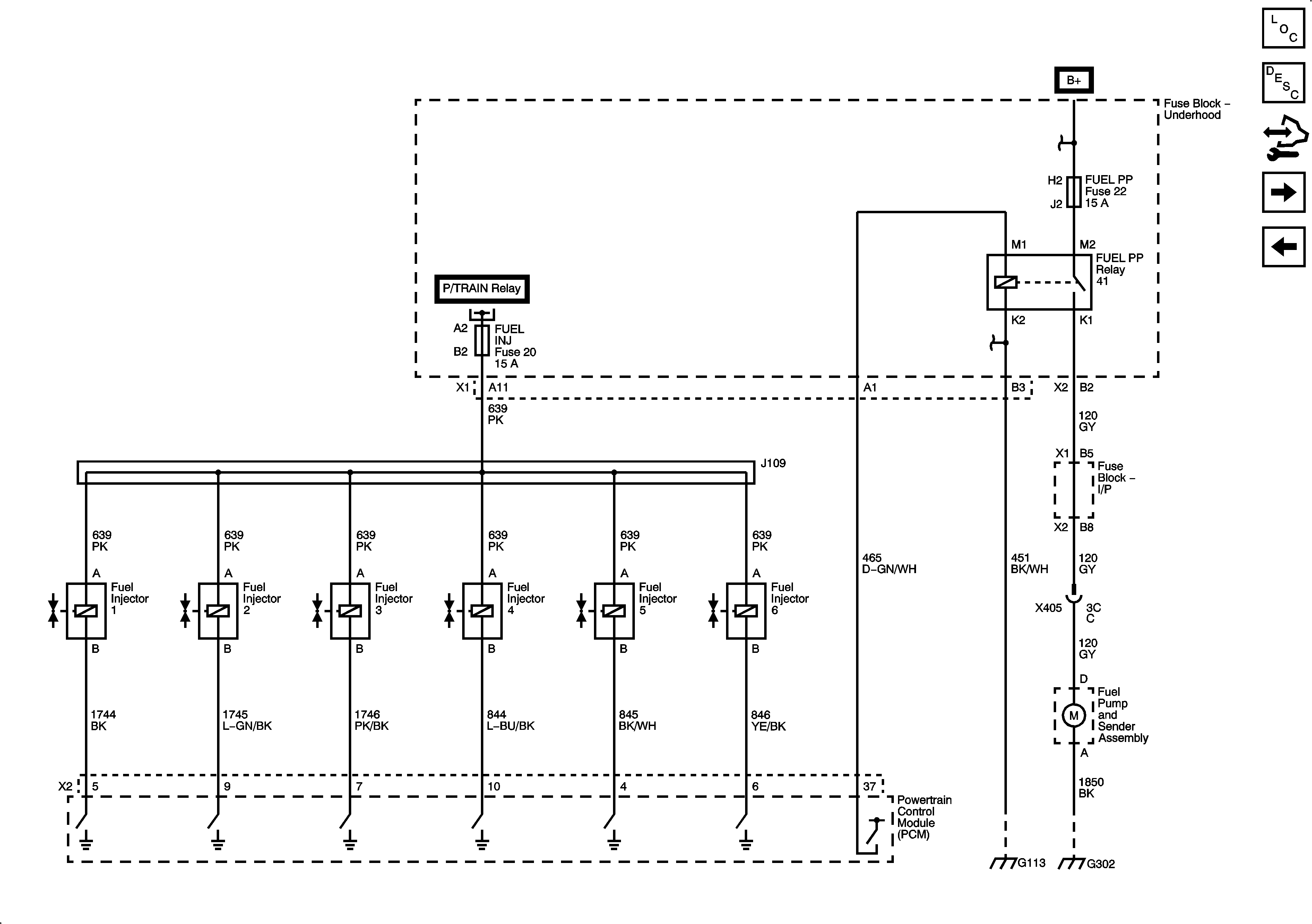
Fuel Pump Controls
Engine Data Sensors - Electronic Throttle Controls
Figure 7:

Fuel Controls - Fuel Injectors, and Fuel Pump Controls


Object Number: 1889490  Size: FS
Master Electrical Component List
Fuel System Description
Control Module References
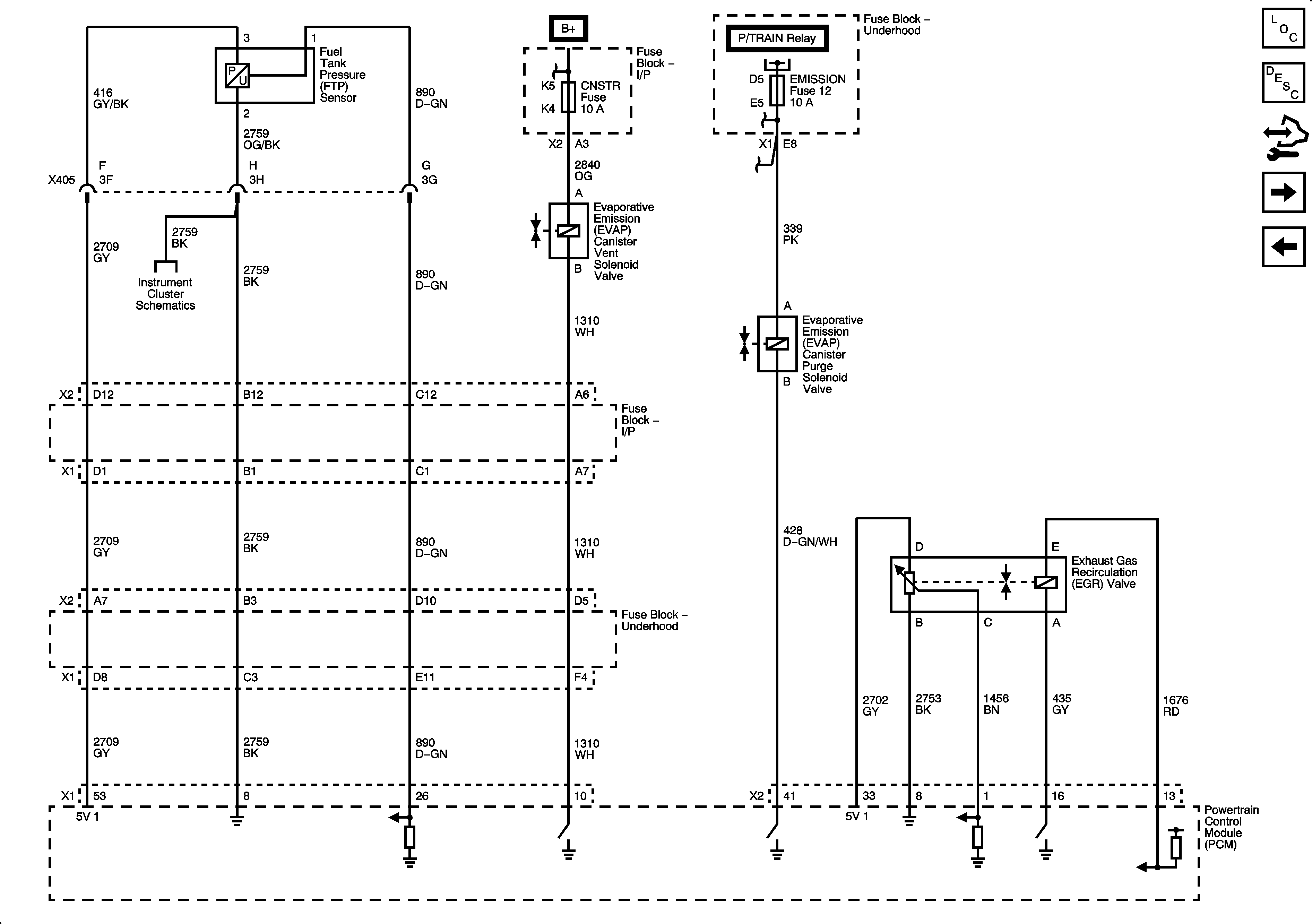
Fuel Controls - EVAP, EGR, and FTP Controls
Fuel Pump Controls
Figure 8:

Fuel Controls - EVAP, EGR, and FTP Controls


Object Number: 1889492  Size: FS
Master Electrical Component List
Exhaust Gas Recirculation (EGR) System Description
Control Module References
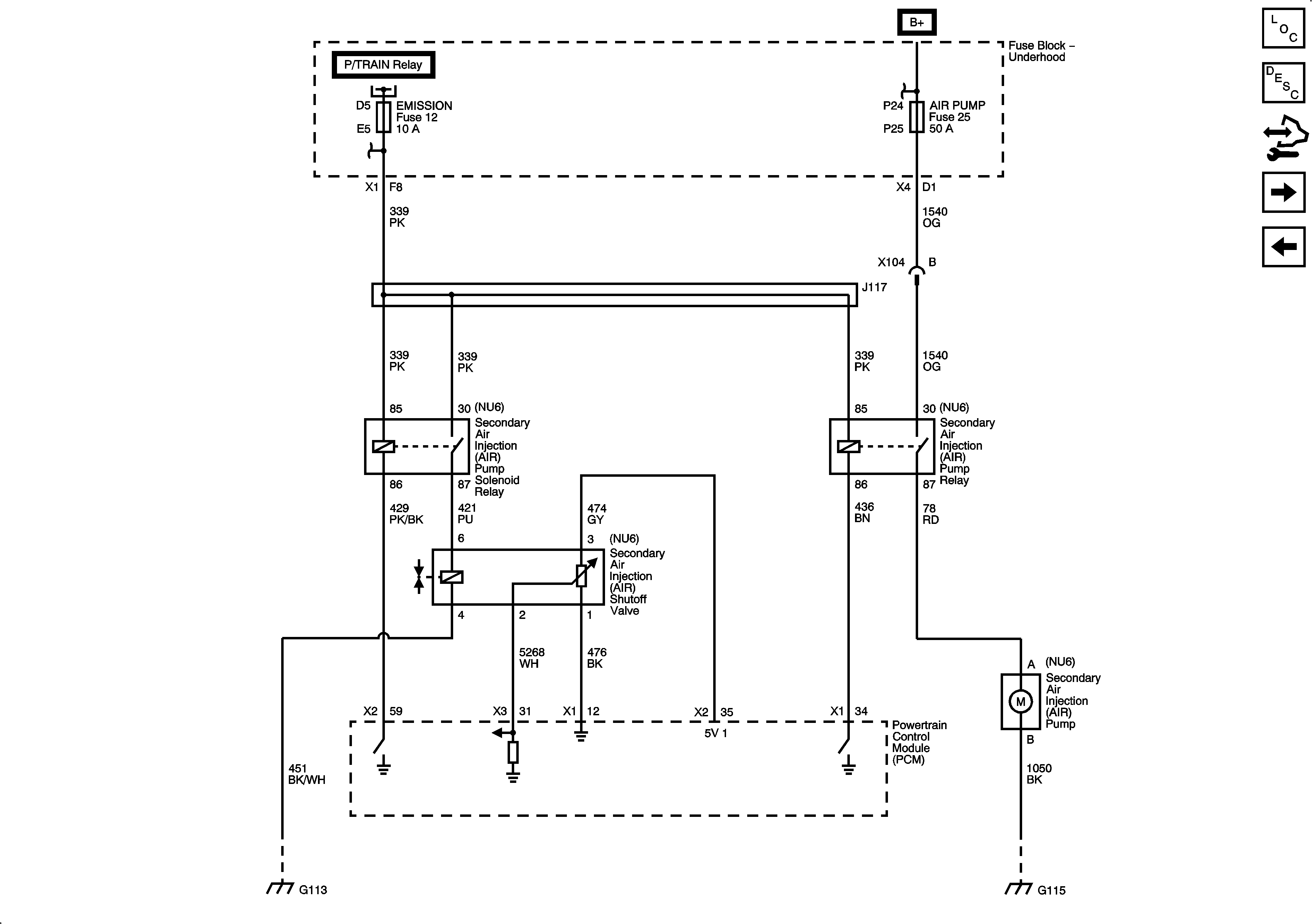
Air Controls - NU6
Fuel Controls - Fuel Injectors, and Fuel Pump Controls
Figure 9:

AIR Controls (NU6)


Object Number: 1889493  Size: FS
Master Electrical Component List
Secondary Air Injection System Description
Control Module References
Monitored/Controlled Subsystem References
Fuel Controls - EVAP, EGR, and FTP Controls
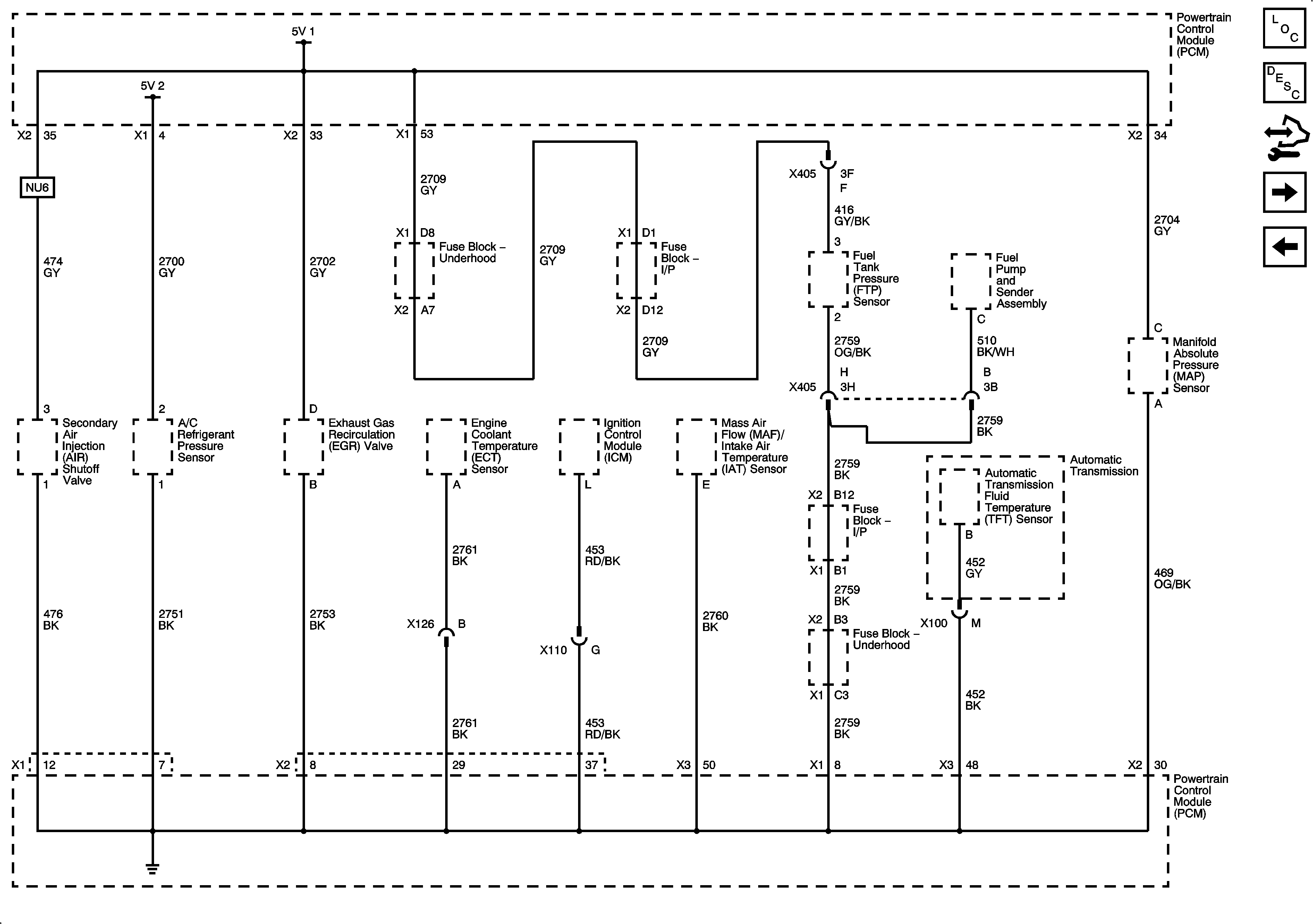
Figure 10:

Monitored/Controlled Subsystem References


Object Number: 1889495  Size: FS
Master Electrical Component List
Powertrain Control Module Description
Control Module References
A/T Control References
Air Controls - NU6
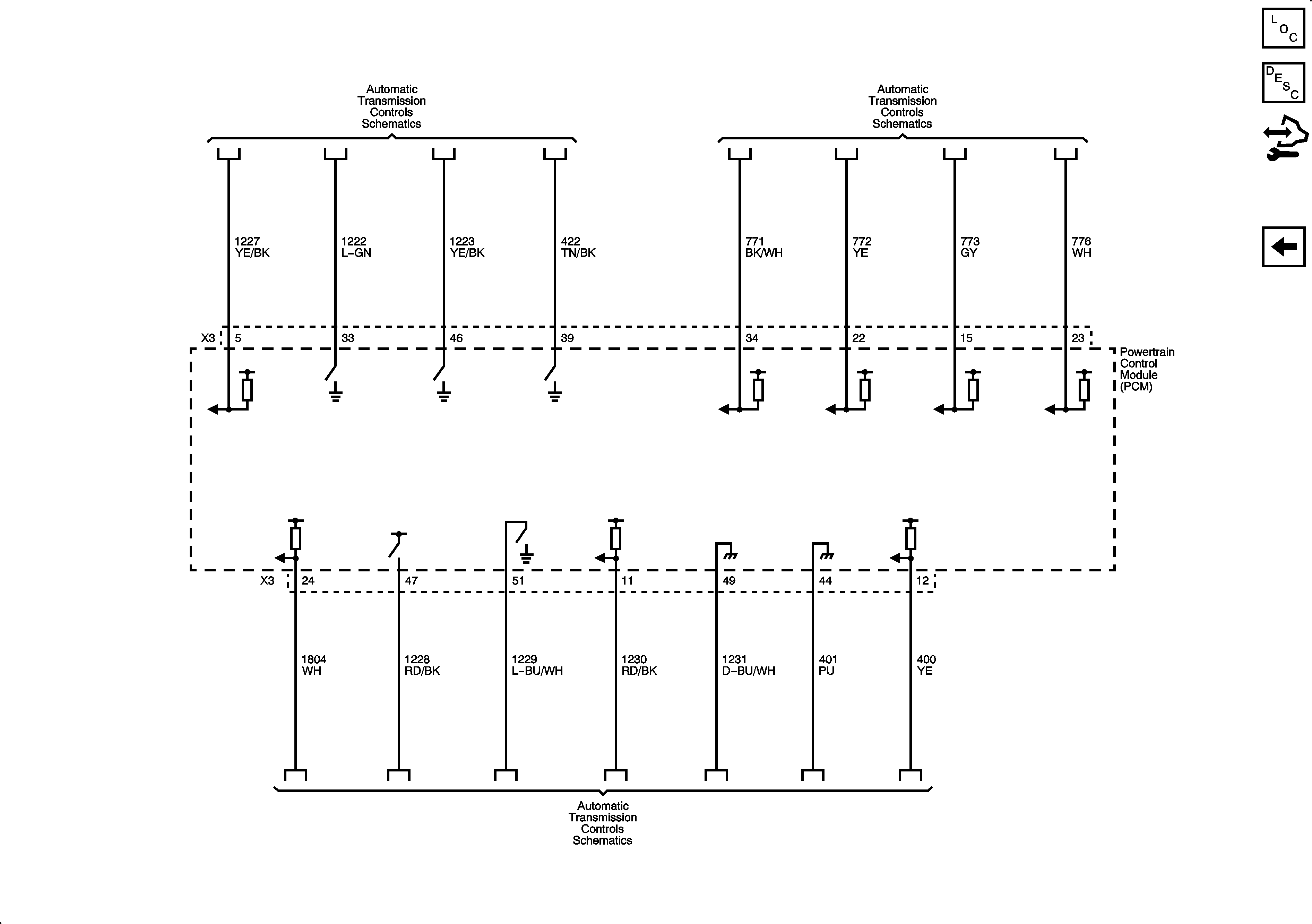
Figure 11:

Automatic Transmission Monitored/Controlled Subsystem References


Object Number: 1889498  Size: FS
Master Electrical Component List
Powertrain Control Module Description
Control Module References
Monitored/Controlled Subsystem References