GM Service Manual Online
For 1990-2009 cars only
Makes
🢒
Buick
🢒
2008
🢒
LaCrosse
🢒
Diagnostic Navigation
🢒
Vehicle Diagnostic Information
🢒 Antilock Brake System Schematics
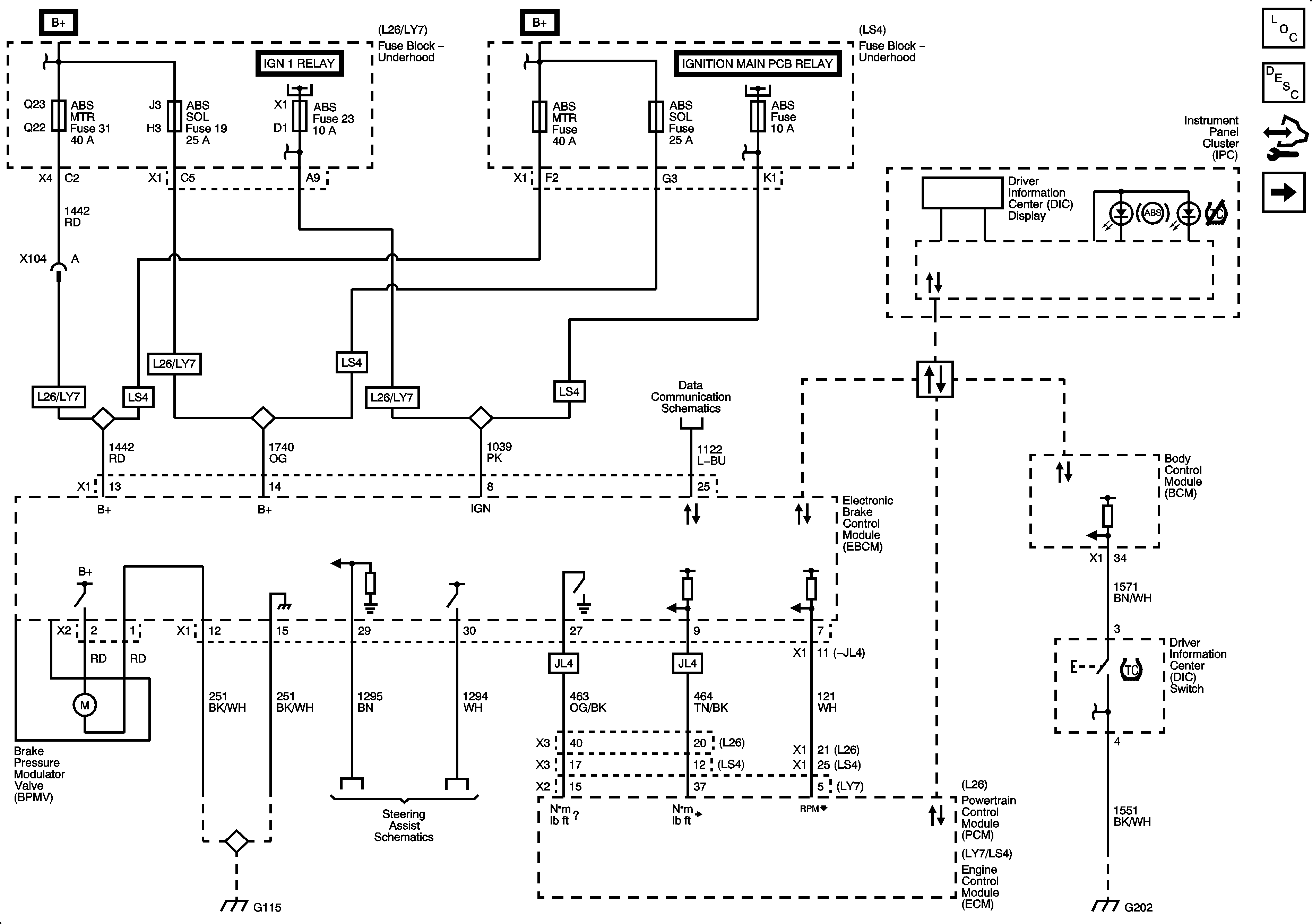
Figure
1:
Power, Ground, Brake Pressure Modulator Valve (BPMV), Traction Control, and Serial Data
Master Electrical Component List
ABS Description and Operation
Control Module References
Active Brake and Stability Controls (JL4), and Brake Pedal Position (BPP) Sensor
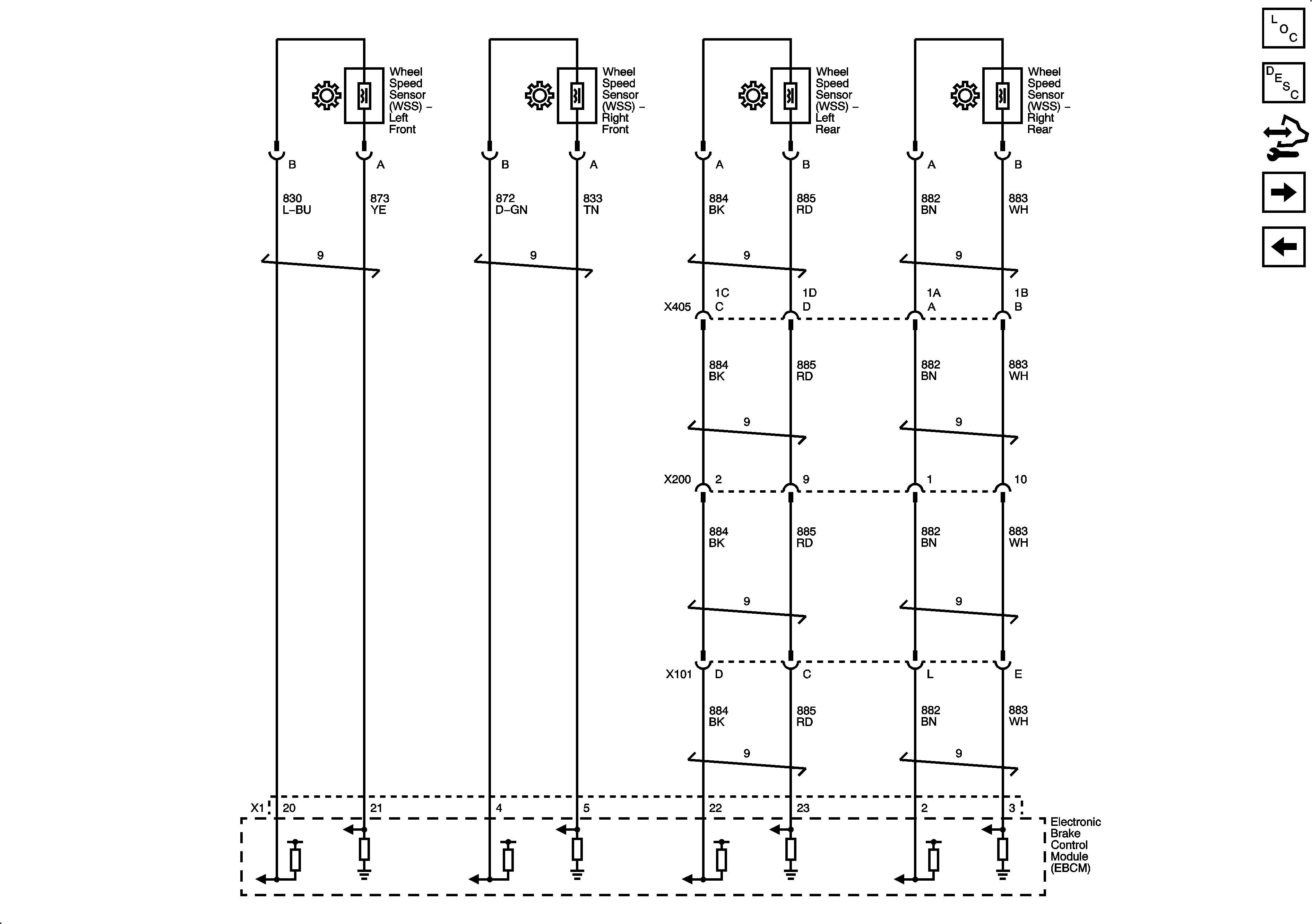
Figure
2:
Wheel Speed Sensors
Master Electrical Component List
ABS Description and Operation
Control Module References
Controls JL4
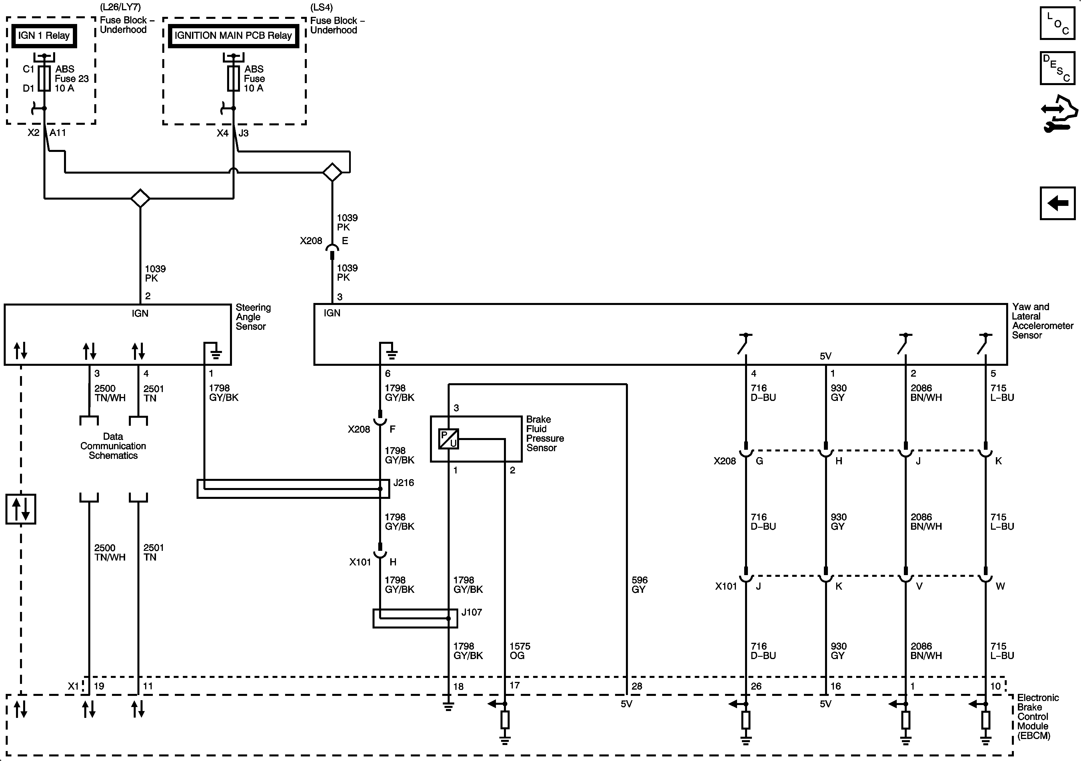
Figure
3:
Active Brake, Stability Controls, and Brake Pedal Position (BPP) Sensor
Master Electrical Component List
ABS Description and Operation
Control Module References
Controls JL4
Power, Ground, Brake Pressure Modulator Valve (BPMV), Traction Control, and Serial Data