GM Service Manual Online
For 1990-2009 cars only
Makes
🢒
Buick
🢒
1999
🢒
LeSabre
🢒
Body and Accessories
🢒
Data Link Communications
🢒 Data Link Connector Schematics
Figure
1:
Cell 50: Data Link Connector (DLC)
Data Link Communications Components
Data Link Communications Description
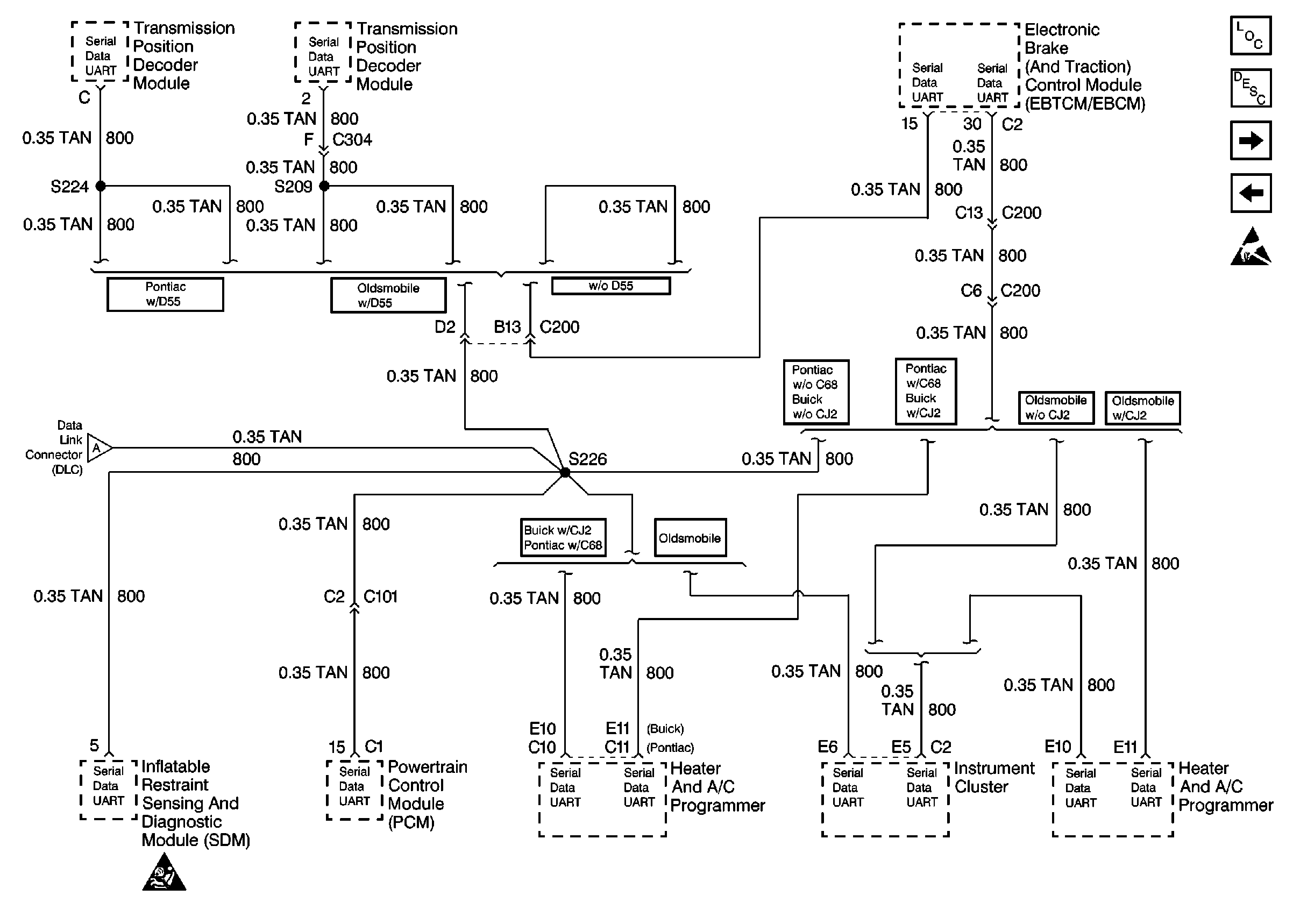
Cell 50: UART Serial Data Line
Cell 50: Class 2 and E&C Serial Data Lines
Handling ESD Sensitive Parts Notice
Handling ESD Sensitive Parts Notice
Power Distribution Schematics
Power Distribution Schematics
Ground Distribution Schematics
Ground Distribution Schematics
Figure
2:
Cell 50: UART Serial Data Line
Data Link Communications Components
Data Link Communications Description
Cell 50: Class 2 and E&C Serial Data Lines
Cell 50: Data Link Connector (DLC)
Handling ESD Sensitive Parts Notice
Cell 50: Data Link Connector (DLC)
SIR Handling Caution
Figure
3:
Cell 50: Class 2 and E&C Serial Data Lines
Data Link Communications Components
Data Link Communications Description
Cell 50: UART Serial Data Line
Handling ESD Sensitive Parts Notice
Cell 50: Data Link Connector (DLC)
Data Link Communications Connector End Views