GM Service Manual Online
For 1990-2009 cars only
Figure 1:

Cell 133: PASS-Key II System


Object Number: 342430  Size: FS
Theft Deterrent System Components
Content Theft Deterrent (CTD) Description
Cell 133: Ignition Switch
Handling ESD Sensitive Parts Notice
Cell 10: A/C, PCM/VATS, HORNS/DR LKS/TRNK RLY Fuses, and PWR WDO/SR Circuit Breaker
Cell 10: VATS, T/SIG/BU LP/BTSI, AIR BAG, IP AUX OUTLET, and AIR BAG/VATS Fuses
Cell 10: A/C, PCM/VATS, HORNS/DR LKS/TRNK RLY Fuses, and PWR WDO/SR Circuit Breaker
Cell 14: G105 (2 of 4)
Cell 14: G102 and G105 (1 of 4)
Figure 2:

Cell 133: Ignition Switch


Object Number: 342433  Size: FS
Theft Deterrent System Components
Content Theft Deterrent (CTD) Description
Cell 133: Content Theft Deterrent System (CTD) - UA6
Cell 133: PASS-Key II System
Handling ESD Sensitive Parts Notice
Handling ESD Sensitive Parts Notice
Cell 10: VATS, T/SIG/BU LP/BTSI, AIR BAG, IP AUX OUTLET, and AIR BAG/VATS Fuses
Cell 10: IGN SW Fuse (1 of 2)
Cell 10: IGN SW Fuse (1 of 2)
Cell 10: VATS, T/SIG/BU LP/BTSI, AIR BAG, IP AUX OUTLET, and AIR BAG/VATS Fuses
Figure 3:

Cell 133: Content Theft Deterrent System (CTD) -- UA6


Object Number: 342434  Size: FS
Theft Deterrent System Components
Content Theft Deterrent (CTD) Description
Cell 133: RH Front Door Tamper Switch
Cell 133: Ignition Switch
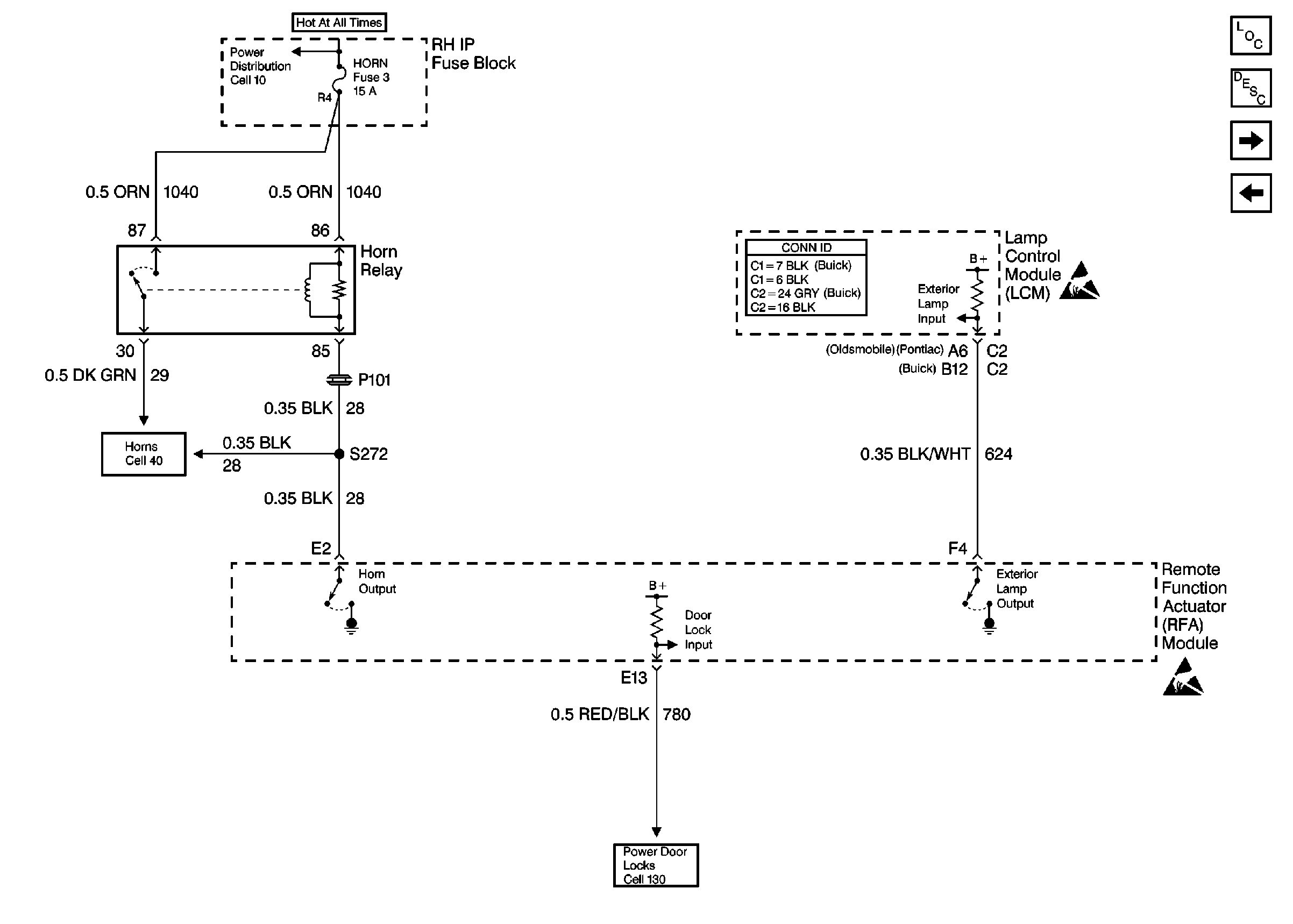
Cell 40: Horns
Cell 10: A/C FEEDBACK, DR LKS, HORN, and RAC/TRUNK REL Fuses
Handling ESD Sensitive Parts Notice
Handling ESD Sensitive Parts Notice
Cell 133: RH Front Door Tamper Switch
Cell 130: Door Locks With Keyless Entry - Buick, Oldsmobile
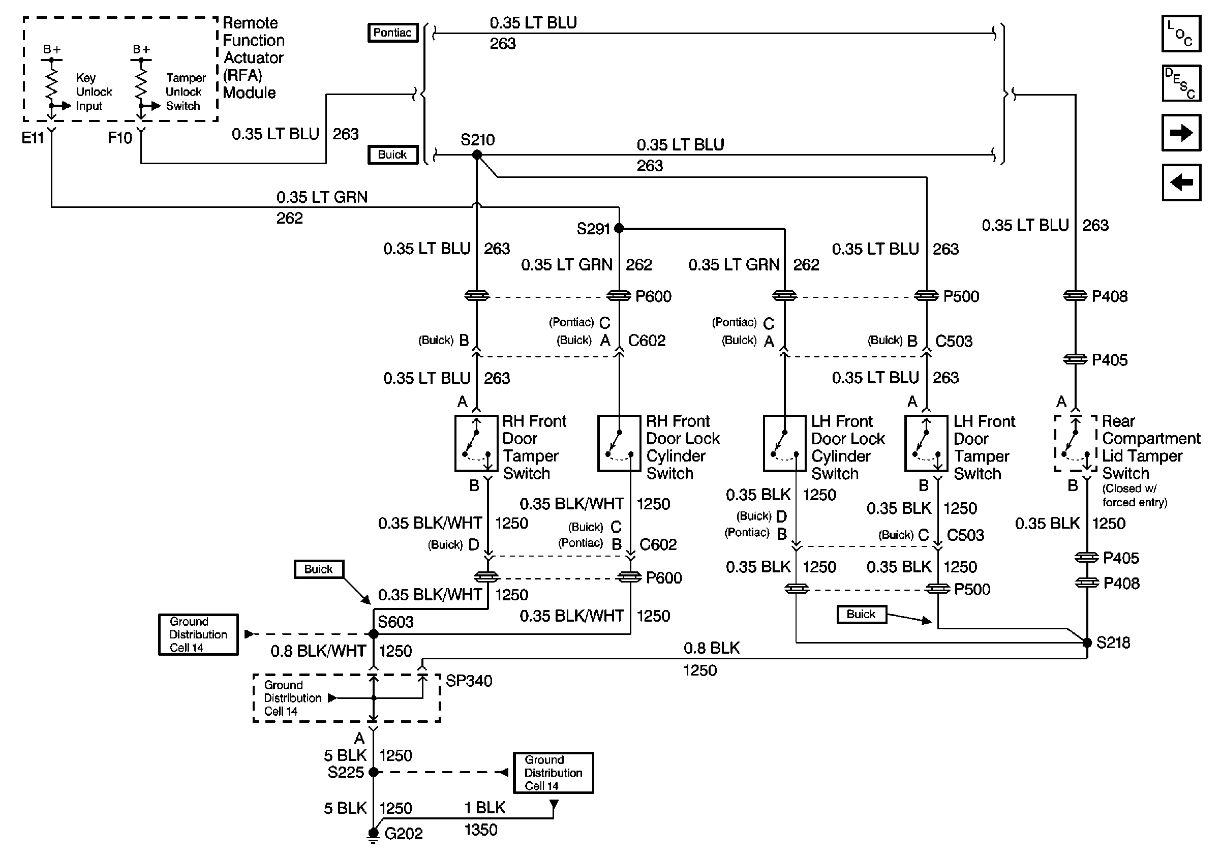
Figure 4:

Cell 133: RH Front Door Tamper Switch


Object Number: 342435  Size: FS
Theft Deterrent System Components
Vehicle Theft Deterrent (VTD) Description
Cell 133: Content Theft Deterrent System (CTD) - UA6
Cell 133: Content Theft Deterrent System (CTD) - UA6
Cell 14: G202
Cell 14: G202 Continued
Cell 14: G202 Continued
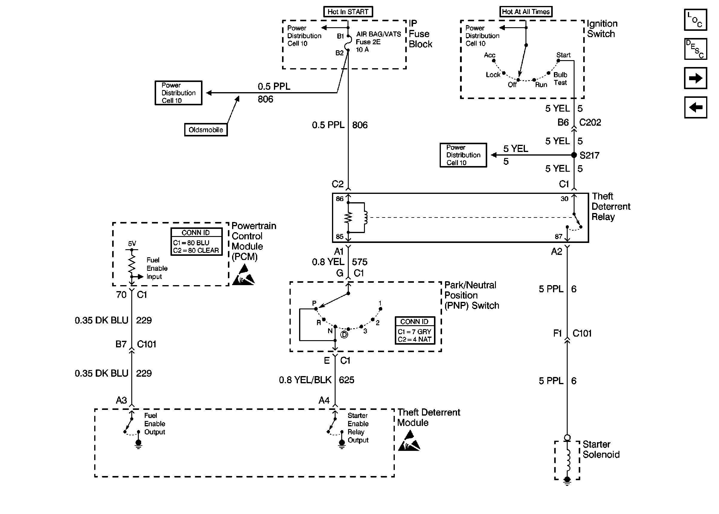
Figure 5:

Cell 133: Content Theft Deterrent System (CTD) -- UA6


Object Number: 342438  Size: FS
Theft Deterrent System Components
Vehicle Theft Deterrent (VTD) Description
Cell 133: Oldsmobile
Cell 133: RH Front Door Tamper Switch
Cell 114: Interior Lamp Switch and Door Open Inputs
Handling ESD Sensitive Parts Notice
Cell 14: G202 Continued
Cell 14: G202
Cell 14: G202 Continued
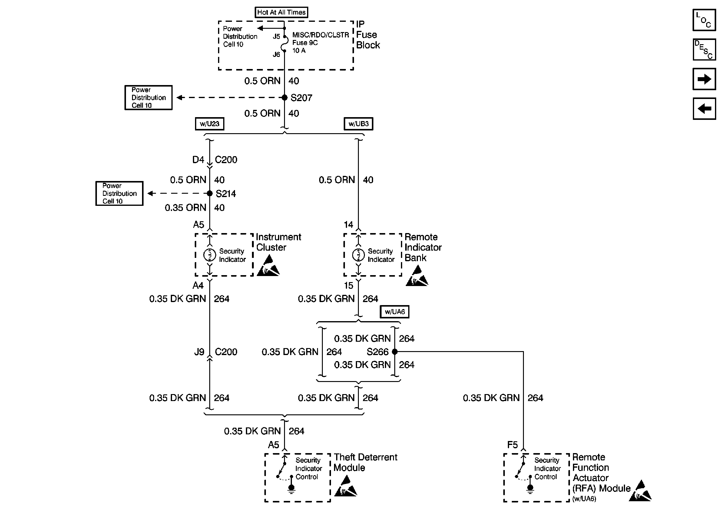
Figure 6:

Cell 133: Oldsmobile


Object Number: 342440  Size: FS
Theft Deterrent System Components
Vehicle Theft Deterrent (VTD) Description
Cell 133: Buick
Cell 133: Content Theft Deterrent System (CTD) - UA6
Handling ESD Sensitive Parts Notice
Handling ESD Sensitive Parts Notice
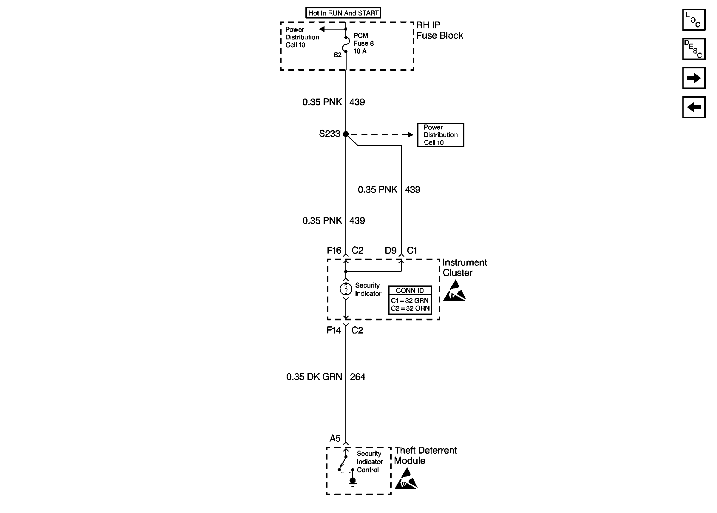
Cell 10: PCM Fuse
Cell 10: PCM Fuse
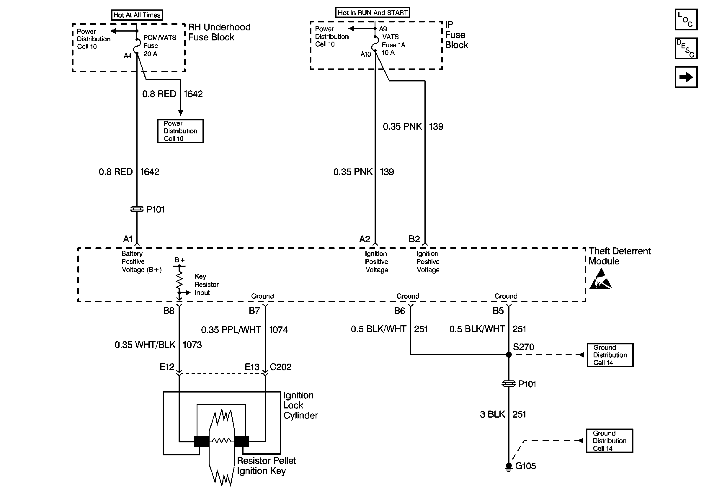
Figure 7:

Cell 133: Buick


Object Number: 342443  Size: FS
Theft Deterrent System Components
Vehicle Theft Deterrent (VTD) Description
Cell 133: Pontiac
Cell 133: Oldsmobile
Cell 10: MISC/RDO/CLSTR Fuse
Cell 10: MISC/RDO/CLSTR Fuse
Cell 10: MISC/RDO/CLSTR Fuse
Handling ESD Sensitive Parts Notice
Handling ESD Sensitive Parts Notice
Handling ESD Sensitive Parts Notice
Handling ESD Sensitive Parts Notice
Figure 8:

Cell 133: Pontiac


Object Number: 342445  Size: FS
Theft Deterrent System Components
Vehicle Theft Deterrent (VTD) Description
Cell 133: Buick
Handling ESD Sensitive Parts Notice
Handling ESD Sensitive Parts Notice
Handling ESD Sensitive Parts Notice
Handling ESD Sensitive Parts Notice
Cell 10: MISC/RDO/CLSTR Fuse
Cell 10: MISC/RDO/CLSTR Fuse
Cell 10: MISC/RDO/CLSTR Fuse