GM Service Manual Online
For 1990-2009 cars only

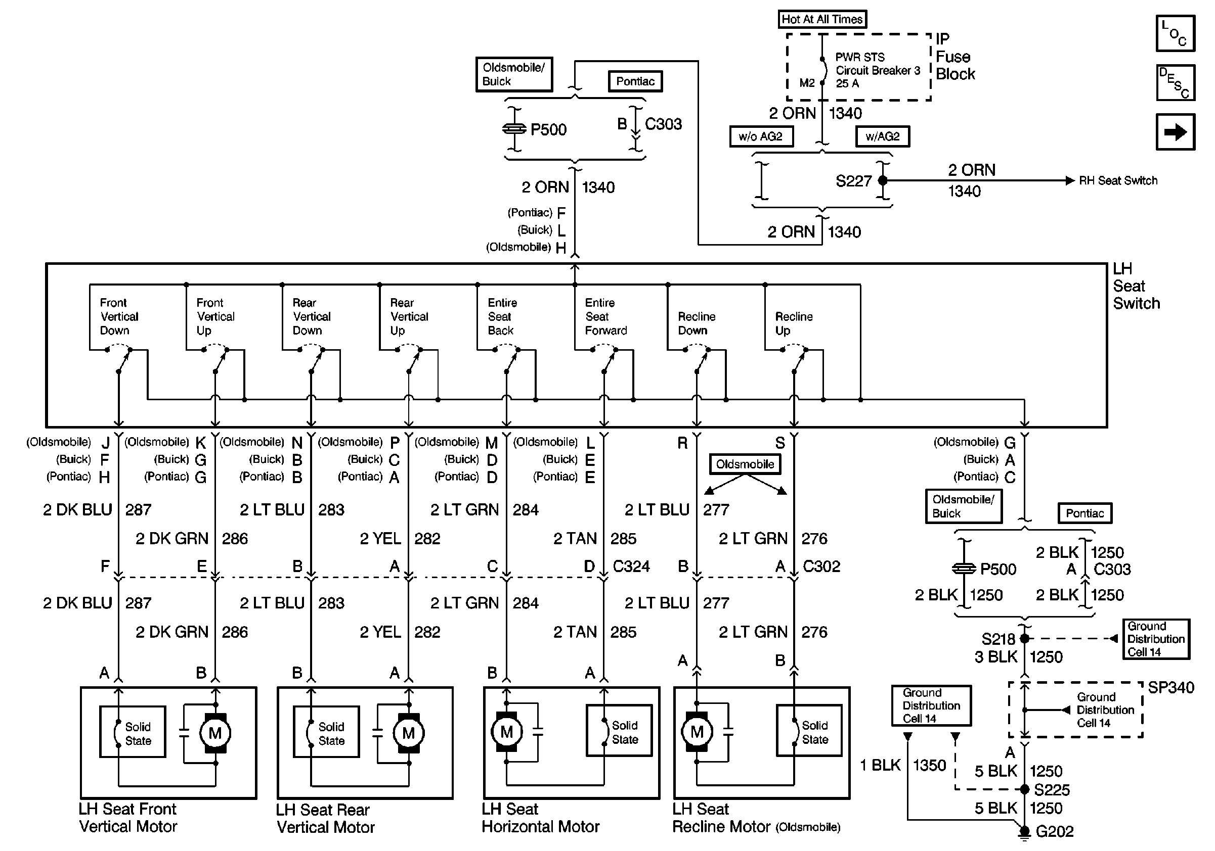
Power Seats Schematics w/ AG1 or AG2

Figure 1:

Cell 140: LH Power Seat


Object Number: 342449  Size: FS
Power Seat Systems Components
Power Seats Circuit Description W/o A43
Cell 140: RH Power Seat
Cell 140: RH Power Seat
Ground Distribution Schematics
Ground Distribution Schematics
Ground Distribution Schematics
Figure 2:

Cell 140: RH Power Seat


Object Number: 342455  Size: FS
Power Seat Systems Components
Power Seats Circuit Description W/o A43
Cell 140: LH Power Seat
Cell 140: LH Power Seat
Ground Distribution Schematics
Ground Distribution Schematics
Ground Distribution Schematics

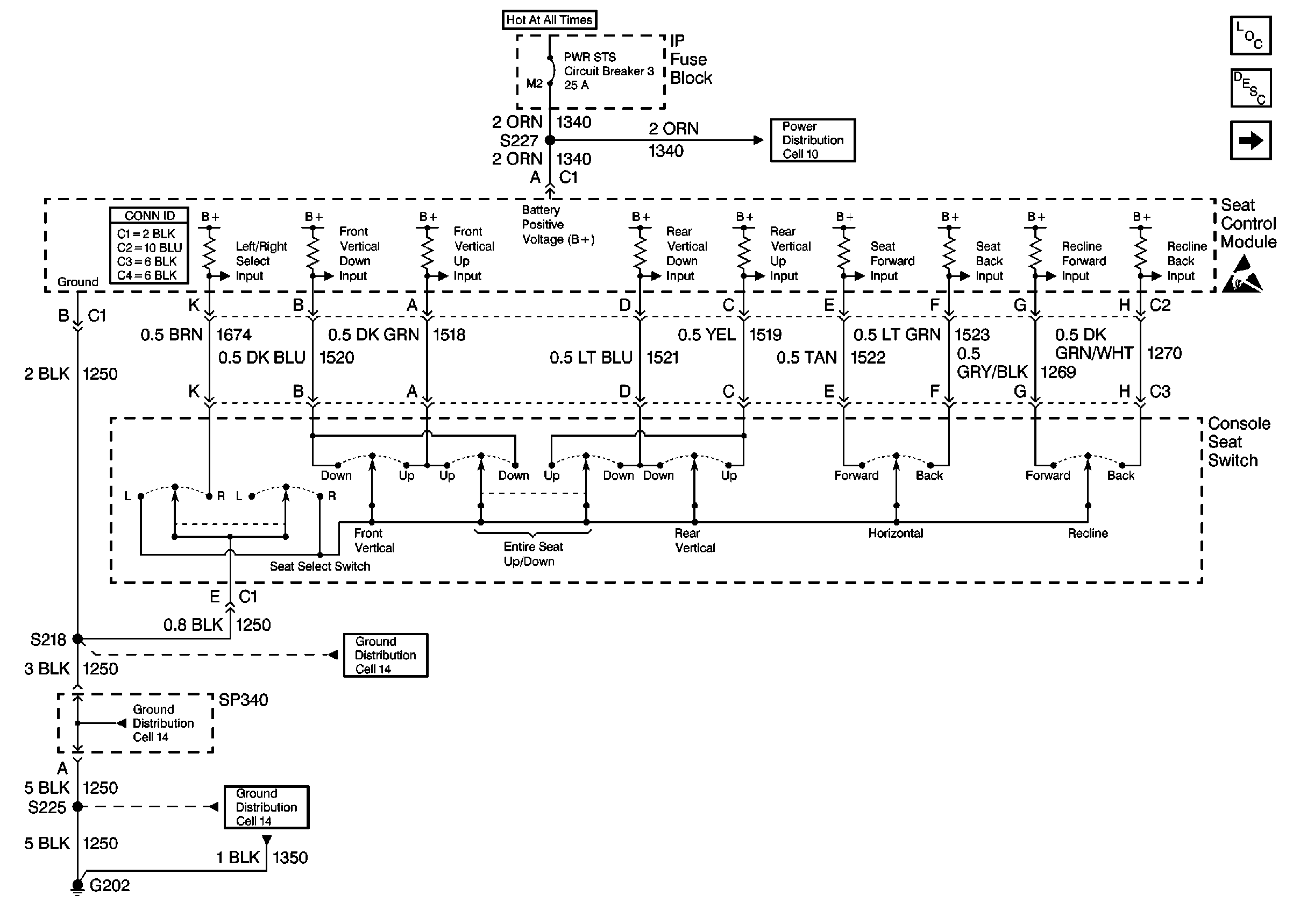
Power Seats Schematics Pontiac w/ AL7

Figure 1:

Cell 140: Console Seat Switch


Object Number: 342497  Size: FS
Power Seat Systems Components
Power Seats Circuit Description Pontiac w/AL7
Cell 140: LH Power Seat Control
Ground Distribution Schematics
Ground Distribution Schematics
Ground Distribution Schematics
Power Distribution Schematics
Power Seat Connector End Views
Handling ESD Sensitive Parts Notice
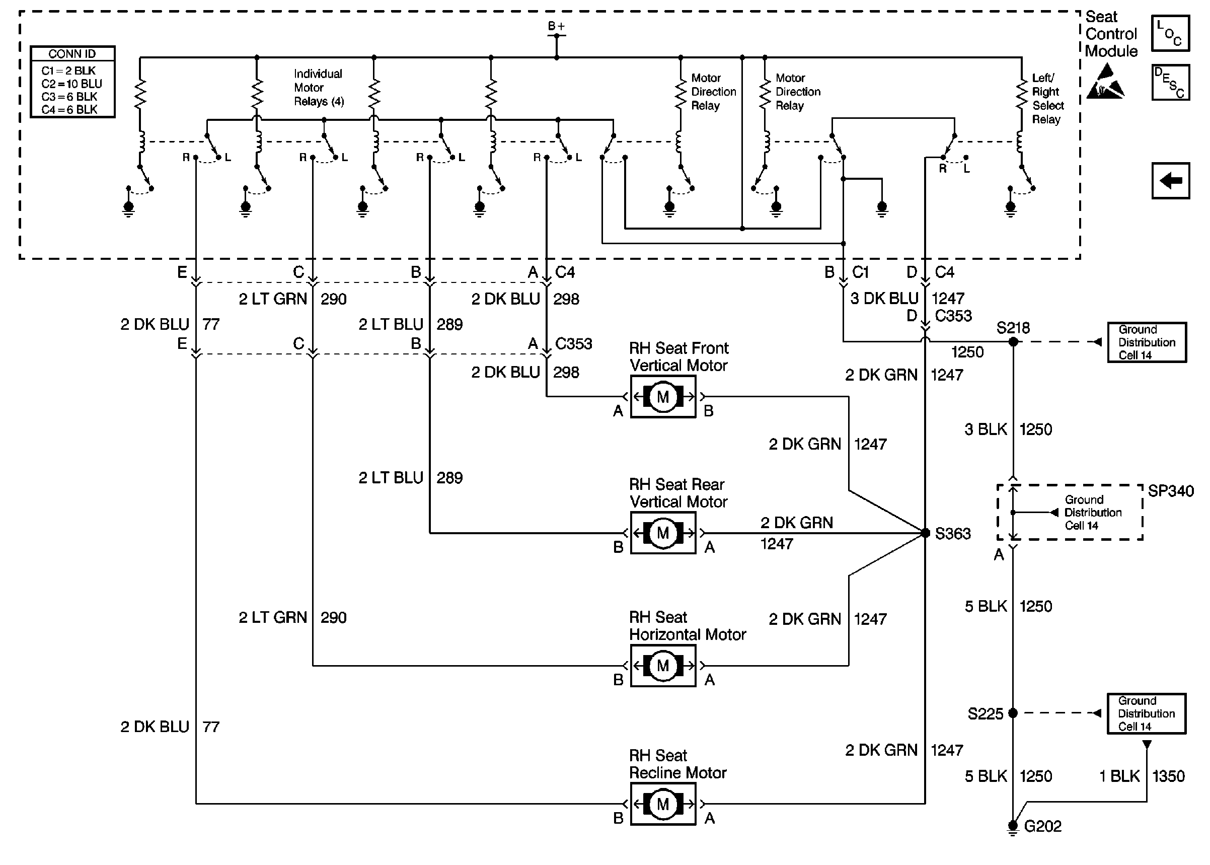
Figure 2:

Cell 140: LH Power Seat Control


Object Number: 342505  Size: FS
Power Seat Systems Components
Power Seats Circuit Description Pontiac w/AL7
Cell 140: RH Power Seat Control
Cell 140: Console Seat Switch
Ground Distribution Schematics
Ground Distribution Schematics
Ground Distribution Schematics
Power Seat Connector End Views
Handling ESD Sensitive Parts Notice
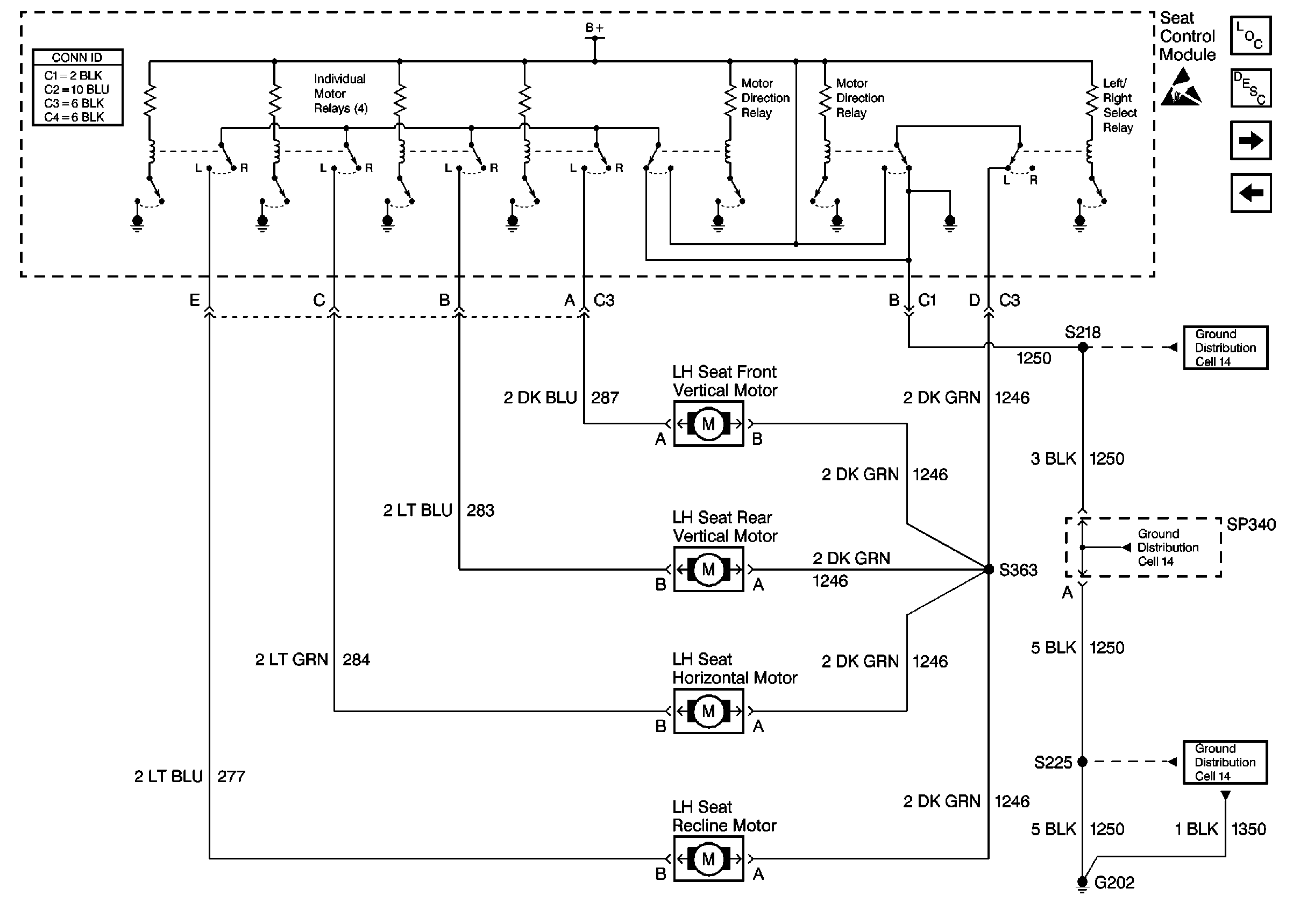
Figure 3:

Cell 140: RH Power Seat Control


Object Number: 342510  Size: FS
Power Seat Systems Components
Power Seats Circuit Description Pontiac w/AL7
Cell 140: LH Power Seat Control
Power Seat Connector End Views
Ground Distribution Schematics
Ground Distribution Schematics
Ground Distribution Schematics
Handling ESD Sensitive Parts Notice