GM Service Manual Online
For 1990-2009 cars only

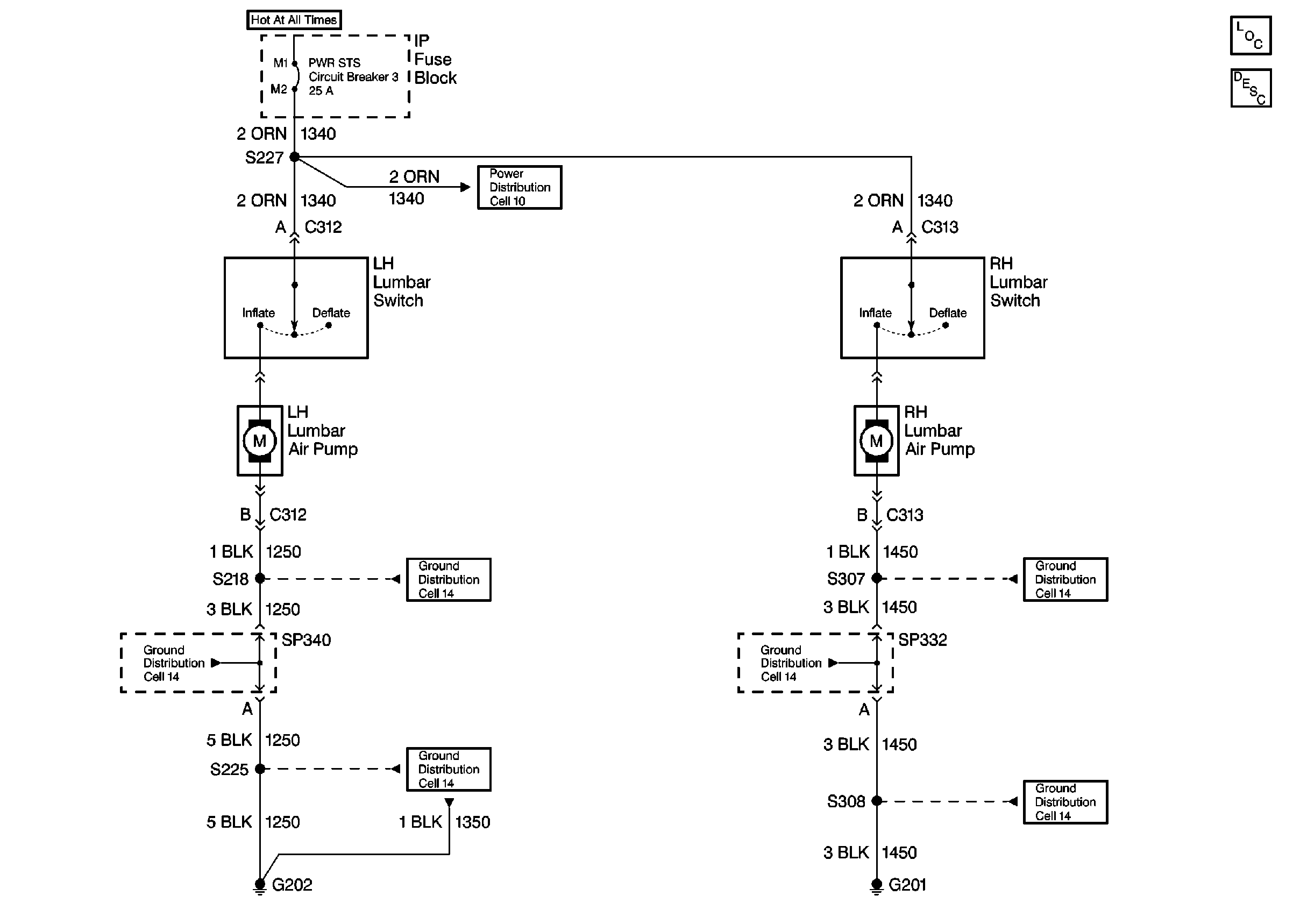
Lumbar Support Schematics Oldsmobile w/ AL2

Cell 142: Lumbar Support


Object Number: 342493  Size: FS
Power Seat Systems Components
Power Lumbar Circuit Description Oldsmobile
Ground Distribution Schematics
Ground Distribution Schematics
Ground Distribution Schematics
Ground Distribution Schematics
Ground Distribution Schematics
Ground Distribution Schematics
Power Distribution Schematics

Lumbar Support Schematics Pontiac w/ AL7

Figure 1:

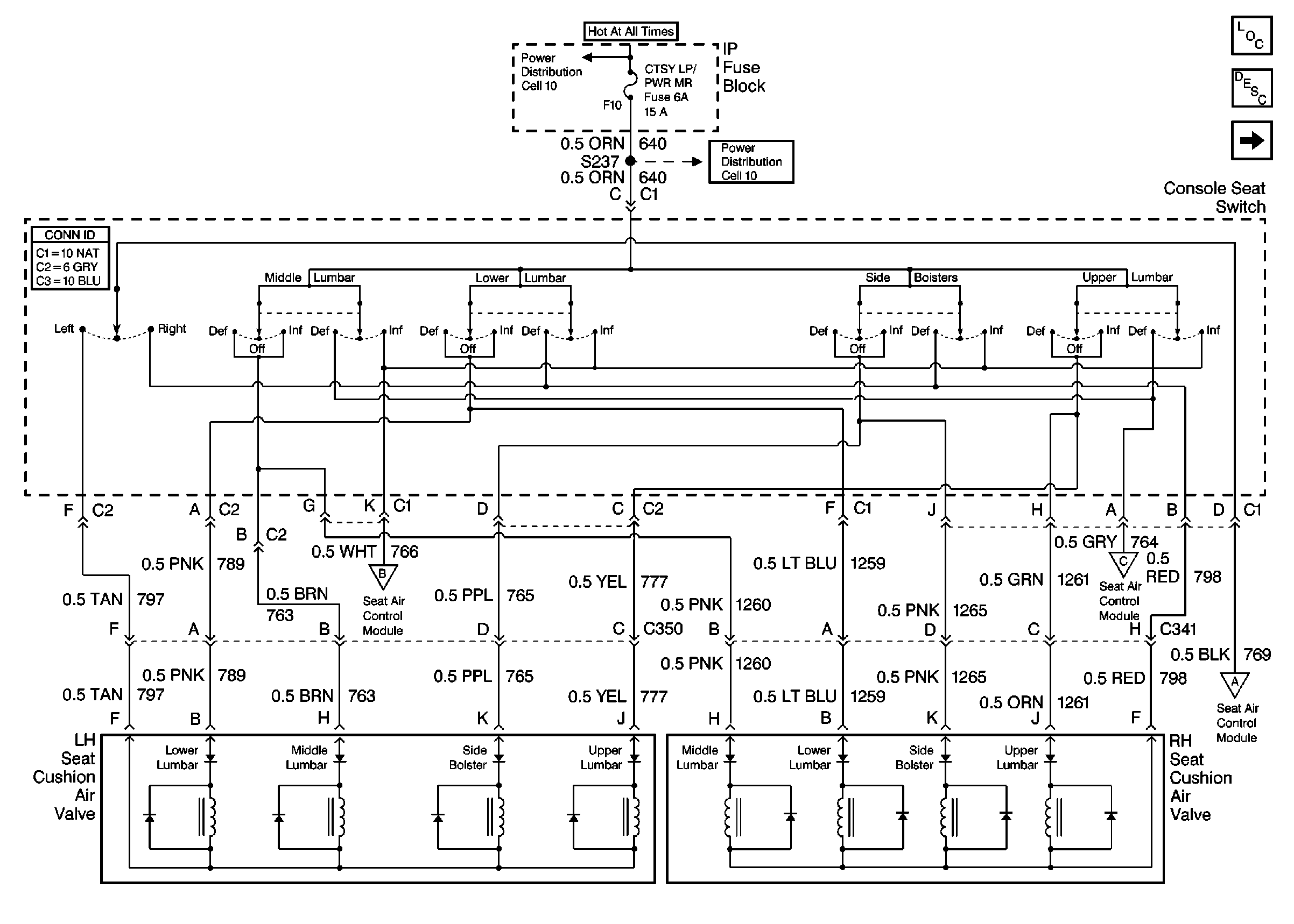
Cell 142: Console Seat Switch and Air Valves


Object Number: 342513  Size: FS
Power Seat Systems Components
Power Lumbar Circuit Description Pontiac w/AL7
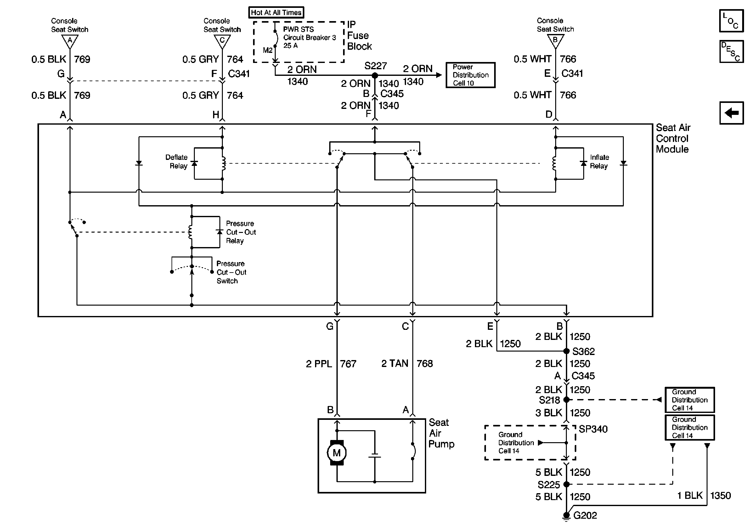
Cell 142: Seat Air Control
Cell 142: Seat Air Control
Cell 142: Seat Air Control
Cell 142: Seat Air Control
Power Distribution Schematics
Power Distribution Schematics
Figure 2:

Cell 142: Seat Air Control


Object Number: 342519  Size: FS
Power Seat Systems Components
Power Lumbar Circuit Description Pontiac w/AL7
Cell 142: Console Seat Switch and Air Valves
Cell 142: Console Seat Switch and Air Valves
Cell 142: Console Seat Switch and Air Valves
Cell 142: Console Seat Switch and Air Valves
Ground Distribution Schematics
Ground Distribution Schematics
Power Distribution Schematics