GM Service Manual Online
For 1990-2009 cars only
Makes
🢒
Buick
🢒
1999
🢒
LeSabre
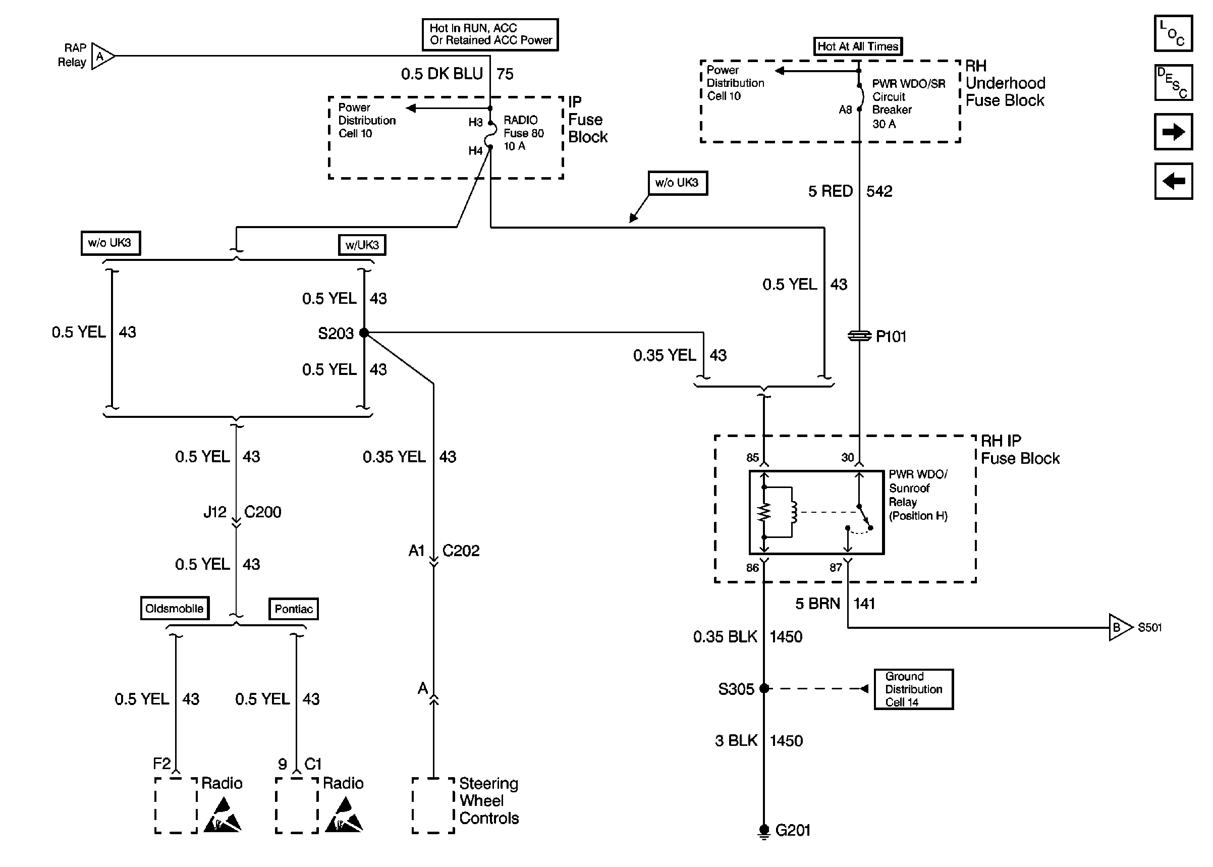
🢒 RH Maxi Fuse Block
RH Maxi Fuse Block
RH Maxi Fuse Block
Retained Accessory Power (RAP) Components
Retained Accessory Power (RAP) Circuit Description
Window Switches
Ignition Switch
Window Switches
Ignition Switch
Ground Distribution Schematics