GM Service Manual Online
For 1990-2009 cars only
Figure 1:

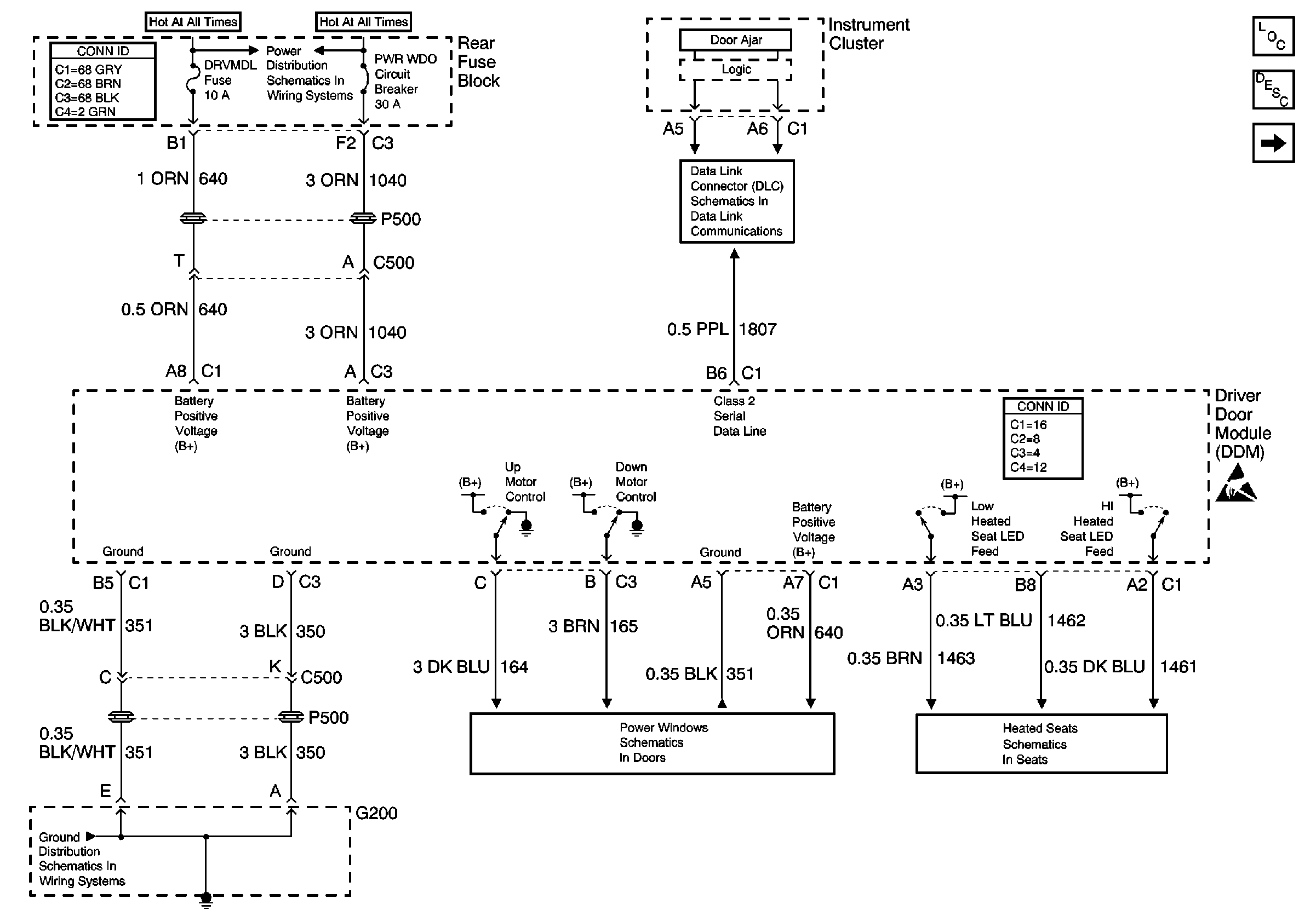
Driver Door Module (DDM) Power and Ground


Object Number: 411422  Size: FS
Power Door Systems Components
Passenger Door Module (PDM) Power and Ground
HVAC BATT, DRV MDL, PASS MDL and RRDRMDL Fuses (Rear Fuse Block)
PWR WDO and PWR SEAT Circuit Breakers (Rear Fuse Block)
Serial Data Class 2
G200 (2 of 2)
LH Front Door
LH Front Heated Seat Switch
Figure 2:

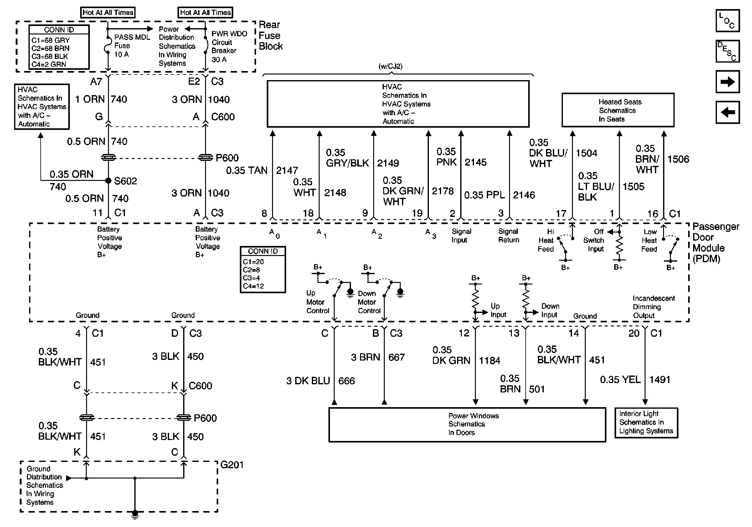
Passenger Door Module (PDM) Power and Ground


Object Number: 411417  Size: FS
Power Door Systems Components
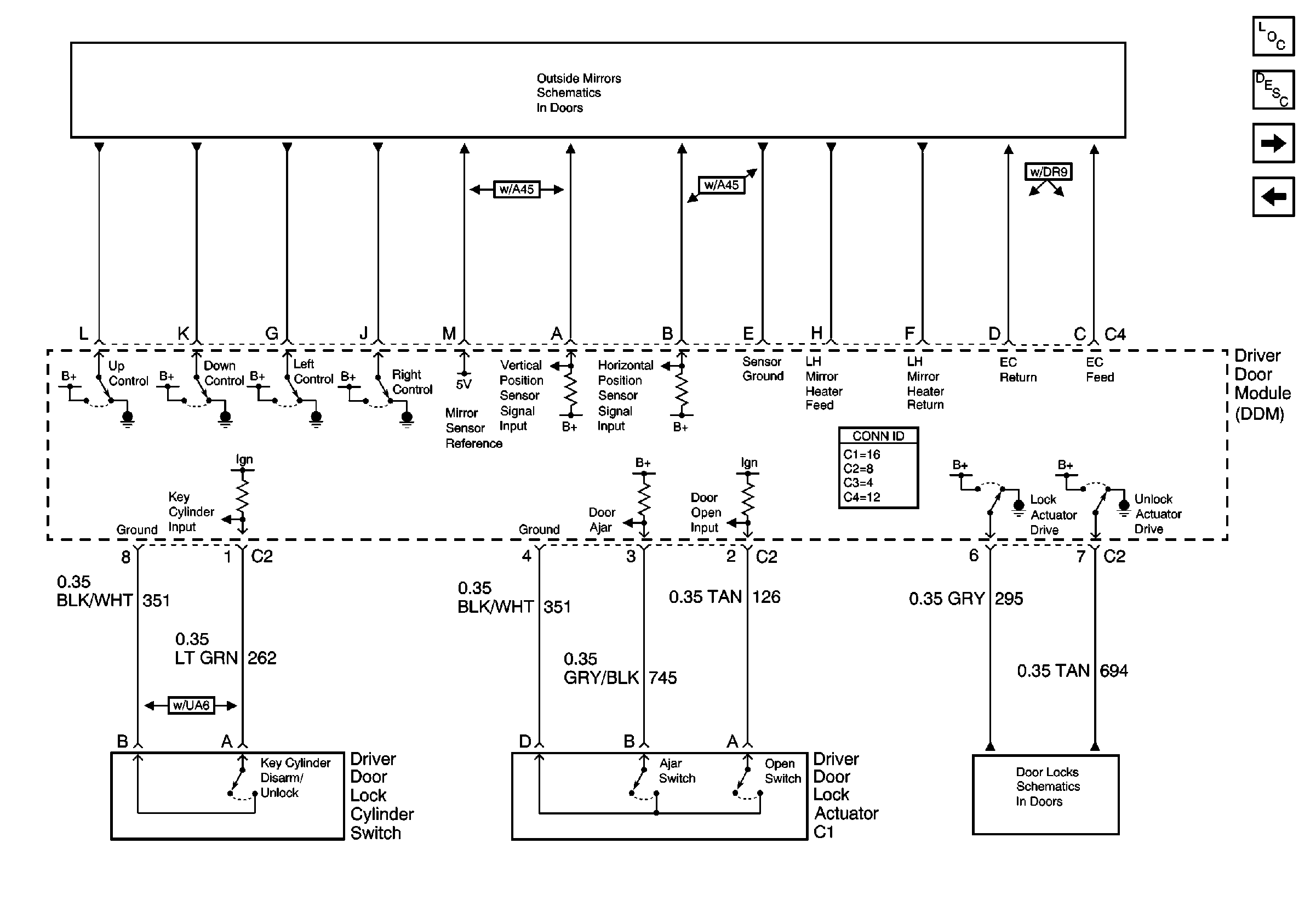
Driver Door Module (DDM) Inputs/Outputs
Driver Door Module (DDM) Power and Ground
HVAC BATT, DRV MDL, PASS MDL and RRDRMDL Fuses (Rear Fuse Block)
PWR WDO and PWR SEAT Circuit Breakers (Rear Fuse Block)
Passenger Side Climate Control W/CJ2
RH Heated Seat Switch
G201 (1 of 2)
RH Front Door
Front Door Dimming
Figure 3:

Driver Door Module (DDM) Inputs/Outputs


Object Number: 411406  Size: FS
Power Door Systems Components
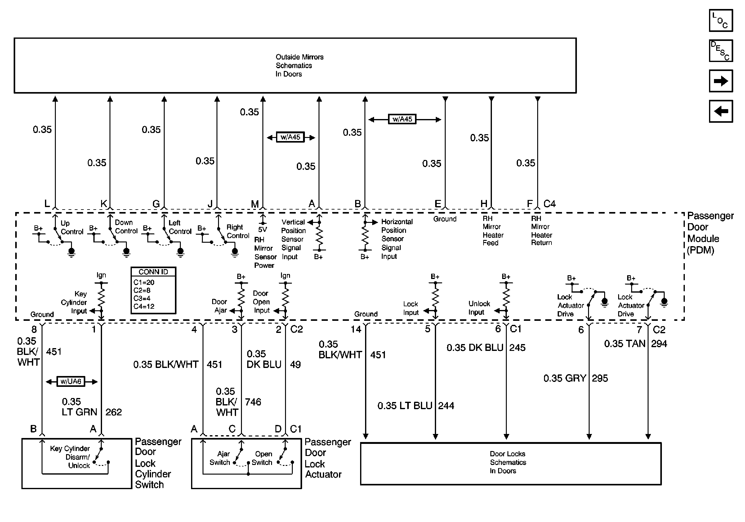
Passenger Door Module (PDM) Inputs/Outputs
Passenger Door Module (PDM) Power and Ground
LH Mirrors W/A45
LH Front Door
Figure 4:

Passenger Door Module (PDM) Inputs/Outputs


Object Number: 411408  Size: FS
Power Door Systems Components
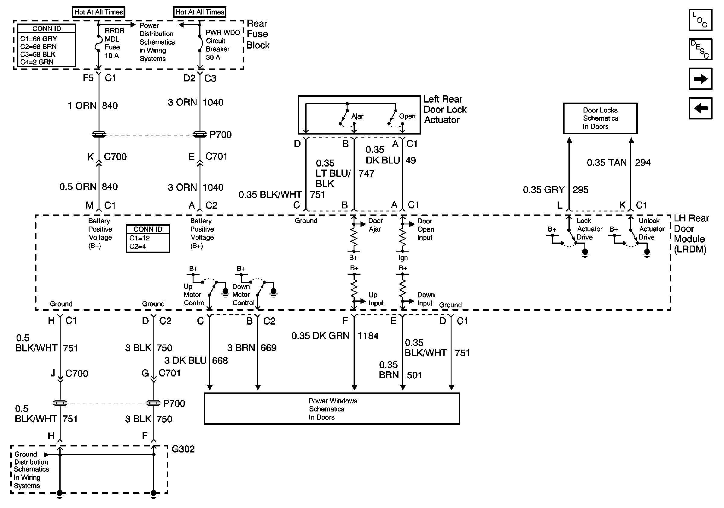
Left Rear Door Module (LRDM)
Driver Door Module (DDM) Inputs/Outputs
RH Mirrors W/A45
RH Front Door
Figure 5:

Left Rear Door Module (LRDM)


Object Number: 411447  Size: FS
Power Door Systems Components
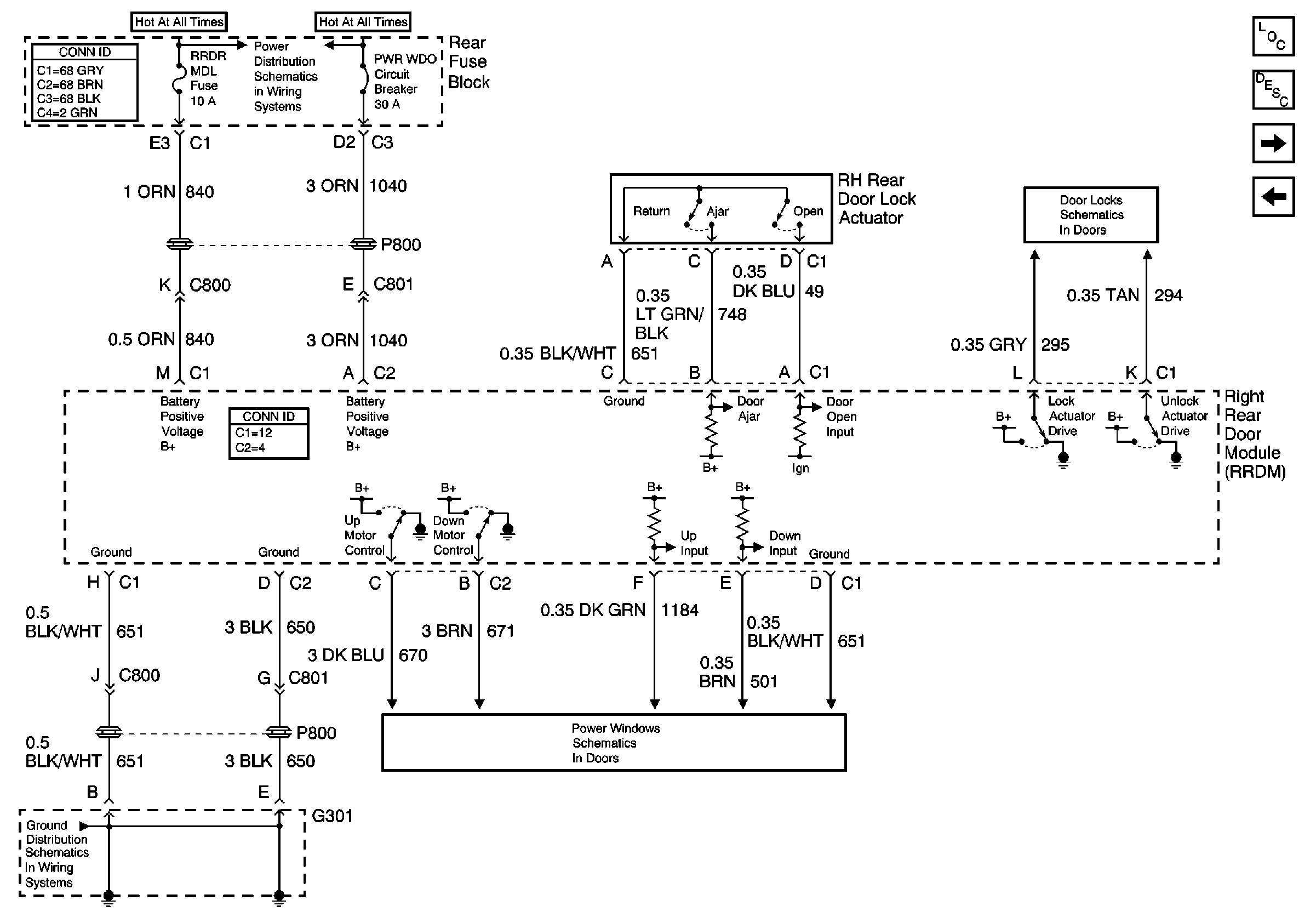
Right Rear Door Module (RRDM)
Passenger Door Module (PDM) Inputs/Outputs
HVAC BATT, DRV MDL, PASS MDL and RRDRMDL Fuses (Rear Fuse Block)
PWR WDO and PWR SEAT Circuit Breakers (Rear Fuse Block)
LH Rear Door
G302
LH Rear Door
Figure 6:

Right Rear Door Module (RRDM)


Object Number: 411450  Size: FS
Power Door Systems Components
Left Rear Door Module (LRDM)
Passenger Door Module (PDM) Inputs/Outputs
HVAC BATT, DRV MDL, PASS MDL and RRDRMDL Fuses (Rear Fuse Block)
PWR WDO and PWR SEAT Circuit Breakers (Rear Fuse Block)
RH Rear Door
G300 and G301 (3 of 3)
RH Rear Door
Figure 7:

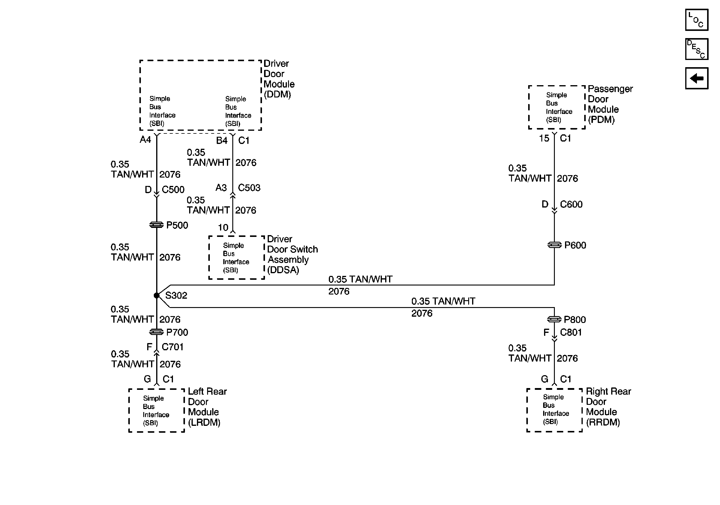
Driver Door Switch Assembly


Object Number: 411412  Size: FS
Power Door Systems Components
Simple Bus Interface
Right Rear Door Module (RRDM)
Front Door Dimming
Front Door Dimming
Figure 8:

Simple Bus Interface


Object Number: 411379  Size: FS
Power Door Systems Components
Driver Door Switch Assembly