GM Service Manual Online
For 1990-2009 cars only
Makes
🢒
Buick
🢒
2000
🢒
LeSabre
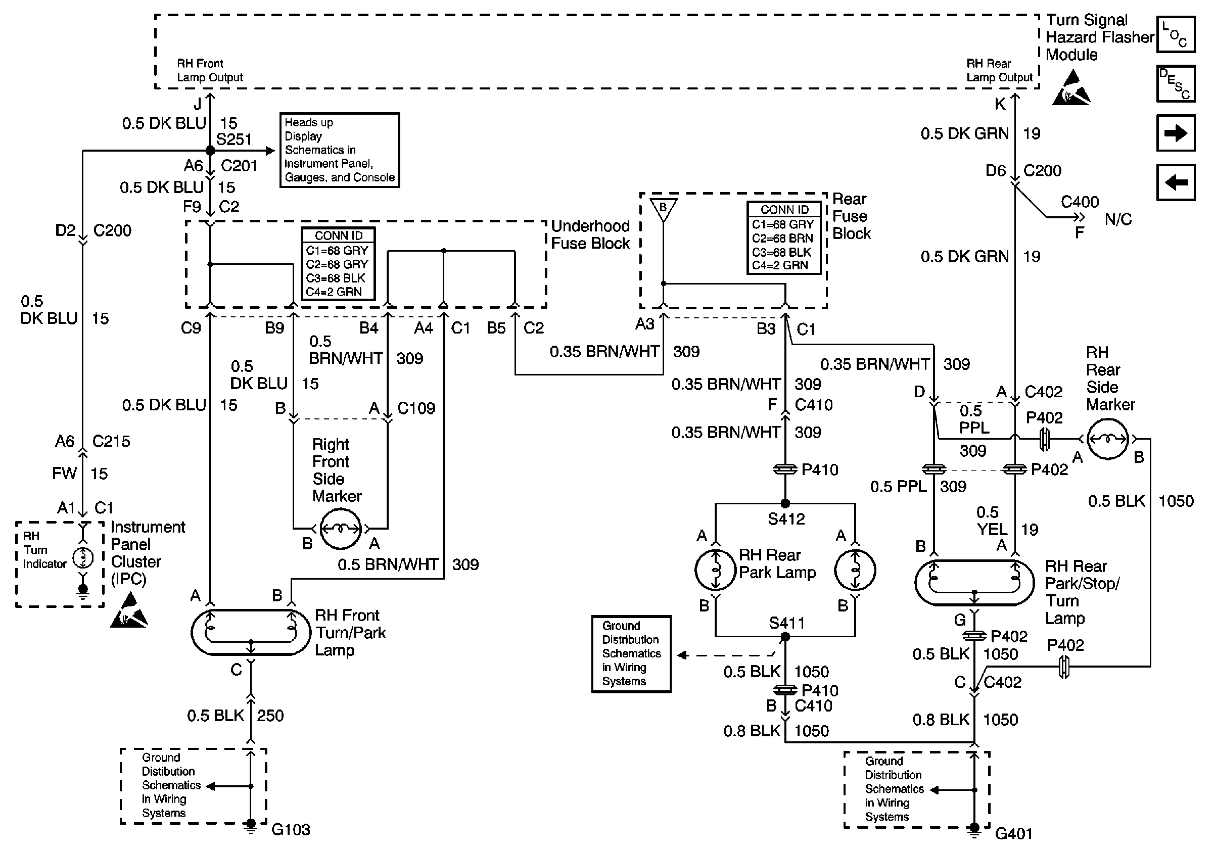
🢒 RH Exterior Lamps
RH Exterior Lamps
RH Exterior Lamps
Lighting Systems Components
Exterior Lights Circuit Description
LH Exterior Lamps
Park Lamp Relay
Handling ESD Sensitive Parts Notice
Park Lamp Relay
G103
G401 (1 of 2)
G401 (1 of 2)
Handling ESD Sensitive Parts Notice
220 Cell 83: Head Up Display