GM Service Manual Online
For 1990-2009 cars only
Makes
🢒
Buick
🢒
2000
🢒
LeSabre
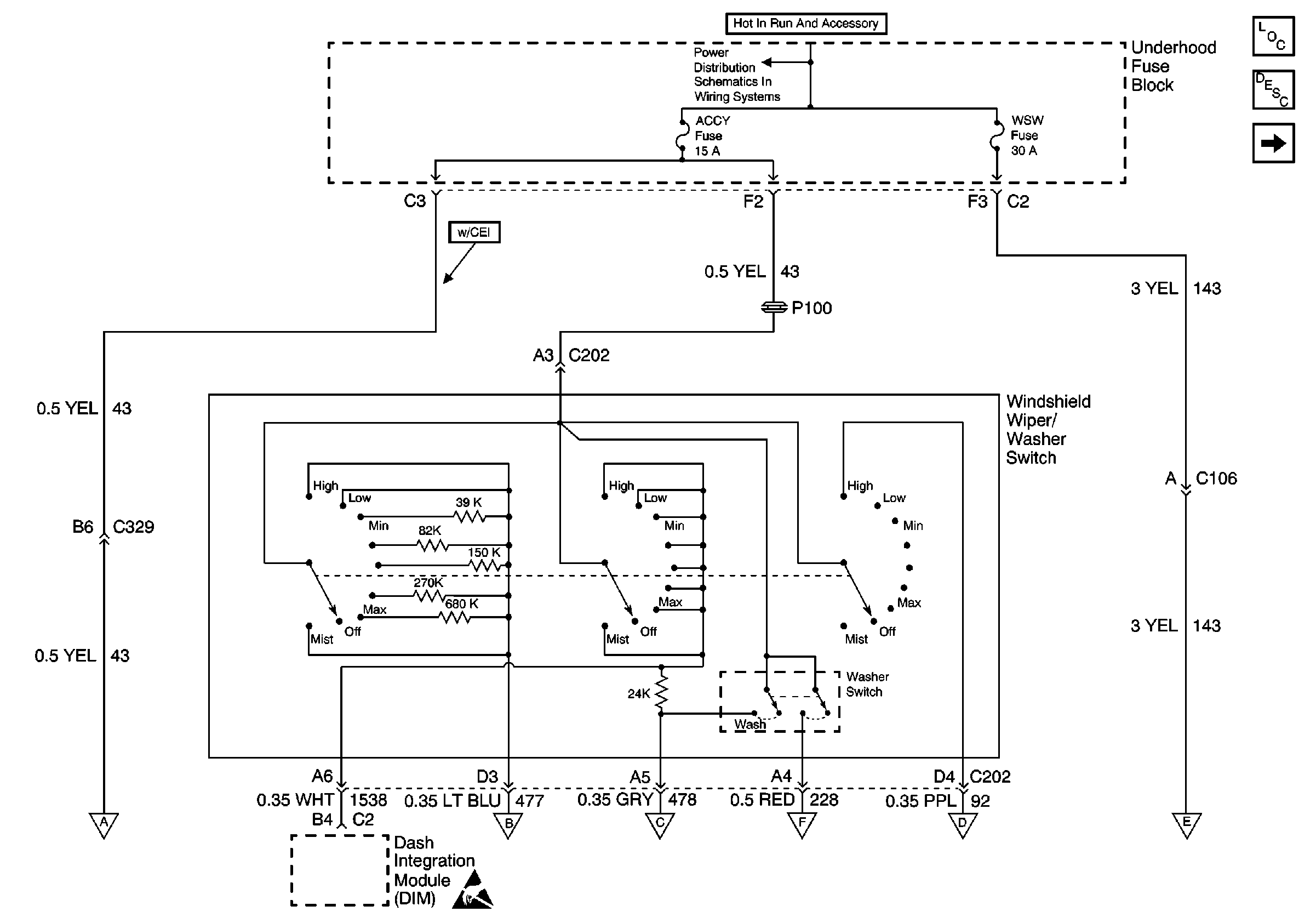
🢒 Wiper Washer Switch and Fuse
Wiper Washer Switch and Fuse
Wiper Washer Switch and Fuse
Wiper/Washer System Components
Wiper/Washer System Circuit Description
Wiper Motor, Washer Pump Motor, Outside Moisture Sensor
Wiper Motor, Washer Pump Motor, Outside Moisture Sensor
AIR PUMP and ACCY Relays, AIR, C/LTR, AUX PWR, WSW and ACCY Fuses (Underhood Fuse Block)
Handling ESD Sensitive Parts Notice