GM Service Manual Online
For 1990-2009 cars only
Figure 1:

IGN Switch, PCM Feeds


Object Number: 662121  Size: FS
Master Electrical Component List
Electronic Ignition (EI) System Description
MIL, Data Link Feed
G104 and G105
Start 1 Relay, INJR 2, PCM IGN, CR CONT and INJR 1 Fuses
High Beam and Low Beam Relays, ABS, PCM Batt, High Beam and Low Beam Fuses (Underhood Fuse Block)
Battery Feed to the Underhood Fuse Block
Figure 2:

MIL, Data Link Feed


Object Number: 662128  Size: FS
Master Electrical Component List
Powertrain Control Module Description
IC Module CMP and CKP Sensors
IGN Switch, PCM Feeds
Engine Controls Schematic Icons
Serial Data Class 2
PCM, IPC Inputs
IP, CIGAR, AUX PWR and C/LTR Fuses, and CIGAR Relay
IP, CIGAR, AUX PWR and C/LTR Fuses, and CIGAR Relay
Figure 3:

IC Module CMP and CKP Sensors


Object Number: 662132  Size: FS
Master Electrical Component List
Electronic Ignition (EI) System Description
Fuel Pump and Relay
MIL, Data Link Feed
OBD II Symbol Description Notice
IGN-1 Relay, Transmission, DIS, OXY SEN, and IGN 1-Fuses
Figure 4:

Fuel Pump and Relay


Object Number: 662137  Size: FS
Master Electrical Component List
Fuel System Description
IC Module CMP and CKP Sensors
IC Module CMP and CKP Sensors
OBD II Symbol Description Notice
G300 and G302
G401 (2 of 2)
Battery Feed to the Rear Fuse Block
Figure 5:

Fuel Injectors


Object Number: 662140  Size: FS
Master Electrical Component List
Fuel System Description
Sensors
Fuel Pump and Relay
OBD II Symbol Description Notice
Start 1 Relay, INJR 2, PCM IGN, CR CONT and INJR 1 Fuses
Figure 6:

Sensors


Object Number: 662141  Size: FS
Master Electrical Component List
Electronic Ignition (EI) System Description
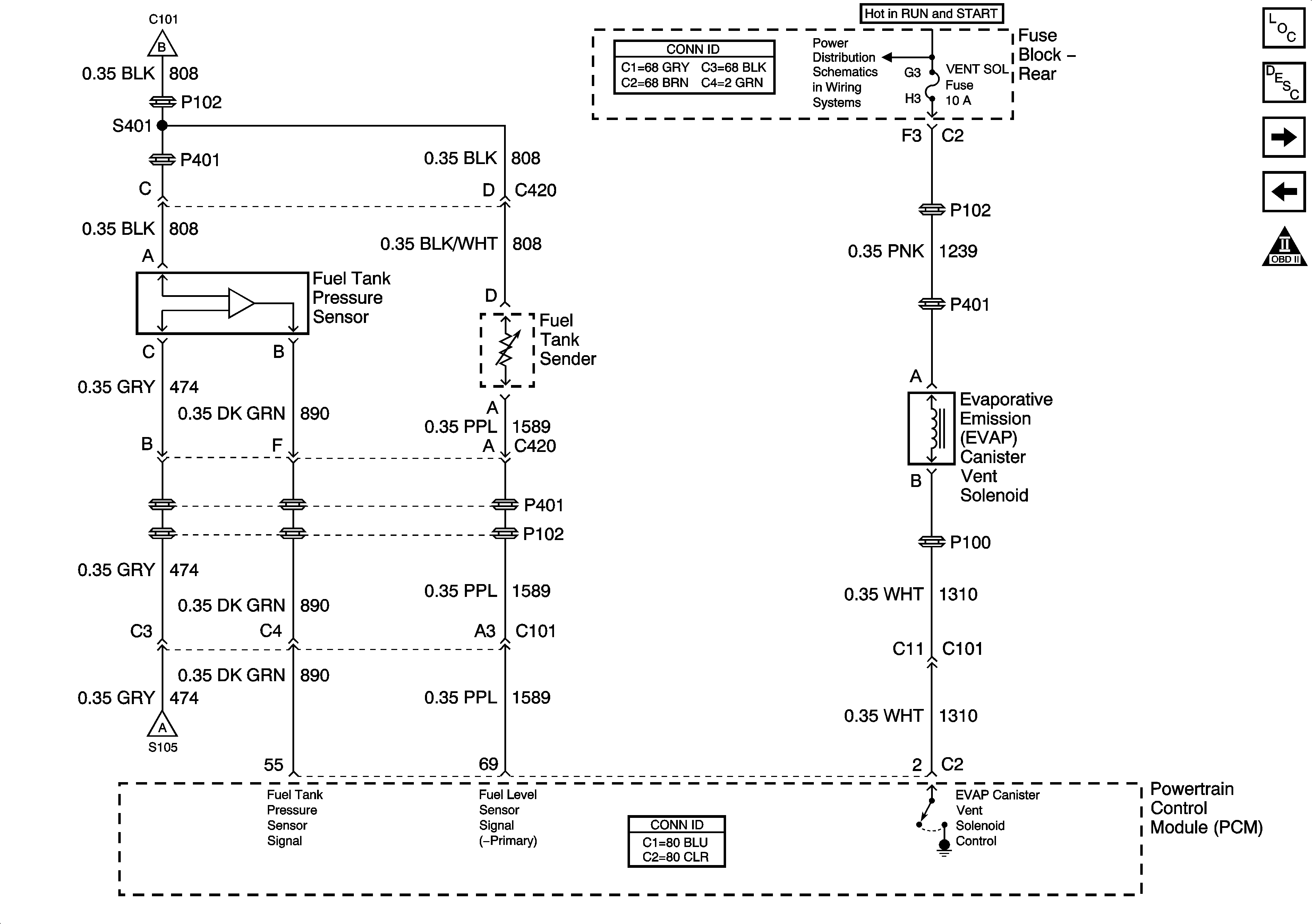
Fuel Tank Pressure Sensor, EVAP Canister Vent Solenoid
Fuel Injectors
OBD II Symbol Description Notice
Fuel Tank Pressure Sensor, EVAP Canister Vent Solenoid
Fuel Tank Pressure Sensor, EVAP Canister Vent Solenoid
Figure 7:

Fuel Tank Pressure Sensor, EVAP Canister Vent Solenoid


Object Number: 662143  Size: FS
Master Electrical Component List
Fuel System Description
HO2S1, HO2S2
Sensors
OBD II Symbol Description Notice
Sensors
Sensors
IGN-1, VENT SOL and SIR Fuses (Rear Fuse Block)
Figure 8:

HO2S1, HO2S2


Object Number: 662147  Size: FS
Master Electrical Component List
Exhaust Gas Recirculation (EGR) System Description
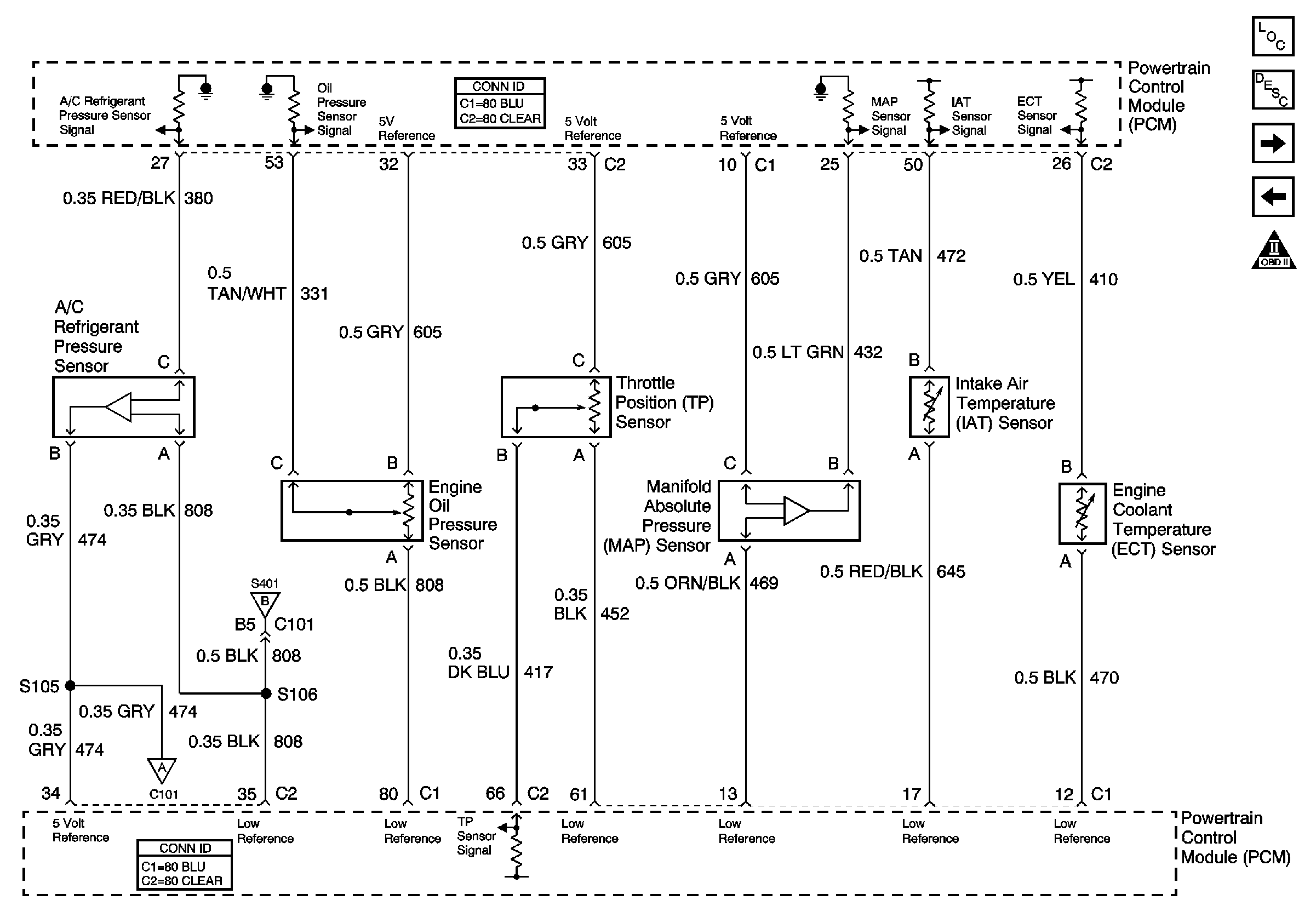
IAC Valve, MAF and Knock Sensors
Fuel Tank Pressure Sensor, EVAP Canister Vent Solenoid
OBD II Symbol Description Notice
G100 and G102
IGN-1 Relay, Transmission, DIS, OXY SEN, and IGN 1-Fuses
Figure 9:

IAC Valve, MAF and Knock Sensors


Object Number: 662150  Size: FS
Master Electrical Component List
Knock Sensor (KS) System Description
Cruise Control Module and VSS
HO2S1, HO2S2
OBD II Symbol Description Notice
IGN-1 Relay, Transmission, DIS, OXY SEN, and IGN 1-Fuses
IGN-1 Relay, Transmission, DIS, OXY SEN, and IGN 1-Fuses
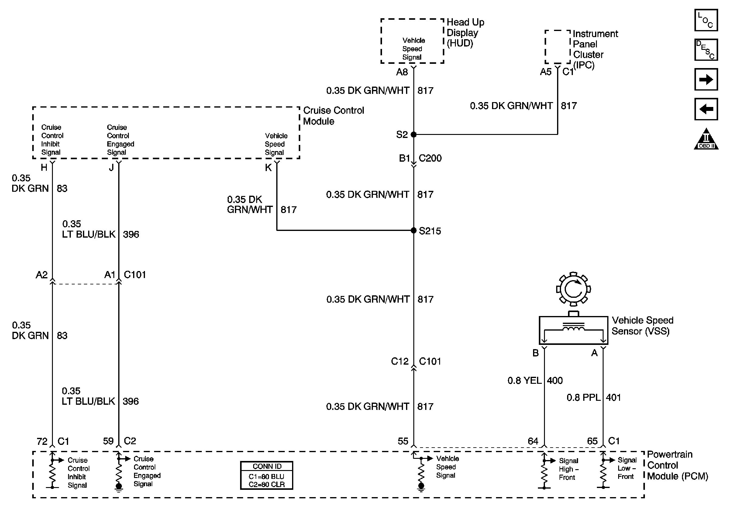
Figure 10:

Cruise Control Module and VSS


Object Number: 662158  Size: FS
Master Electrical Component List
Electronic Ignition (EI) System Description
Generator, EBCM, Oil Level and Automatic Transmission Shift Lock Control Switches
IAC Valve, MAF and Knock Sensors
OBD II Symbol Description Notice
Figure 11:

Generator, EBCM, Oil Level and Automatic Transmission Shift Lock Control Switches


Object Number: 662160  Size: FS
Master Electrical Component List
Electronic Ignition (EI) System Description
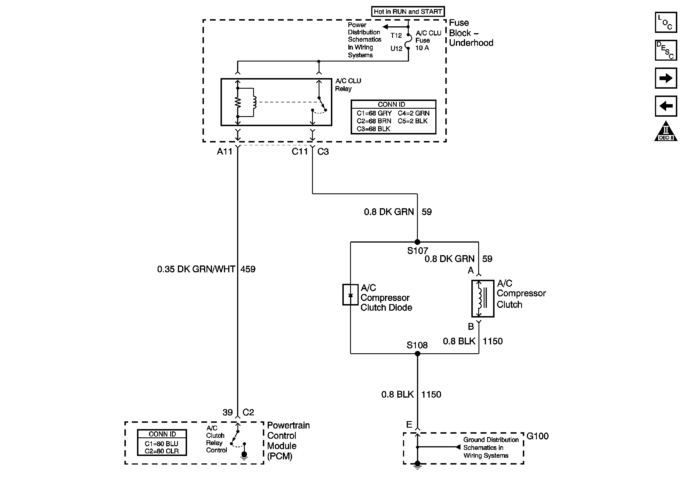
A/C Clutch and Relay
Cruise Control Module and VSS
Diagnostic Starting Point - Automatic Level Control
G200 (1 of 2)
G104 and G105
Figure 12:

A/C Clutch and Relay


Object Number: 662175  Size: FS
Master Electrical Component List
Cooling System Description and Operation
Air Pump Motor and Vacuum Valve Solenoid, NC8 Only
Cruise Control Module and VSS
OBD II Symbol Description Notice
G100 and G102
Battery Feed to the Underhood Fuse Block
Figure 13:

Air Pump Motor and Vacuum Valve Solenoid, NC8 Only


Object Number: 662180  Size: FS
Master Electrical Component List
Secondary Air Injection System Description
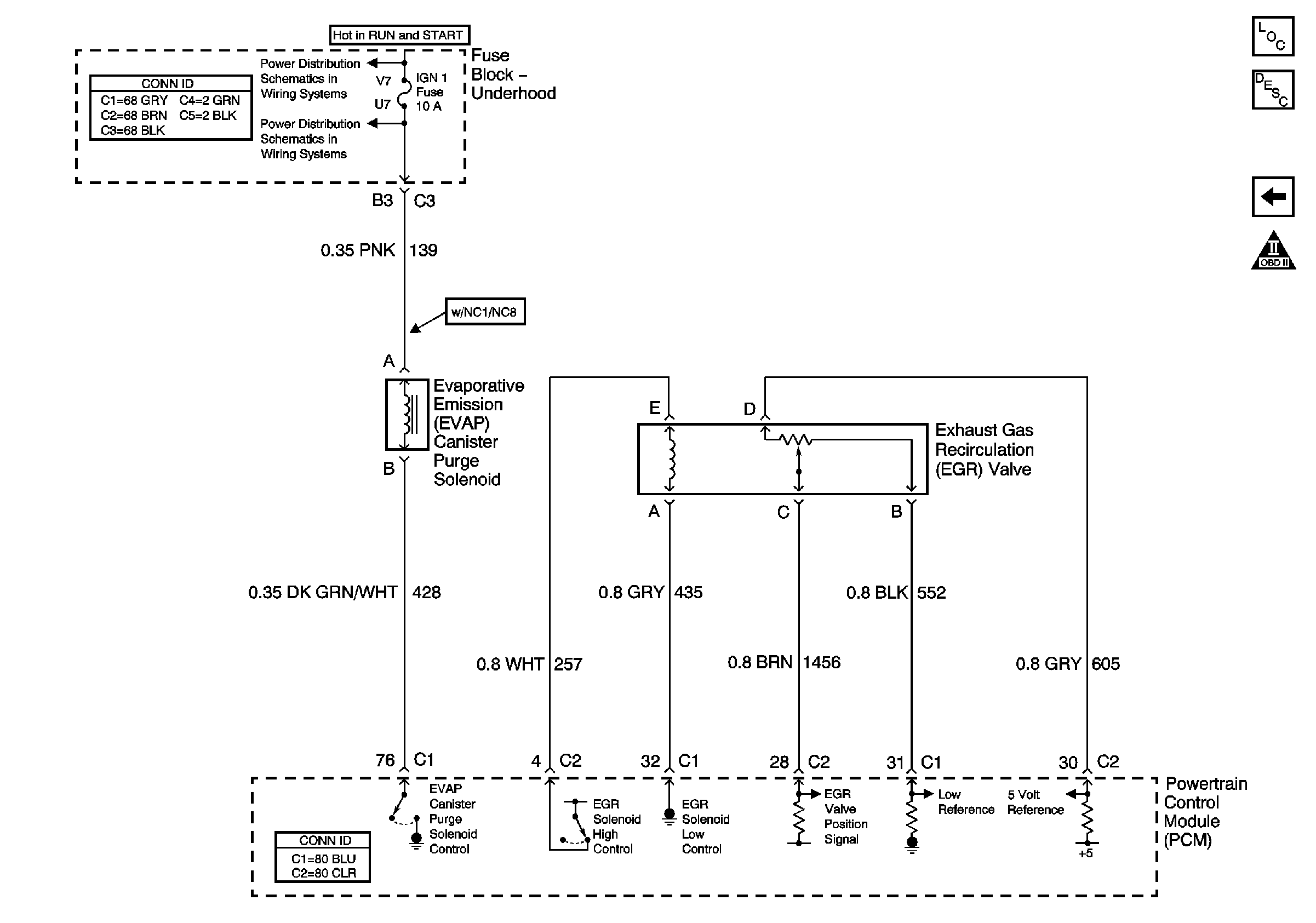
Secondary Air Bypass Valve, EGR Valve
A/C Clutch and Relay
OBD II Symbol Description Notice
IGN-1 Relay, Transmission, DIS, OXY SEN, and IGN 1-Fuses
G100 and G102
AIR PUMP and ACCY Relays, AIR, C/LTR, AUX PWR, WSW, and ACCY Fuses
IGN-1 Relay, Transmission, DIS, OXY SEN, and IGN 1-Fuses
Figure 14:

Secondary Air Bypass Valve, EGR Valve


Object Number: 662192  Size: FS
Master Electrical Component List
Evaporative Emission Control System Description
Air Pump Motor and Vacuum Valve Solenoid, NC8 Only
OBD II Symbol Description Notice
IGN-1 Relay, Transmission, DIS, OXY SEN, and IGN 1-Fuses
IGN-1 Relay, Transmission, DIS, OXY SEN, and IGN 1-Fuses