GM Service Manual Online
For 1990-2009 cars only
Makes
🢒
Buick
🢒
2001
🢒
LeSabre
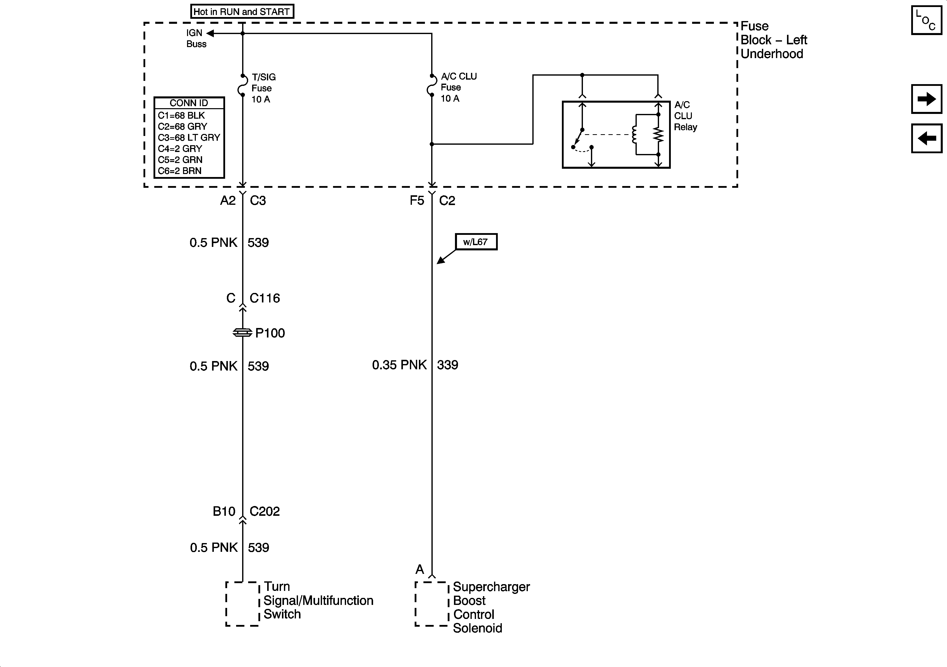
🢒 Underhood Fuse Block- T/SIG, A/C CLU Fuses and A/C CLU Relay
Underhood Fuse Block- T/SIG, A/C CLU Fuses and A/C CLU Relay
Underhood Fuse Block- T/SIG, A/C CLU Fuses and A/C CLU Relay
Master Electrical Component List
Underhood Fuse Block- CRK, PCM/CRU and SBM Fuses
Underhood Fuse Block- OXY SEN and SBM LCM Fuses
Underhood Fuse Block, RUN/CRK Fuse and IGN Relay