GM Service Manual Online
For 1990-2009 cars only
Makes
🢒
Buick
🢒
2001
🢒
LeSabre
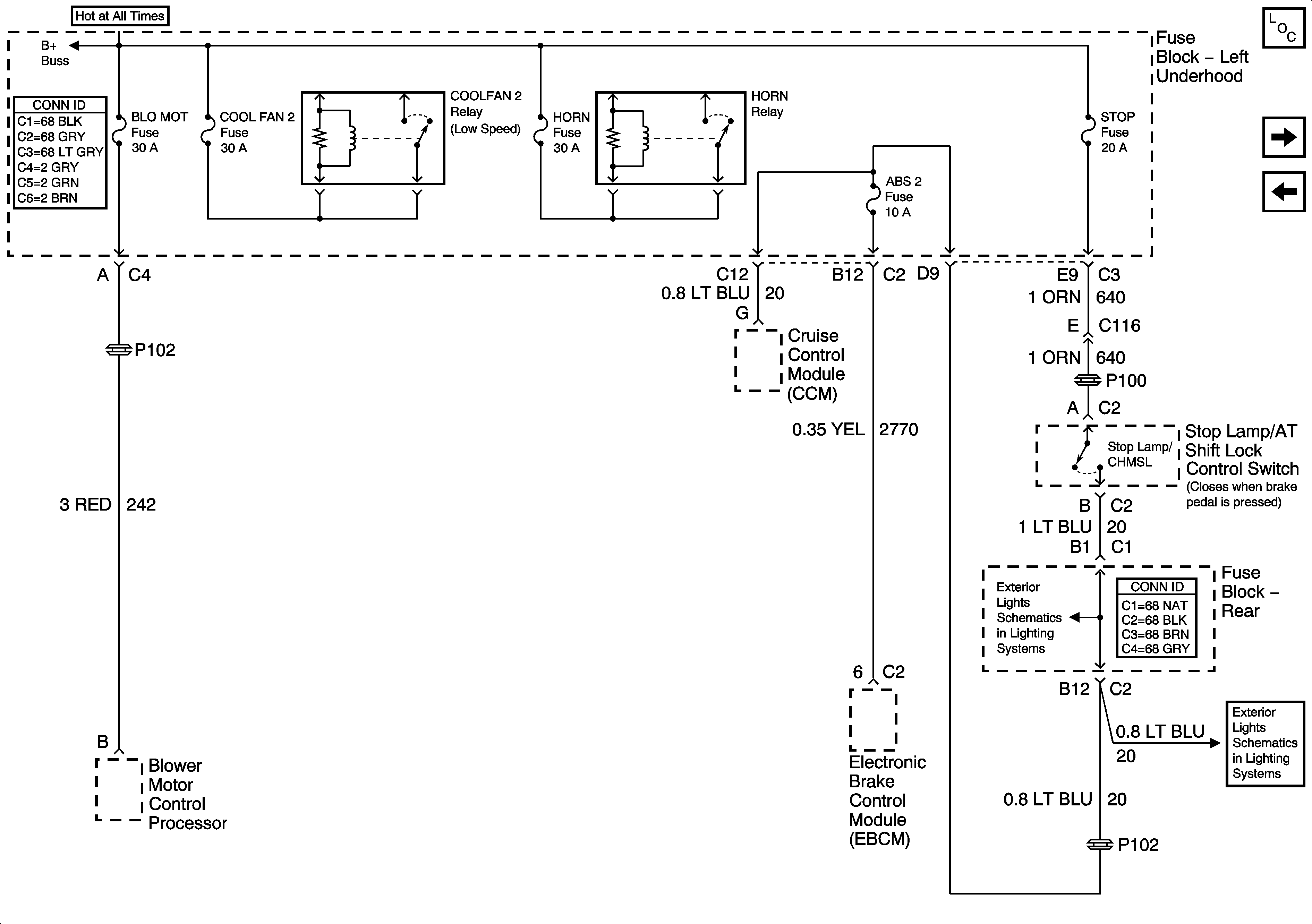
🢒 Underhood Fuse Block- BLO MOT, COOL FAN 2, HORN, and STOP Fuses
Underhood Fuse Block- BLO MOT, COOL FAN 2, HORN, and STOP Fuses
Underhood Fuse Block- BLO MOT, COOL FAN 2, HORN, and STOP Fuses
Master Electrical Component List
Underhood Fuse Block- PCM, ABS, HZDT/SG, F/PMP, PK LP Fuses and F/PMP Relay
Underhood Fuse Block- HDLP, HDLOBML, HDLOBMR, HDHIBML, HDHIBMR, STARTER Fuses and STARTER Relay
Stop Lamps
Stop Lamps
Underhood Fuse Block and Underhood Maxi-Fuse Block