GM Service Manual Online
For 1990-2009 cars only
Makes
🢒
Buick
🢒
2001
🢒
LeSabre
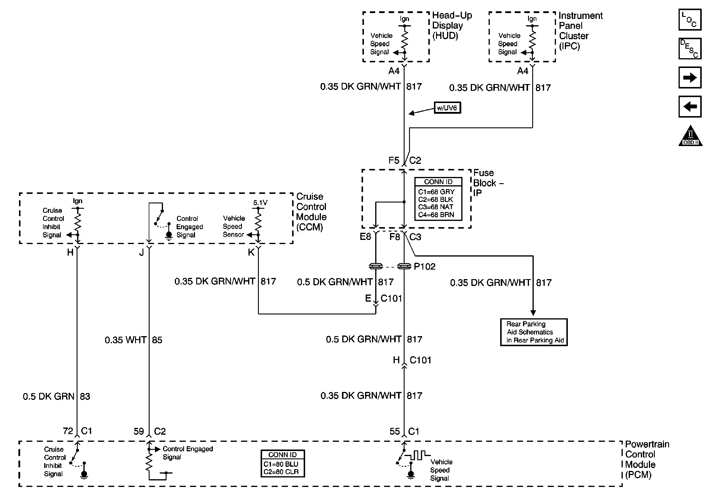
🢒 Cruise Control Module and VSS Control
Cruise Control Module and VSS Control
Cruise Control Module and VSS Control
Master Electrical Component List
Powertrain Control Module Description
EGR and EVAP Purge Valve
MAF, IAC and Knock Sensors
OBD II Symbol Description Notice
Power and Ground