GM Service Manual Online
For 1990-2009 cars only
Makes
🢒
Buick
🢒
2001
🢒
LeSabre
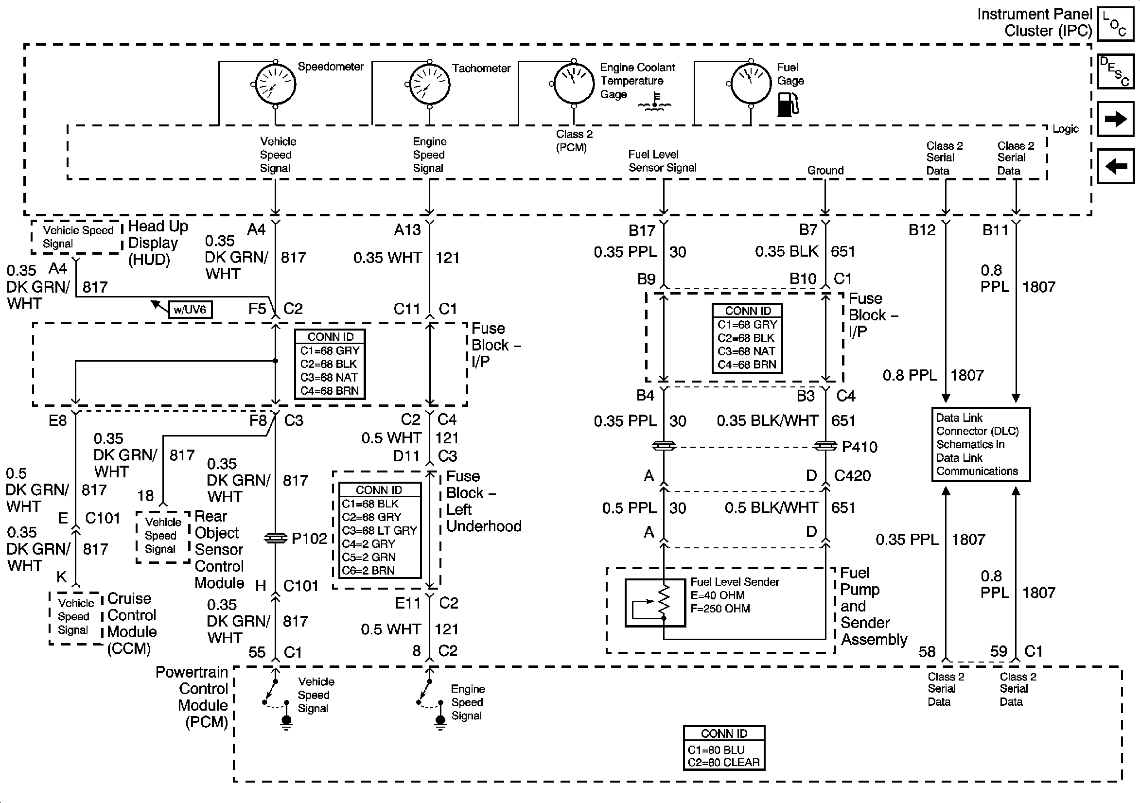
🢒 Fuel Gauge, Speedometer, Temperature Gauge and Tachometer
Fuel Gauge, Speedometer, Temperature Gauge and Tachometer
Fuel Gauge, Speedometer, Temperature Gauge and Tachometer
Master Electrical Component List
Instrument Cluster Description and Operation
Cruise, Fuel, Oil and Volt Indicators
Power, Ground and Class 2
Class 2 Serial Data Line