GM Service Manual Online
For 1990-2009 cars only
Makes
🢒
Buick
🢒
2001
🢒
LeSabre
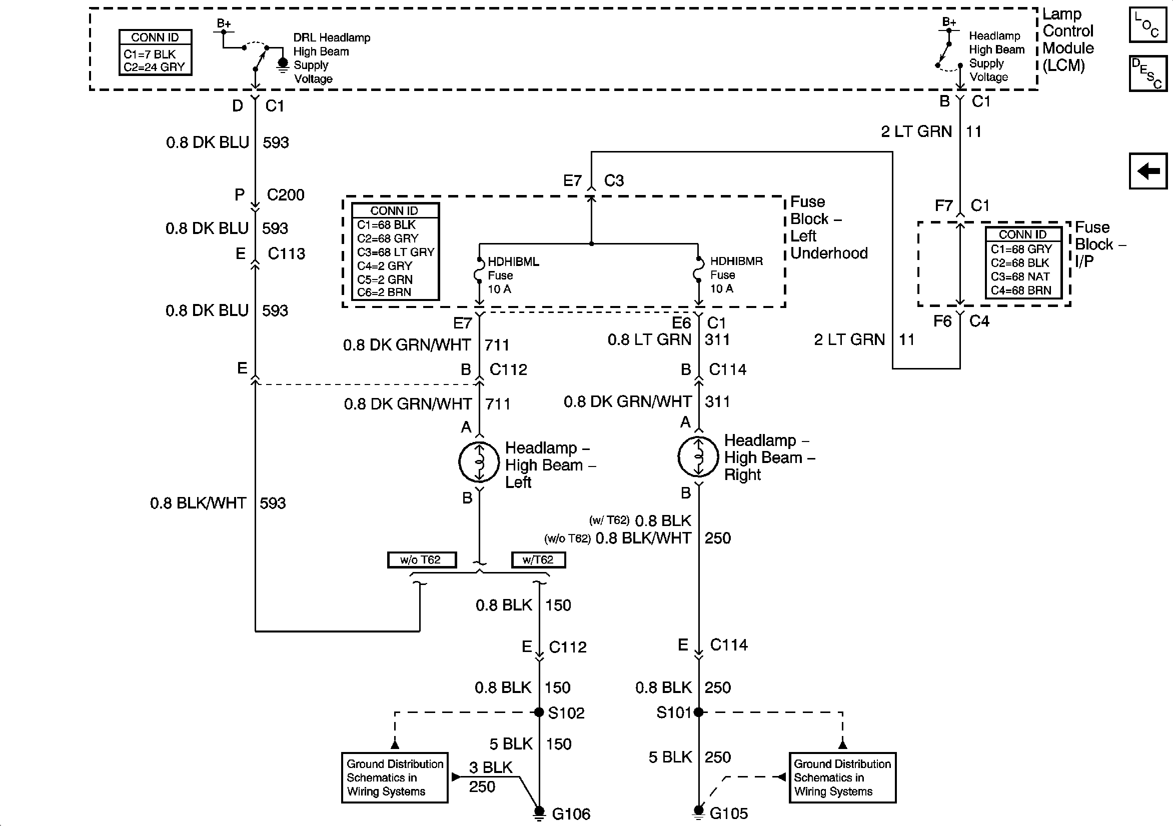
🢒 High Beam Headlamps
High Beam Headlamps
High Beam Headlamps
Master Electrical Component List
Exterior Lighting Systems Description and Operation
Daytime Running Lamps
G104 and G106
G104 and G106