GM Service Manual Online
For 1990-2009 cars only
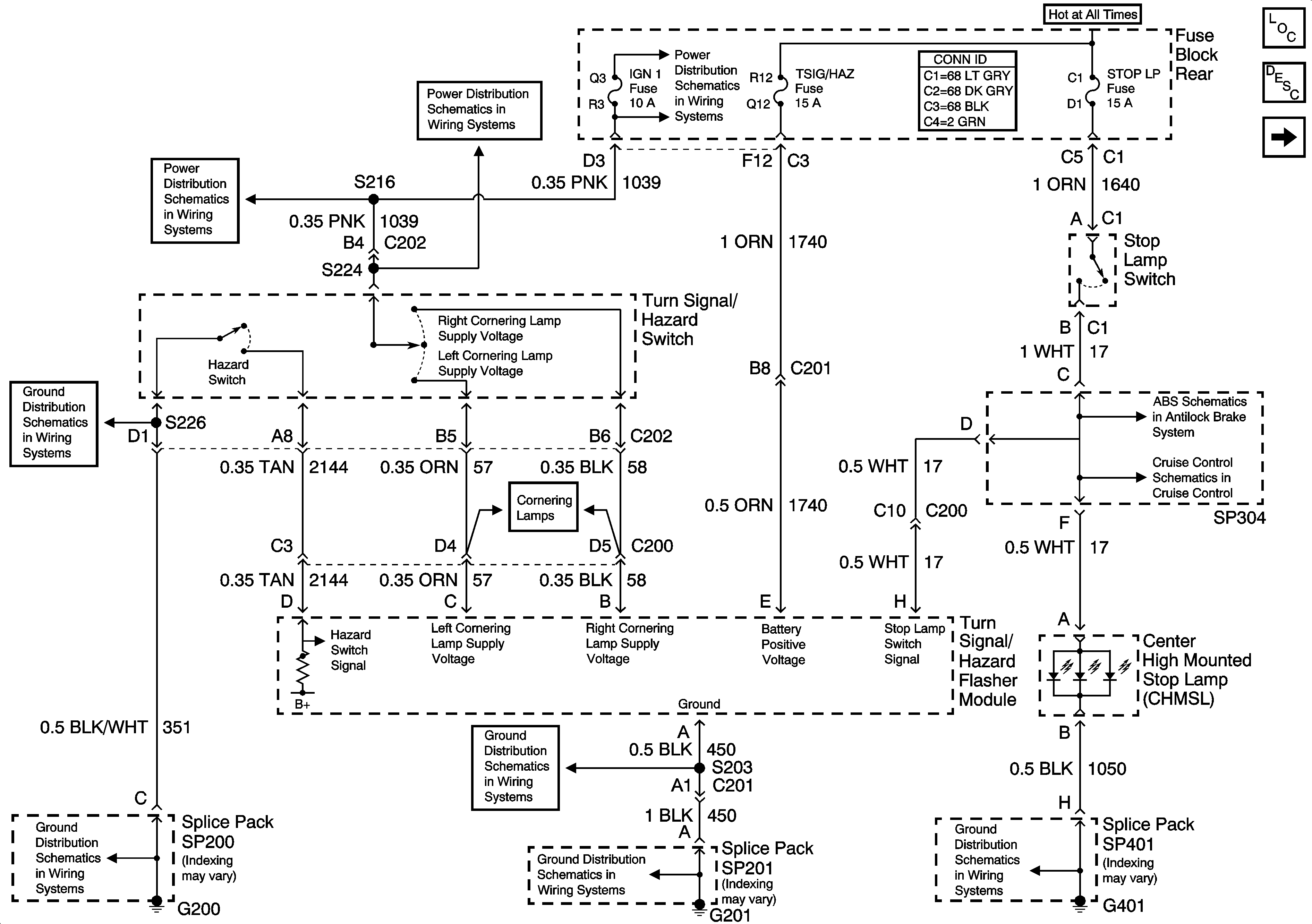
Figure 1:

Turn Signal Switch and Hazard Flasher Module Inputs


Object Number: 686180  Size: FS
Master Electrical Component List
Park Lamp Relay
G401 (1 of 2)
G201
G201
G200 (1 of 2)
G200 (1 of 2)
IGN-1, VENT SOL, and SIR Fuses (Fuse Block Rear)
IGN-1, VENT SOL, and SIR Fuses (Fuse Block Rear)
IGN-1, VENT SOL, and SIR Fuses (Fuse Block Rear)
Figure 2:

Park Lamp Relay


Object Number: 686189  Size: FS
Master Electrical Component List
License, Underhood and Cornering Lamps
Turn Signal Switch and Hazard Flasher Module Inputs
Passengers Side Exterior Lamps
Drivers Side Exterior Lamps
License, Underhood and Cornering Lamps
Low Beam Headlamps
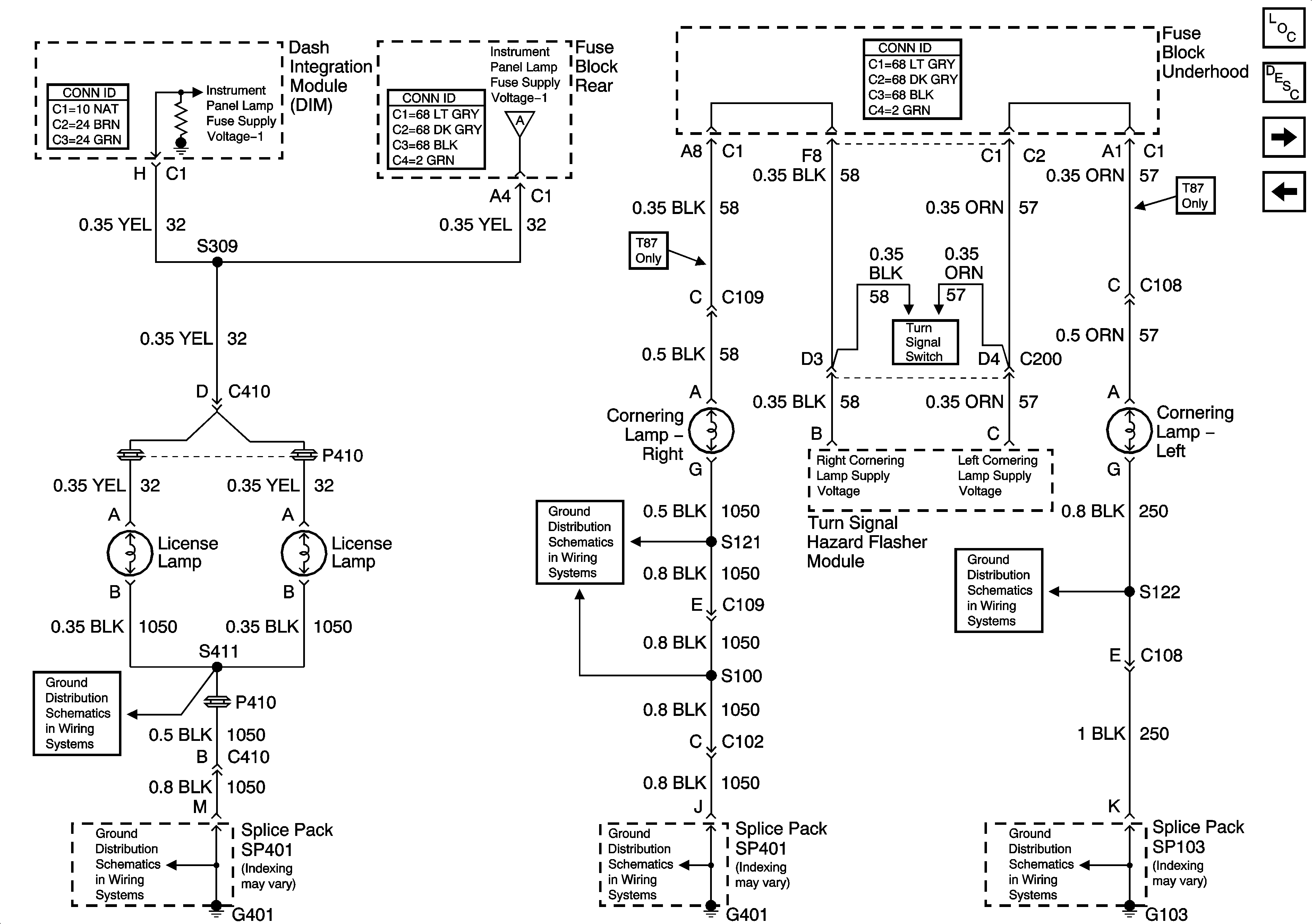
Figure 3:

License, Underhood and Cornering Lamps


Object Number: 686192  Size: FS
Master Electrical Component List
Drivers Side Exterior Lamps
Park Lamp Relay
G103
G103
G401 (2 of 2)
G106, G107, and G101
G401 (1 of 2)
G401 (1 of 2)
G401 (2 of 2)
Park Lamp Relay
Turn Signal Switch and Hazard Flasher Module Inputs
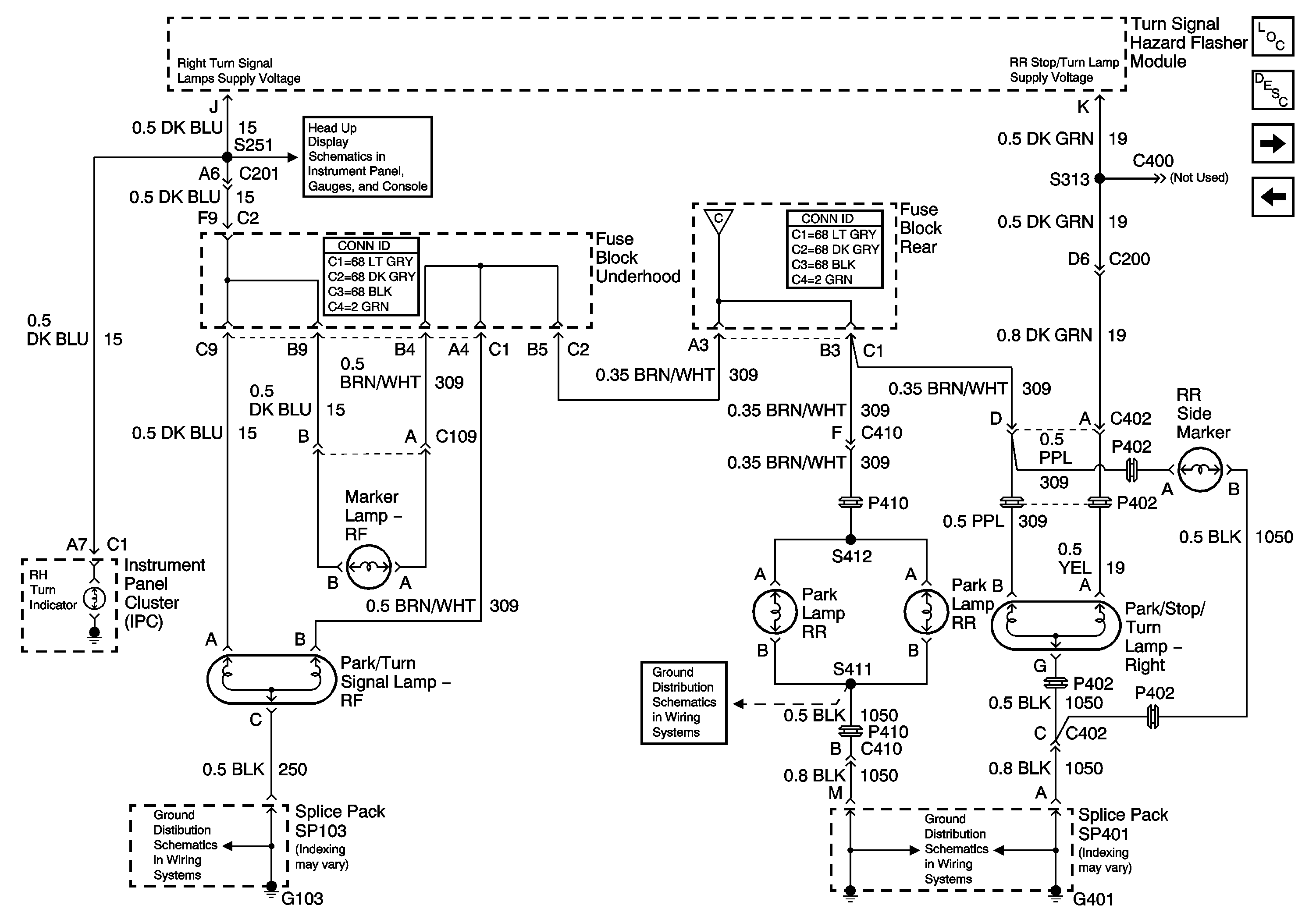
Figure 4:

Drivers Side Exterior Lamps


Object Number: 686196  Size: FS
Master Electrical Component List
Passengers Side Exterior Lamps
License, Underhood and Cornering Lamps
G402
G401 (1 of 2)
G401 (1 of 2)
G103
Head up Display Schematic
Park Lamp Relay
Figure 5:

Passengers Side Exterior Lamps


Object Number: 686199  Size: FS
Master Electrical Component List
Backup Lights
Drivers Side Exterior Lamps
G401 (1 of 2)
G401 (1 of 2)
G103
Head up Display Schematic
Park Lamp Relay
Figure 6:

Backup Lights


Object Number: 686201  Size: FS
Master Electrical Component List
Passengers Side Exterior Lamps
Serial Data Class 2
G401 (1 of 2)
G401 (1 of 2)
Inside Rear View Mirror (w/DD7 or w/DD8)
IGN SW and NSBU Fuses (Fuse Block Rear)