GM Service Manual Online
For 1990-2009 cars only
Makes
🢒
Buick
🢒
2003
🢒
LeSabre
🢒
Body and Accessories
🢒
Theft Deterrent
🢒 Theft Deterrent System Schematics
Figure
1:
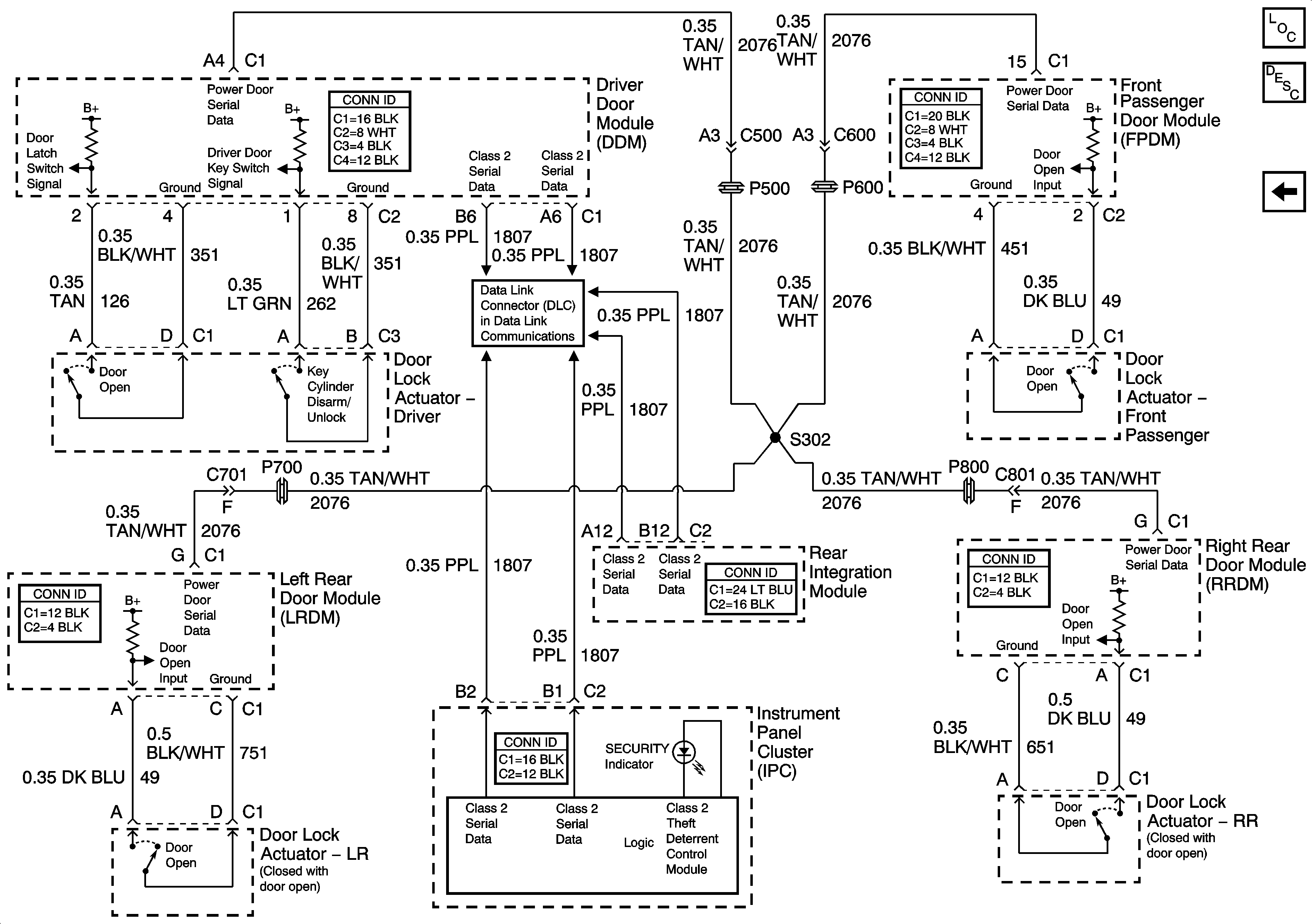
Vehicle Theft Deterrent (VTD) System
Master Electrical Component List
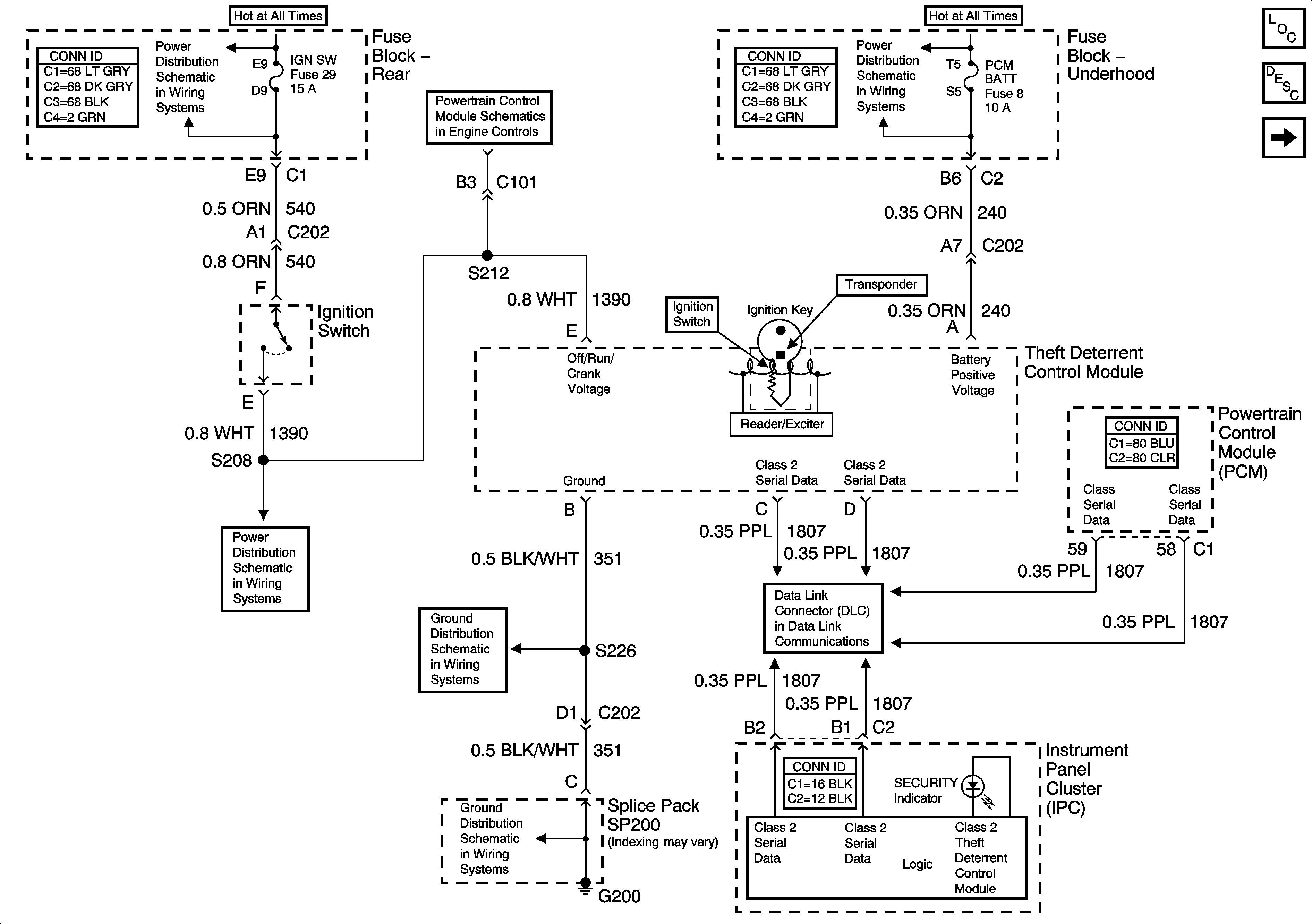
Content Theft Deterrent (CTD) System
Park Lamp Relay
Horns Schematics
Serial Data Class 2
G200 (1 of 2)
G200 (1 of 2)
Ignition Switch (2 of 2)
IGN SW and NSBU Fuses (Fuse Block Rear)
IGN SW and NSBU Fuses (Fuse Block Rear)
High and Low Beam Relays, ABS, PCM BATT, High and Low Beam Fuses
Figure
2:
Content Theft Deterrent (CTD) System
Master Electrical Component List
Vehicle Theft Deterrent (VTD) System
Serial Data Class 2