GM Service Manual Online
For 1990-2009 cars only
Figure 1:

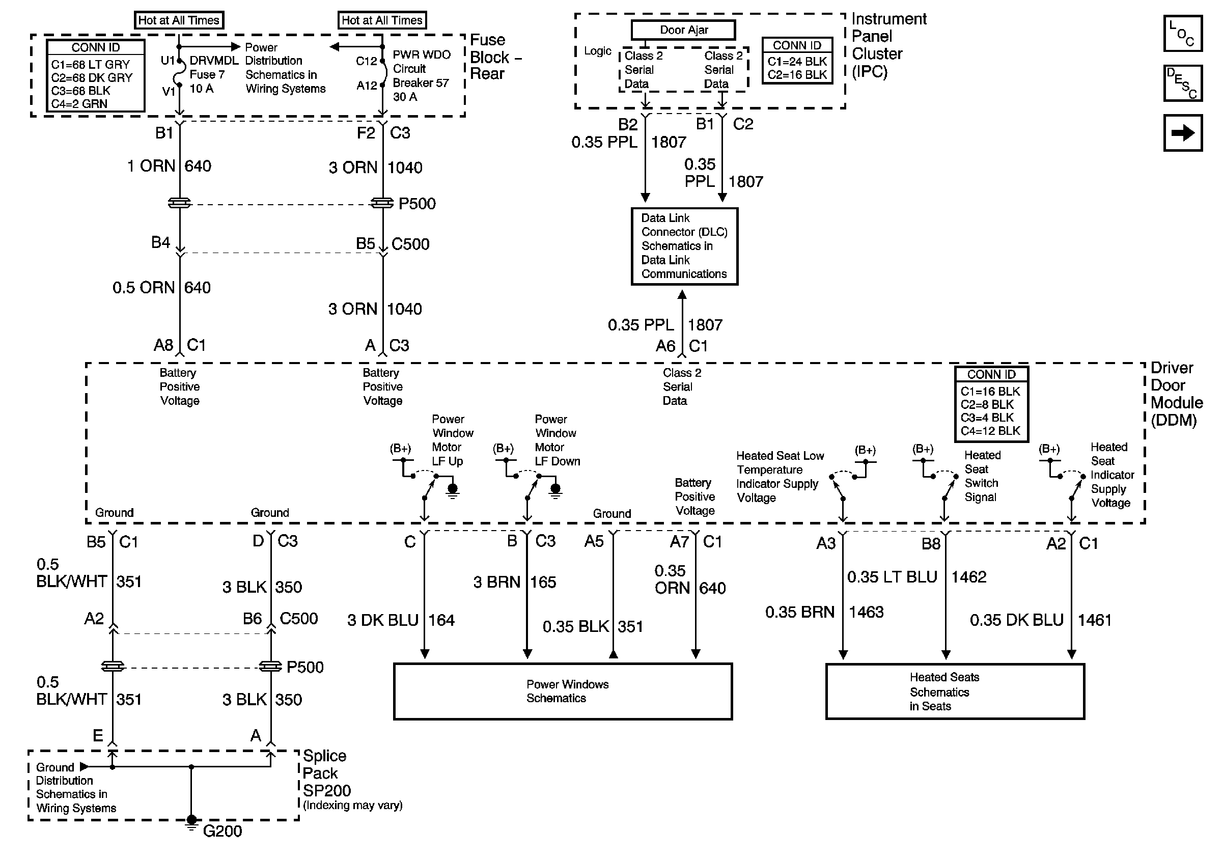
Driver Door Module (DDM) Power and Ground


Object Number: 886655  Size: FS
Master Electrical Component List
Front Passenger Door Module (FPDM) Power and Ground
Driver Front Heated Seat Switch
Driver Door
HVAC BATT, DDM, FPDM, LRDM Fuses (Fuse Block Rear)
PWR WDO and PWR SEAT Circuit Breakers (Fuse Block Rear)
Serial Data Class 2
Figure 2:

Front Passenger Door Module (FPDM) Power and Ground


Object Number: 886657  Size: FS
Master Electrical Component List
Driver Door Module (DDM) Inputs/Outputs
Driver Door Module (DDM) Power and Ground
Front Passenger Door
G201
Front Passenger Climate Control (w/CJ2)
HVAC BATT, DDM, FPDM, LRDM Fuses (Fuse Block Rear)
PWR WDO and PWR SEAT Circuit Breakers (Fuse Block Rear)
Front Passenger Climate Control (w/CJ2)
Front Passenger Front Heated Seat Switch
Figure 3:

Driver Door Module (DDM) Inputs/Outputs


Object Number: 675902  Size: FS
Master Electrical Component List
Front Passenger Door Module (FPDM) Inputs/Outputs
Front Passenger Door Module (FPDM) Power and Ground
Driver Door
Driver Mirror and Front Passenger Mirror
Figure 4:

Front Passenger Door Module (FPDM) Inputs/Outputs


Object Number: 675906  Size: FS
Master Electrical Component List
Left Rear Door Module (LRDM)
Driver Door Module (DDM) Inputs/Outputs
Front Passenger Door
Driver Mirror and Front Passenger Mirror
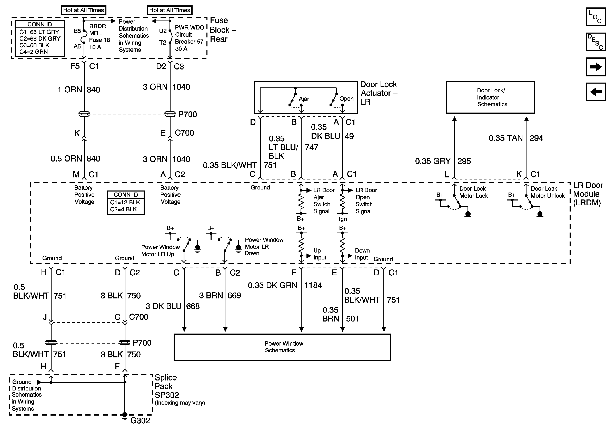
Figure 5:

Left Rear Door Module (LRDM)


Object Number: 886659  Size: FS
Master Electrical Component List
Right Rear Door Module (RRDM)
Front Passenger Door Module (FPDM) Inputs/Outputs
Left Rear Door and Right Rear Door
G301 (2 of 2)
HTDST RF, HTDST LF, DIM, and MEM Fuses (Fuse Block Rear)
PWR WDO and PWR SEAT Circuit Breakers (Fuse Block Rear)
Left Rear Door and Right Rear Door
Figure 6:

Right Rear Door Module (RRDM)


Object Number: 886660  Size: FS
Master Electrical Component List
Driver Door Switch Assembly (DDSA)
Left Rear Door Module (LRDM)
Left Rear Door and Right Rear Door
Left Rear Door and Right Rear Door
G301 (2 of 2)
HTDST RF, HTDST LF, DIM, and MEM Fuses (Fuse Block Rear)
PWR WDO and PWR SEAT Circuit Breakers (Fuse Block Rear)
Figure 7:

Driver Door Switch Assembly (DDSA)


Object Number: 675917  Size: FS
Master Electrical Component List
Power Door Serial Data
Right Rear Door Module (RRDM)
Front Doors Dimming
Front Doors Dimming
Figure 8:

Power Door Serial Data


Object Number: 675922  Size: FS
Master Electrical Component List
Driver Door Switch Assembly (DDSA)