GM Service Manual Online
For 1990-2009 cars only
Makes
🢒
Buick
🢒
2003
🢒
LeSabre
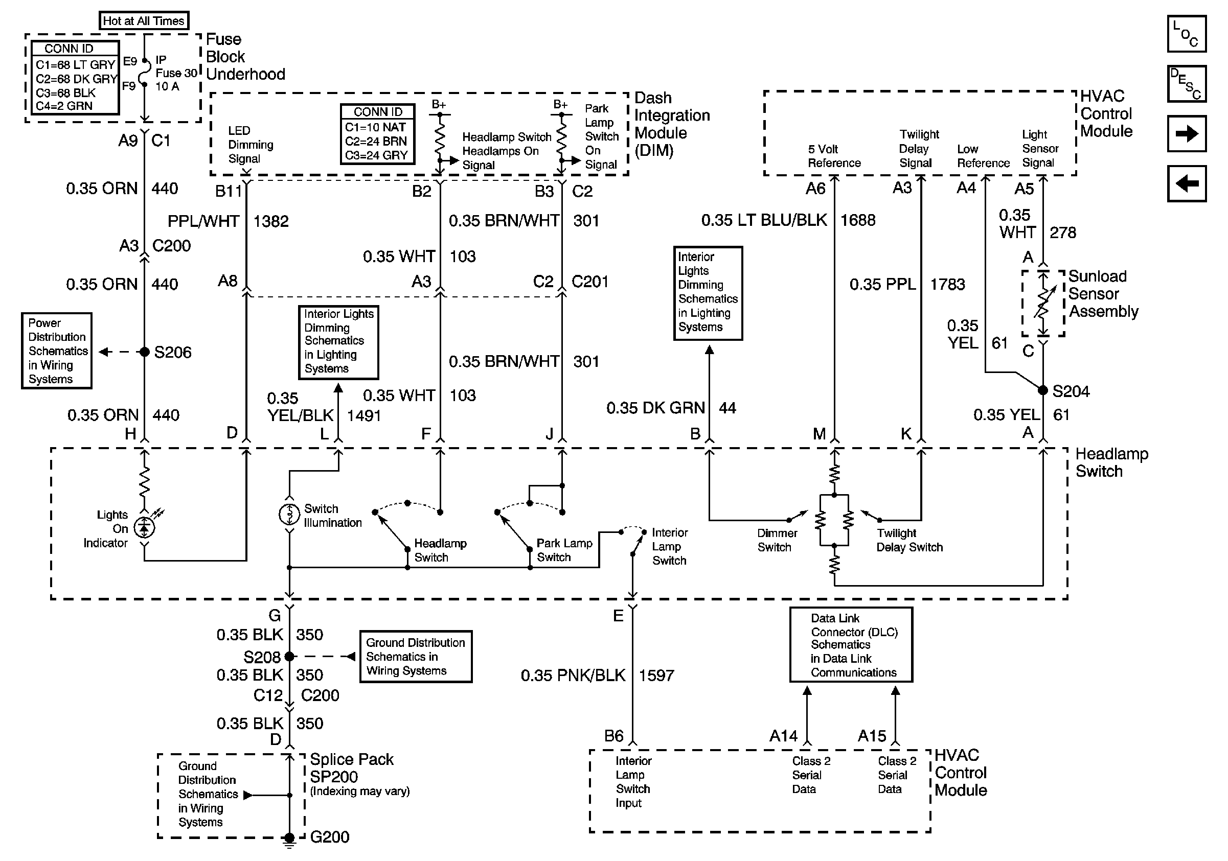
🢒 Headlamp Switch and Sunload Sensor Assembly (w/C67)
Headlamp Switch and Sunload Sensor Assembly (w/C67)
Headlamp Switch and Sunload Sensor Assembly (w/C67)
Master Electrical Component List
DRL, High Beam Headlamps and Dimmer Switch
Headlamp Switch and Sunload Sensor Assembly (w/CJ2)
Serial Data Class 2
G200 (2 of 2)
G200 (2 of 2)
IP, CIGAR, AUX PWR and C/LTR Fuses and CIGAR Relay (Fuse Block Rear)
IP, CIGAR, AUX PWR and C/LTR Fuses and CIGAR Relay (Fuse Block Rear)
Instrument Panel And Console Dimming
Dimming Control