GM Service Manual Online
For 1990-2009 cars only
Makes
🢒
Buick
🢒
2003
🢒
LeSabre
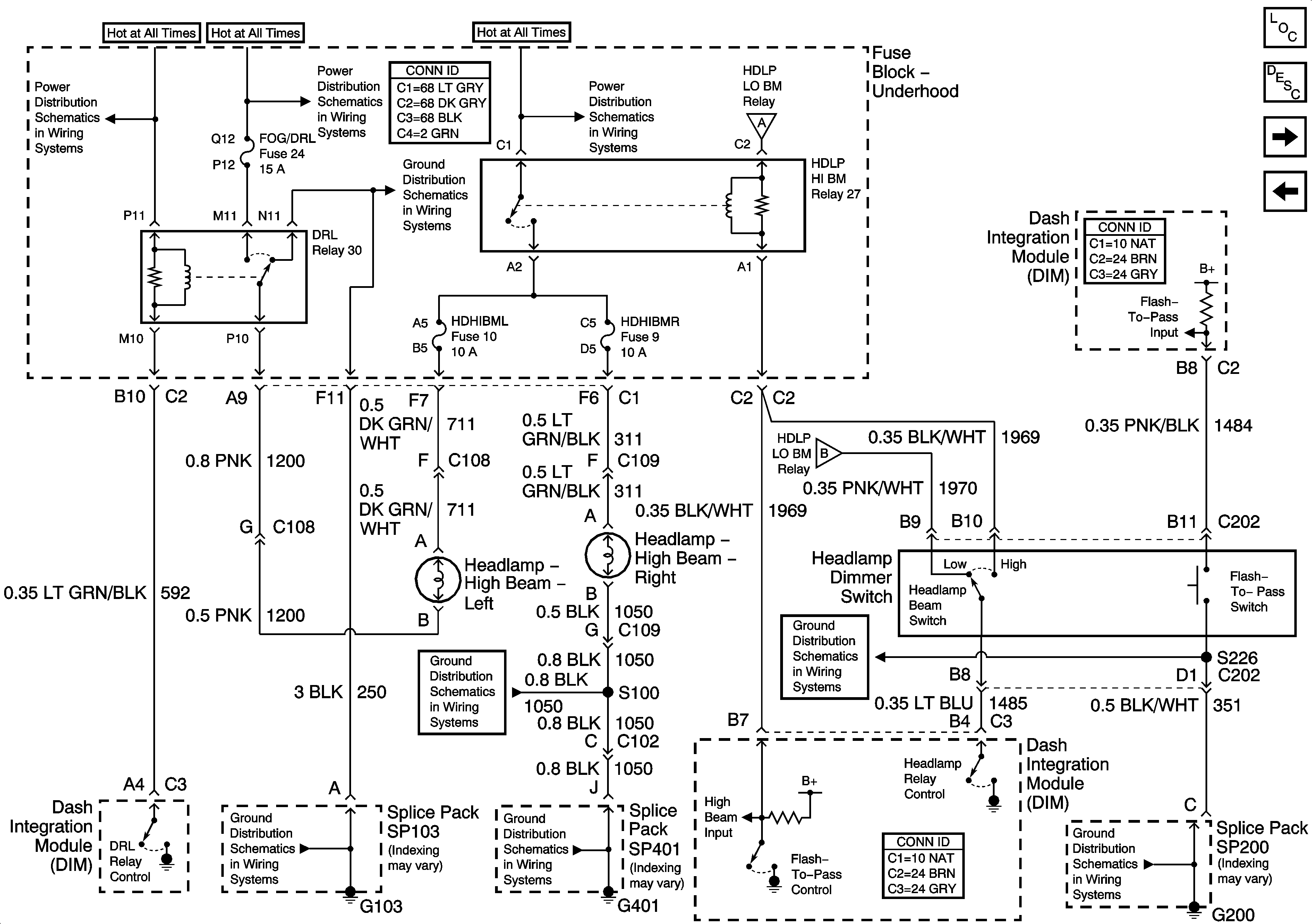
🢒 DRL, High Beam Headlamps and Dimmer Switch
DRL, High Beam Headlamps and Dimmer Switch
DRL, High Beam Headlamps and Dimmer Switch
Master Electrical Component List
034H Low Beam Headlamps
Headlamp Switch and Sunload Sensor Assembly (w/C67)
G200 (1 of 2)
034H Low Beam Headlamps
G200 (1 of 2)
G401 (2 of 2)
G401 (2 of 2)
G103
Battery Feed to Underhood Fuse Block
Battery Feed to Underhood Fuse Block
G103
High and Low Beam Relays, ABS, PCM BATT, High and Low Beam Fuses
034H Low Beam Headlamps