GM Service Manual Online
For 1990-2009 cars only
Makes
🢒
Buick
🢒
2004
🢒
LeSabre
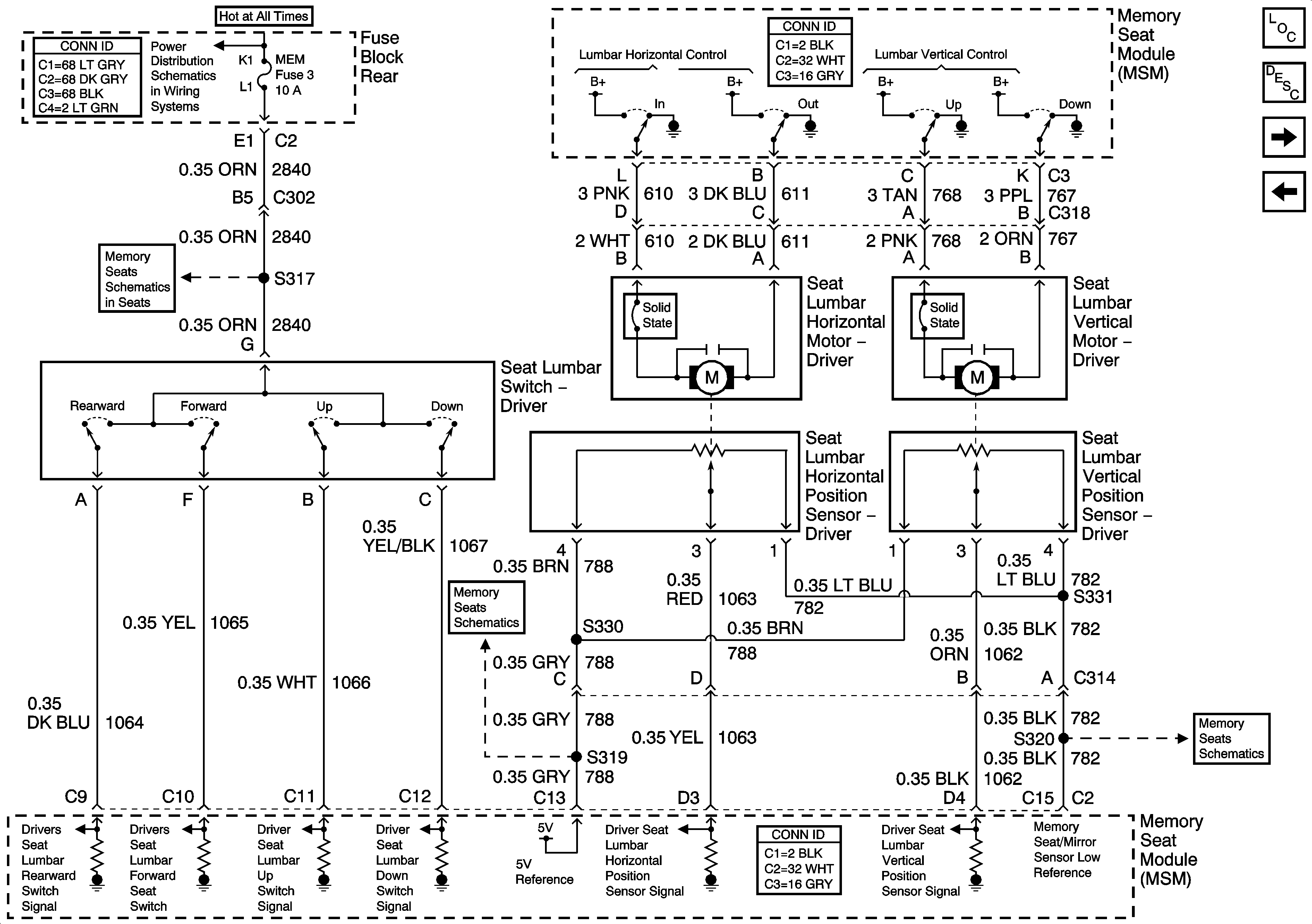
🢒 Lumbar (w/ Memory)
Lumbar (w/ Memory)
Lumbar (w/ Memory)
Master Electrical Component List
Driver Front Heated Seat Module
Driver Seat Switch and Motors (w/AG1 and w/A80)
Power, Ground, Driver Seat Switch and Memory Seat Module (MSM)
HTDST RF, HTDST LF, DIM, and MEM Fuses (Fuse Block Rear)