GM Service Manual Online
For 1990-2009 cars only
Makes
🢒
Buick
🢒
2005
🢒
LeSabre
🢒
Transmission/Transaxle
🢒
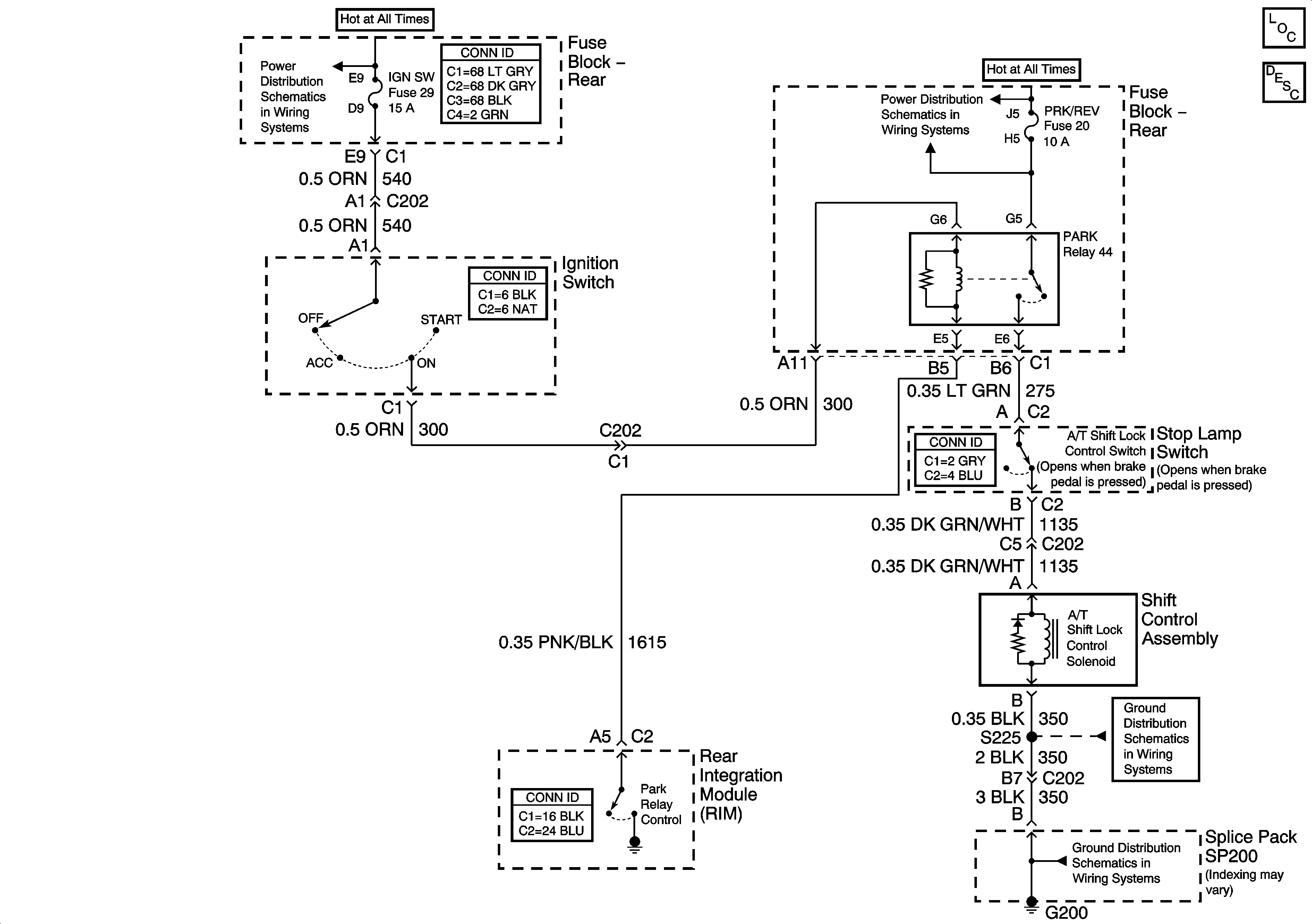
Shift Lock Control
🢒 Shift Lock Control Schematics
A/T Shift Lock Control Solenoid - Class 2
Master Electrical Component List
Automatic Transmission Shift Lock Control Description and Operation
Fuse Block Rear - IGN SW and NSBU Fuses
Battery Feed to Underhood Fuse Block
G200 - 1 of 2
G200 - 1 of 2