GM Service Manual Online
For 1990-2009 cars only
Makes
🢒
Buick
🢒
2005
🢒
LeSabre
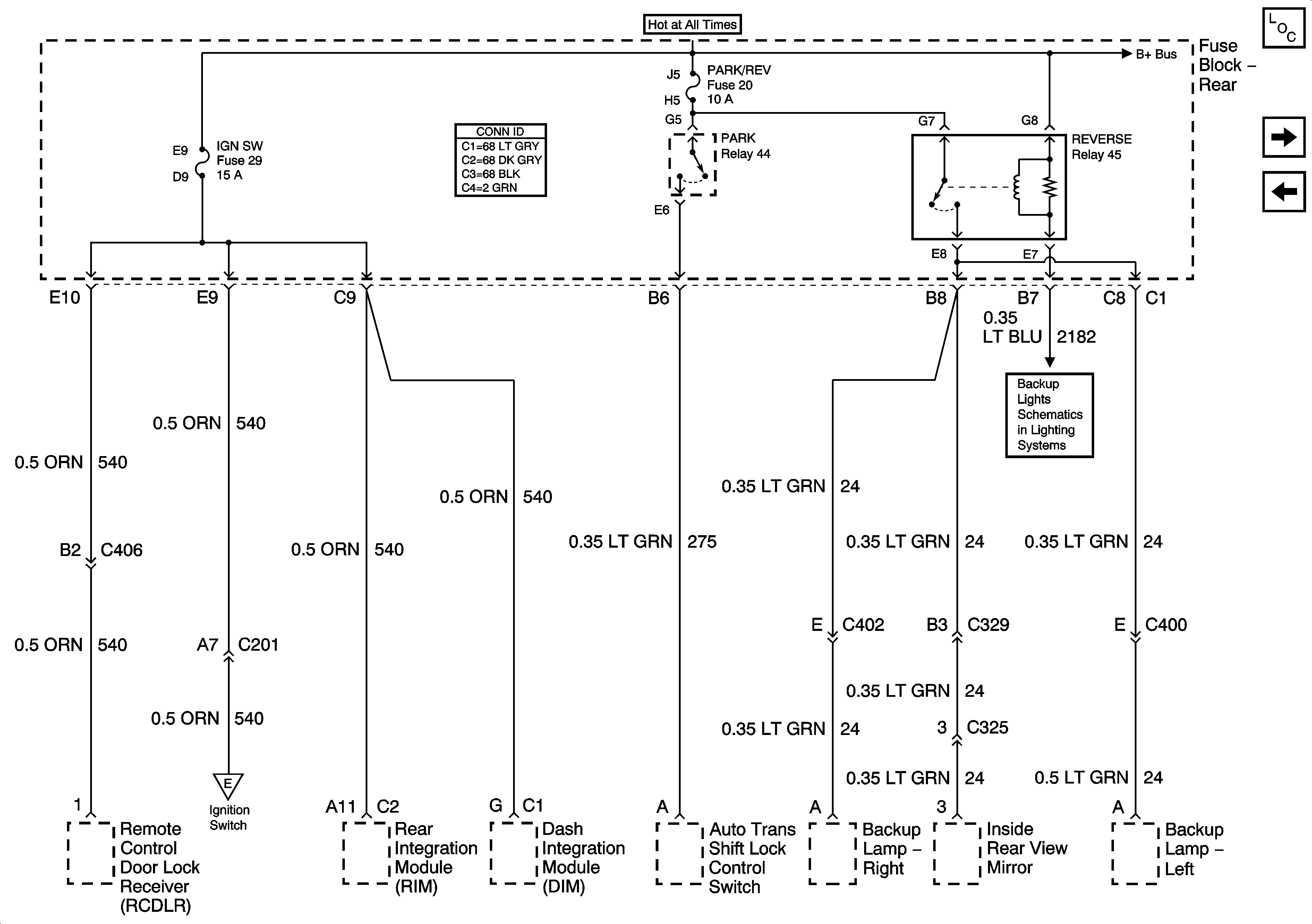
🢒 Fuse Block Rear - IGN SW and NSBU Fuses
Fuse Block Rear - IGN SW and NSBU Fuses
Fuse Block Rear - IGN SW and NSBU Fuses
Master Electrical Component List
Ignition Switch - 1 of 2
Fuse Block Rear - I/P, CIGAR, AUX PWR and C/LTR Fuses and CIGAR Relay
Backup Lamps
Ignition Switch - 1 of 2