GM Service Manual Online
For 1990-2009 cars only
Makes
🢒
Buick
🢒
2005
🢒
LeSabre
🢒 Air Delivery (C67)
Air Delivery (C67)
Air Delivery (w/C67)
Master Electrical Component List
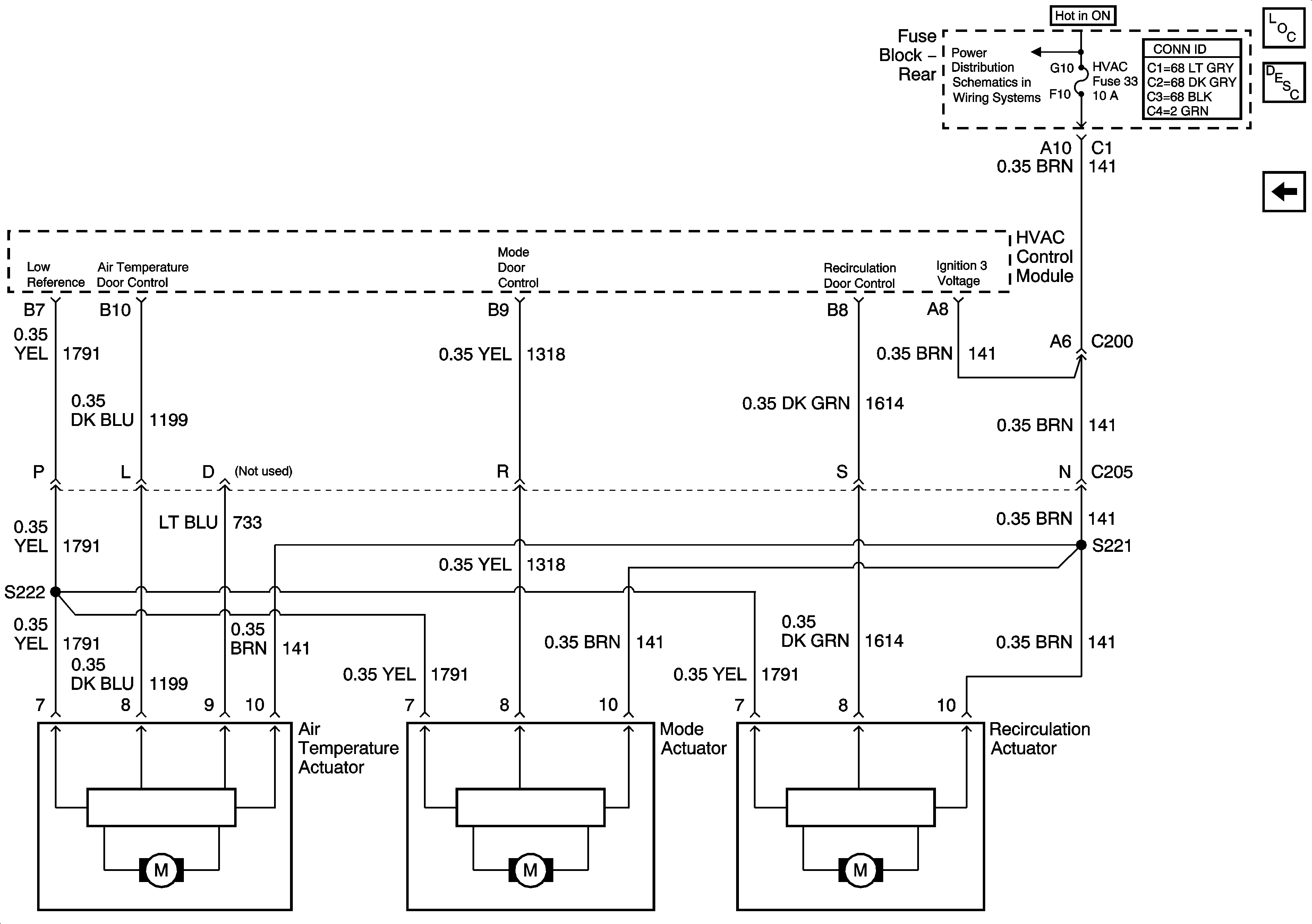
Air Delivery Description and Operation
A/C Compressor Control (C67)
Block Rear - HVAC Fuse