GM Service Manual Online
For 1990-2009 cars only
Makes
🢒
Buick
🢒
2005
🢒
LeSabre
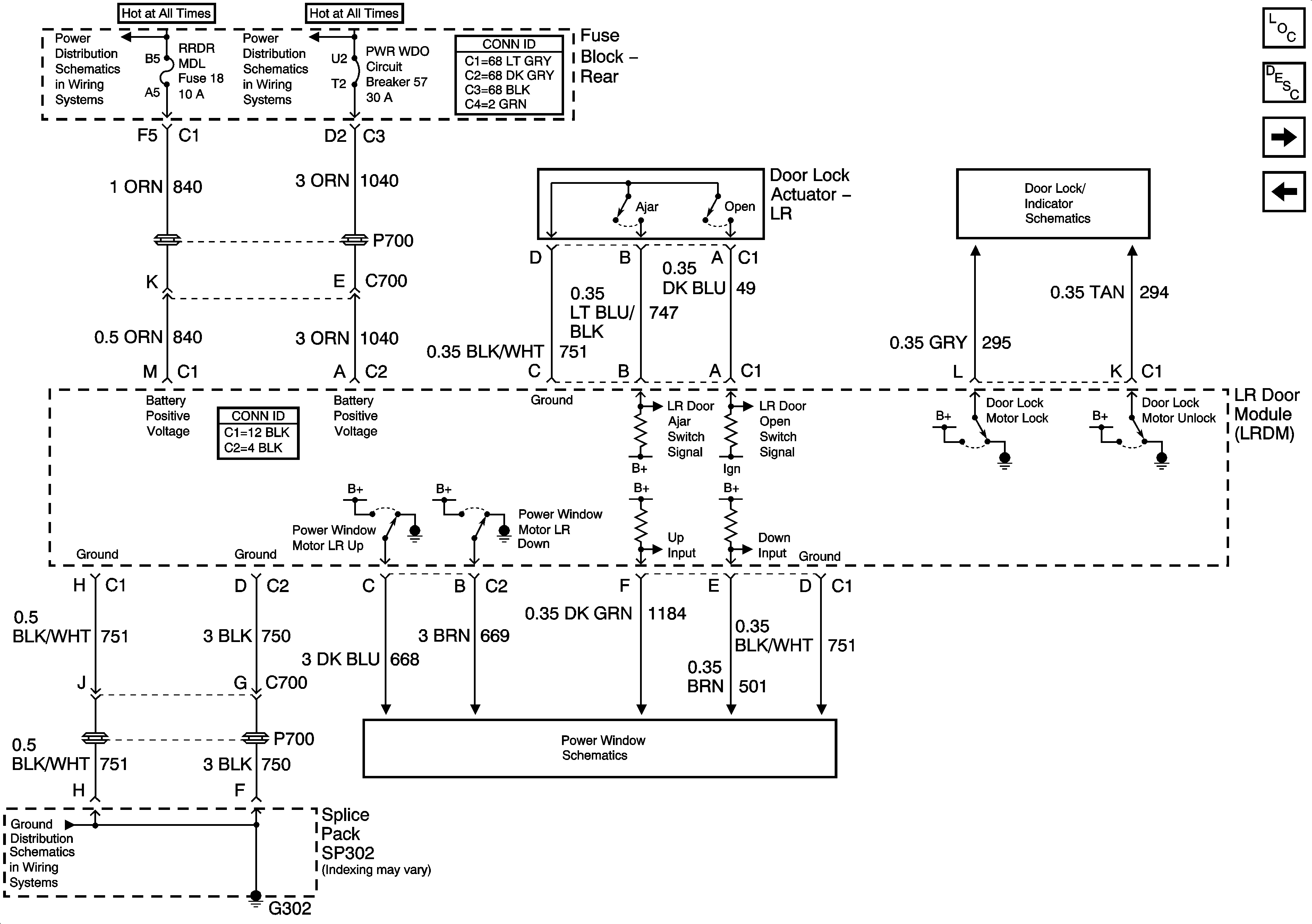
🢒 Left Rear Door Module (LRDM)
Left Rear Door Module (LRDM)
Left Rear Door Module (LRDM)
Master Electrical Component List
Power Windows Description and Operation
Right Rear Door Module (RRDM)
Front Passenger Door Module (FPDM) Inputs/Outputs
Fuse Block Rear - HVAC BATT, DDM, FPDM and LRDM Fuses
Fuse Block Rear - PWR WDO and PWR SEAT Circuit Breakers
Left Rear Door and Right Rear Door
Left Rear Door and Right Rear Door
G300 and G302