GM Service Manual Online
For 1990-2009 cars only
Makes
🢒
Buick
🢒
2005
🢒
LeSabre
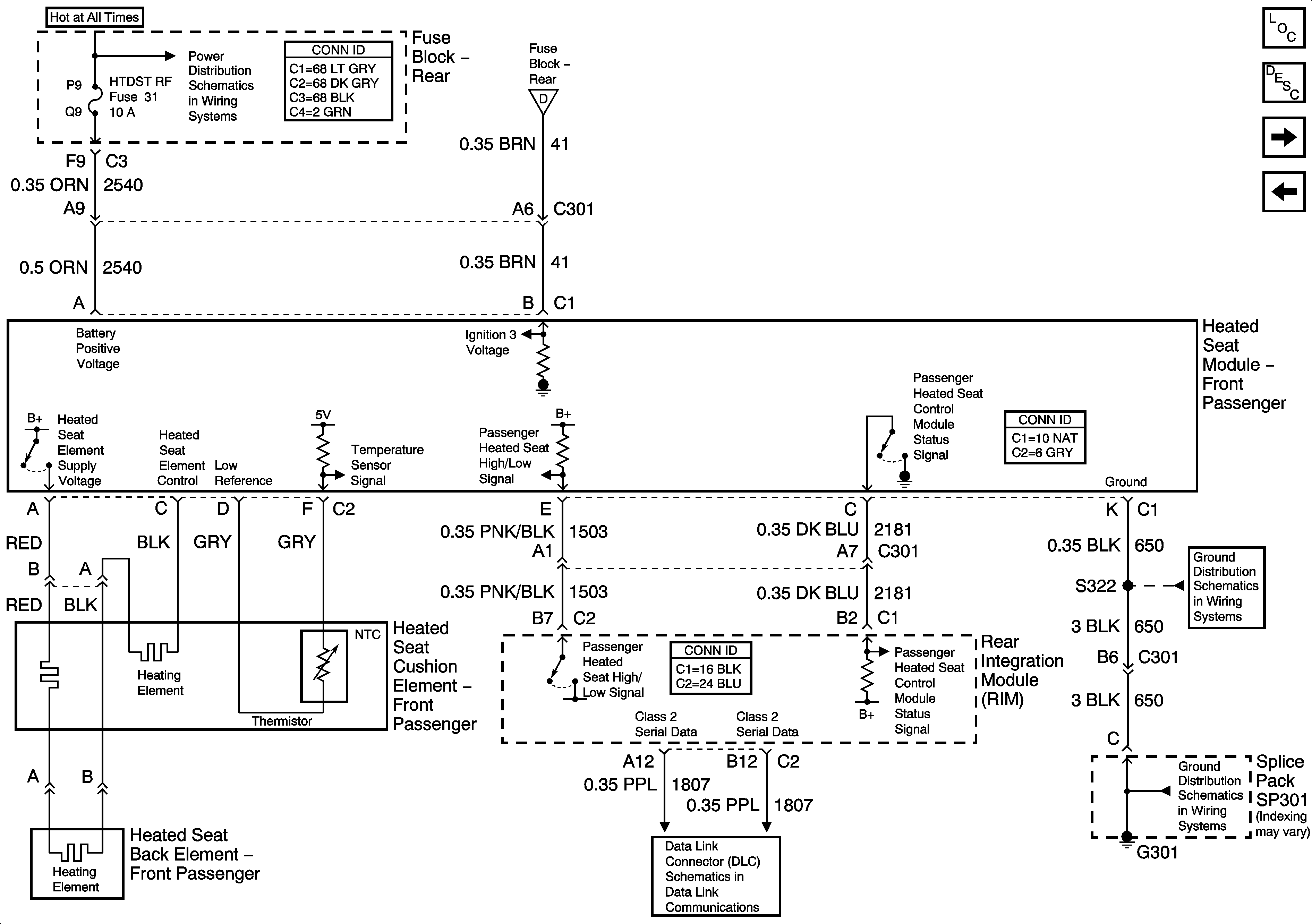
🢒 Front Passenger Front Heated Seat Module
Front Passenger Front Heated Seat Module
Front Passenger Front Heated Seat Module
Master Electrical Component List
Heated Seats Description and Operation
Front Passenger Front Heated Seat Switch
Front Passenger Seat Switch and Motors (AG2/A81)
Fuse Block Rear - HTDST RF, HTDST LF, DIM, and MEM Fuses
Driver Front Heated Seat Module
G301 - 2 of 2
Serial Data Class 2
G301 - 2 of 2