GM Service Manual Online
For 1990-2009 cars only
Makes
🢒
Buick
🢒
2006
🢒
Lucerne
🢒
Vehicle Control Systems
🢒
Vehicle DTC Information
🢒 Automatic Transmission Controls Schematics
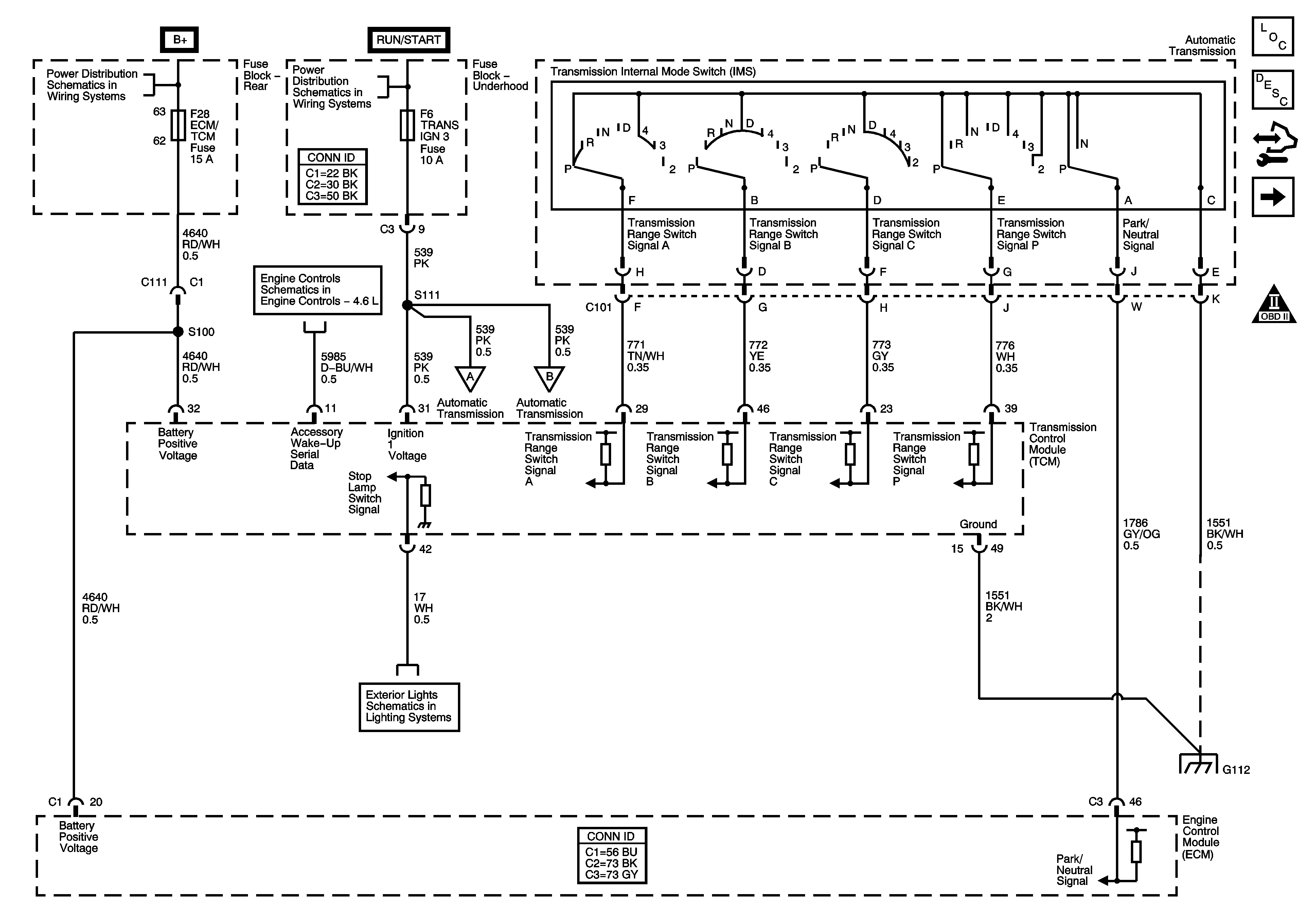
Figure
1:
TCM Power Ground
Master Electrical Component List
Electronic Component Description
Control Module References
Solenoids and VSS
Automatic Transmission Schematic Icons
Rear Fuse Block B+
Underhood Fuse Block B+
Power, Ground, MIL, and DLC
Solenoids and VSS
Solenoids and VSS
Rear Stop/Turn Signal Lamps
G100, G112 (LD8)
Figure
2:
Transmission Solenoids and VSS
Master Electrical Component List
Electronic Component Description
Control Module References
TCM Power and Ground
Automatic Transmission Schematic Icons
TCM Power and Ground
TCM Power and Ground
Automatic Transmission Schematic Icons
Automatic Transmission Schematic Icons
Automatic Transmission Schematic Icons
High Speed Serial Data