GM Service Manual Online
For 1990-2009 cars only
Makes
🢒
Buick
🢒
2006
🢒
Lucerne
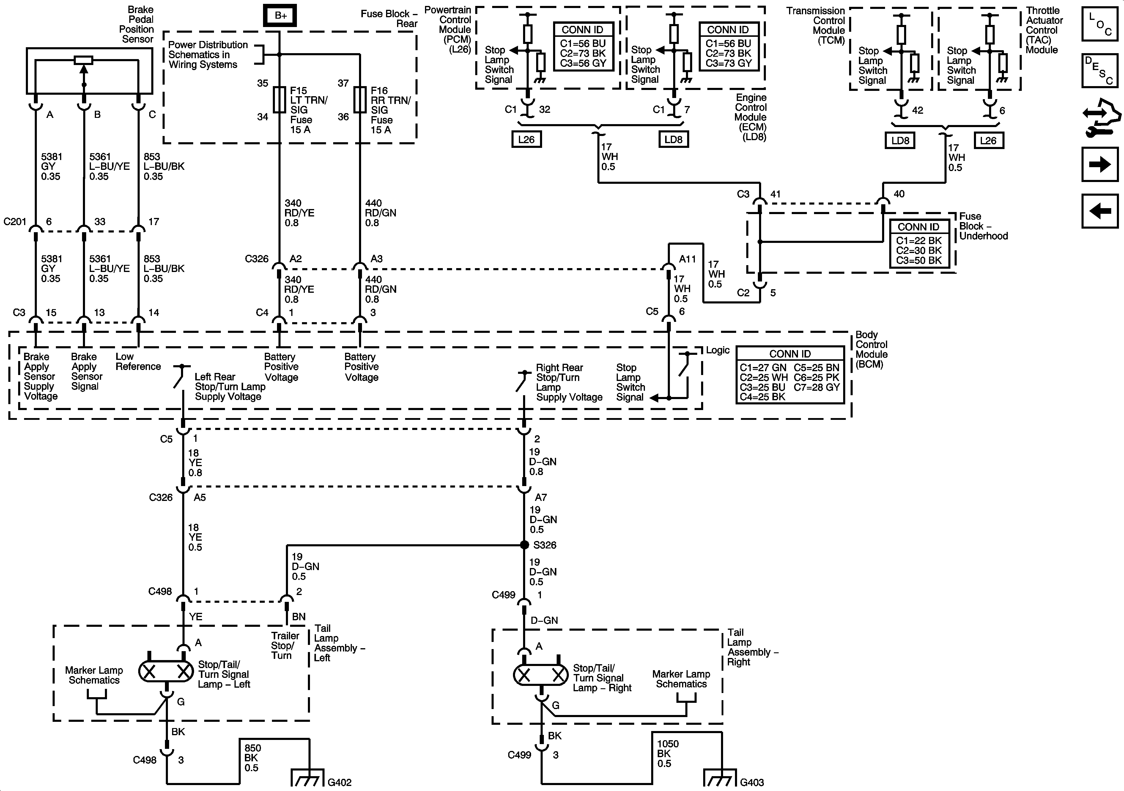
🢒 Rear Stop/Turn Signal Lamps
Rear Stop/Turn Signal Lamps
Stop/Rear Turn Signal Lamps
Master Electrical Component List
Exterior Lighting Systems Description and Operation
Control Module References
Center High Mounted Stop Lamp, Auxiliary Tail Lamps
Cornering Lamps
Rear Fuse Block B+
Front Park, Marker Lamps
Front Park, Marker Lamps
G402
G403