GM Service Manual Online
For 1990-2009 cars only
Makes
🢒
Buick
🢒
2006
🢒
Lucerne
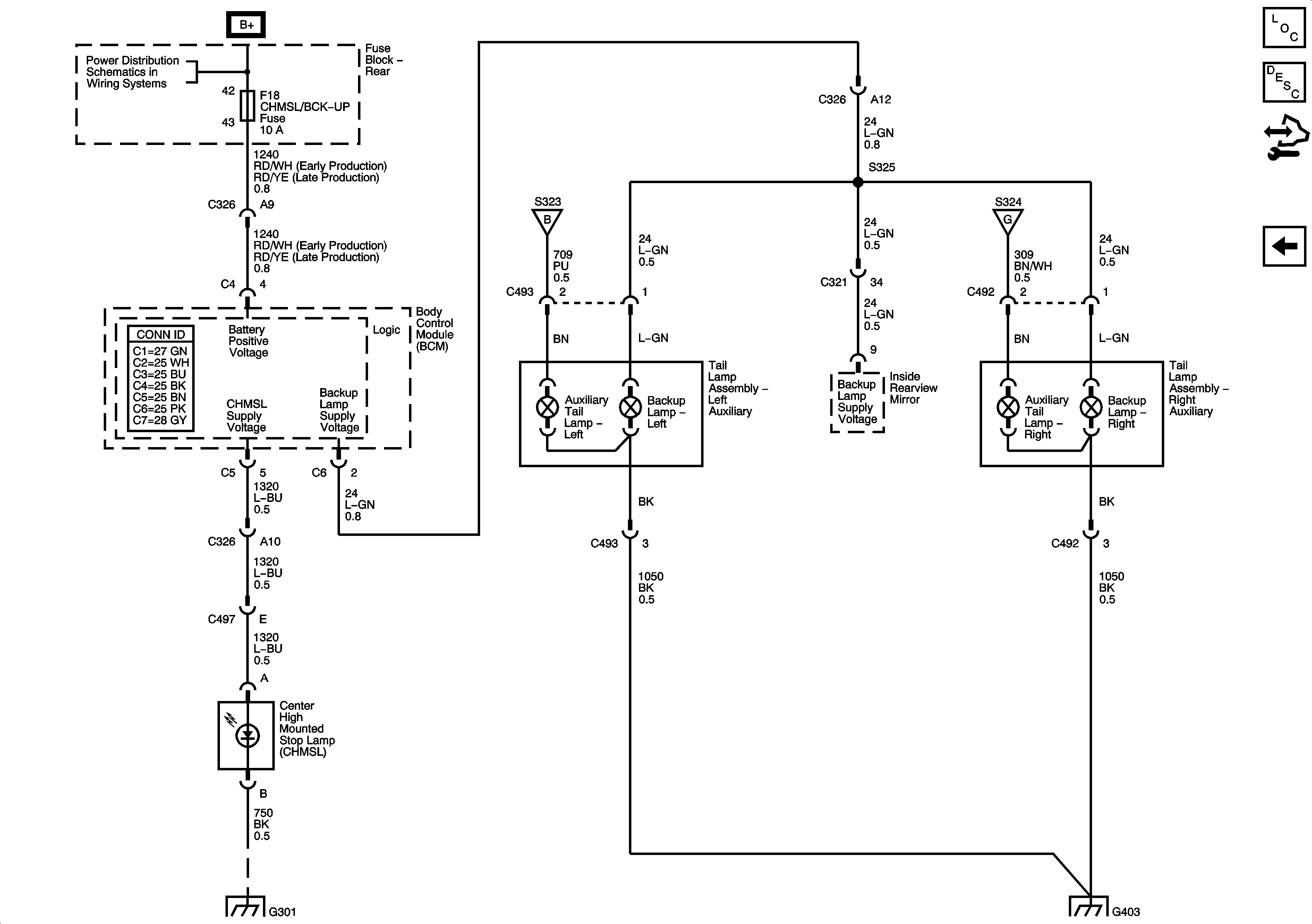
🢒 Center High Mounted Stop Lamp, Auxiliary Tail Lamps
Center High Mounted Stop Lamp, Auxiliary Tail Lamps
Center High Mounted Stop Lamp, Auxiliary Tail Lamps
Master Electrical Component List
Exterior Lighting Systems Description and Operation
Control Module References
Rear Stop/Turn Signal Lamps
Rear Fuse Block B+
Front Park, Marker Lamps
Front Park, Marker Lamps
G301
G403