GM Service Manual Online
For 1990-2009 cars only
Makes
🢒
Buick
🢒
2006
🢒
Lucerne
🢒
Accessories
🢒
Cellular Communication
🢒 OnStar Schematics
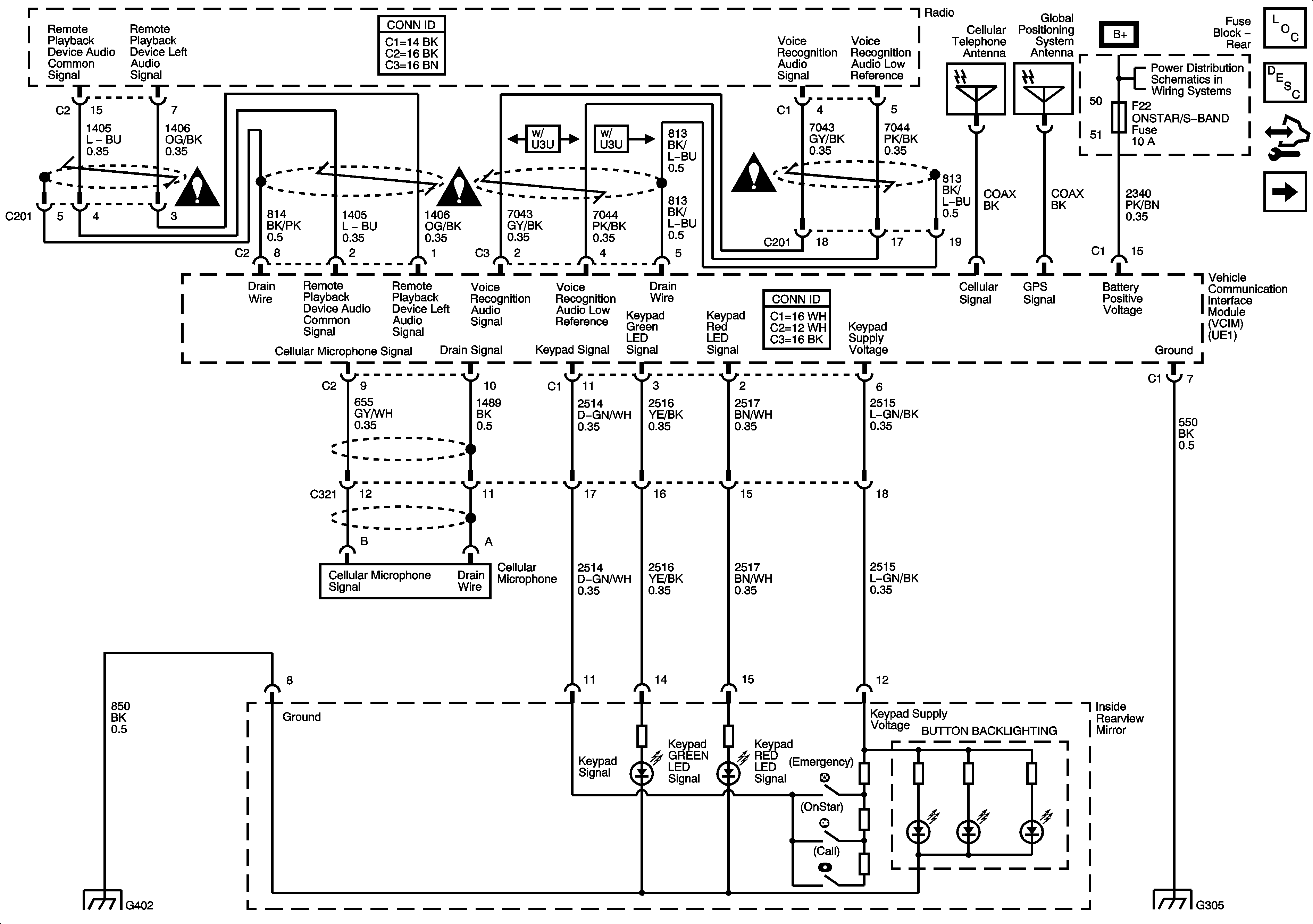
Figure
1:
OnStar - UE1
Master Electrical Component List
OnStar Description and Operation
Control Module References
Data Link Communications
Cellular Communication Schematic Icons
Cellular Communication Schematic Icons
Cellular Communication Schematic Icons
Rear Fuse Block B+
Power, Ground, and Low Speed GMLAN
G402
G305
Figure
2:
Data Link Communication
Master Electrical Component List
OnStar Description and Operation
Control Module References
UE1
Power, Ground, and Low Speed GMLAN
High Speed Serial Data