GM Service Manual Online
For 1990-2009 cars only
Makes
🢒
Buick
🢒
2006
🢒
Lucerne
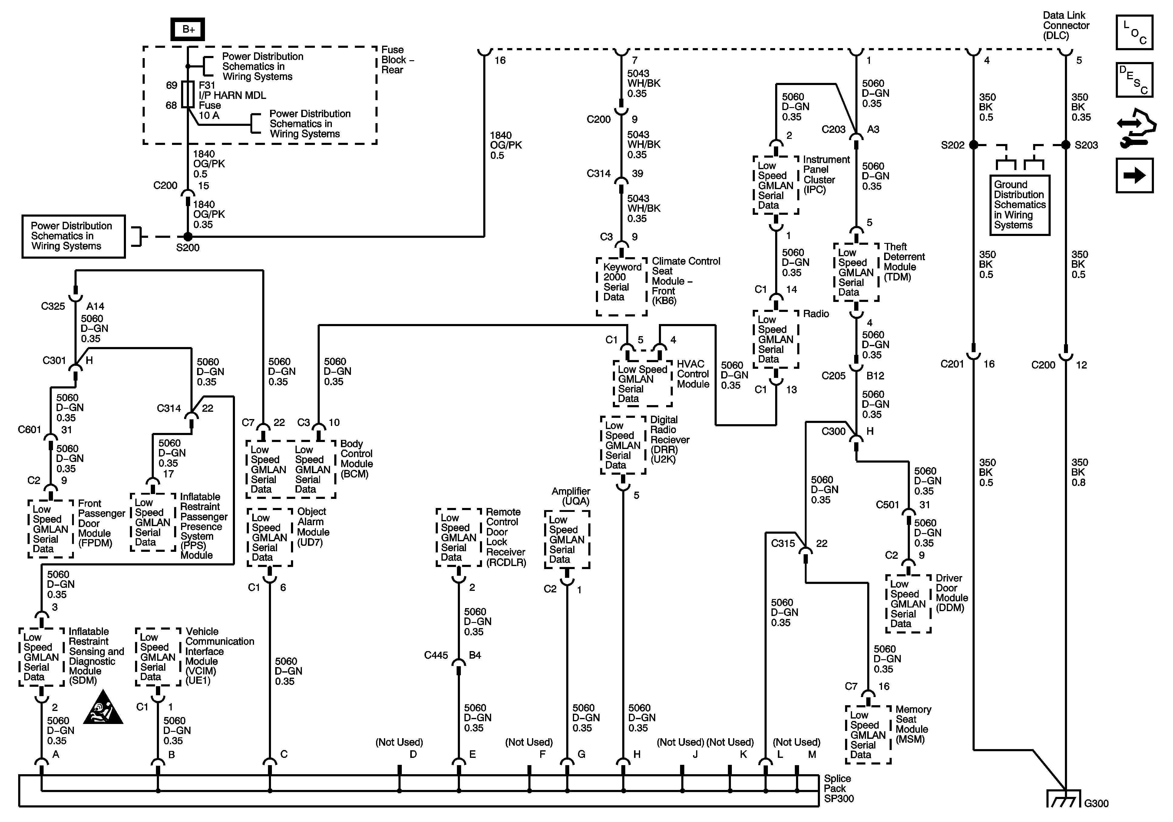
🢒 Power, Ground, and Low Speed GMLAN
Power, Ground, and Low Speed GMLAN
DLC Power Ground and Low Speed GMLAN
Master Electrical Component List
Data Link Communications Description and Operation
Control Module References
High Speed Serial Data
Rear Fuse Block B+
PRK LAMP, DRL Relays, IP HARN MDL, LT PRK LAMP, RT PRK LAMP, DRL Fuses
PRK LAMP, DRL Relays, IP HARN MDL, LT PRK LAMP, RT PRK LAMP, DRL Fuses
G300
Computer/Integrating Systems Schematic Icons
G300