GM Service Manual Online
For 1990-2009 cars only

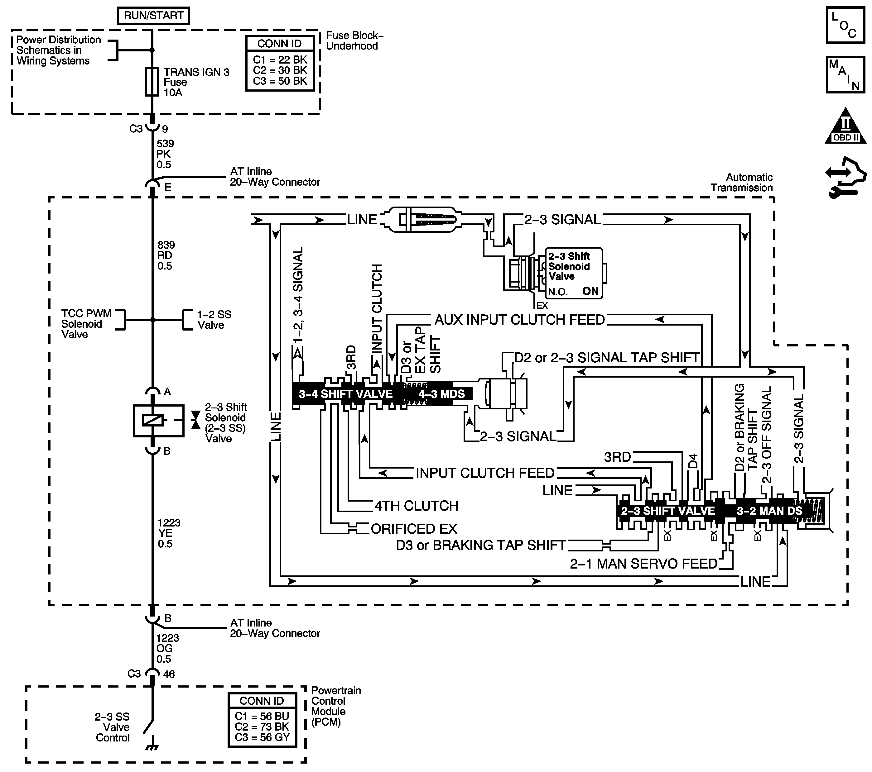
Object Number: 1778669  Size: LF
Master Electrical Component List
Automatic Transmission Controls Schematics
OBD II Symbol Description Notice
Control Module References

Circuit Description

The 2-3 shift solenoid (2-3 SS) valve is supplied with fused ignition voltage. The ground path is controlled by the PCM. When the PCM commands the solenoid OFF, a ground path is not provided and the filtered line pressure that is fed to the solenoid is exhausted. When the PCM commands the solenoid ON, a ground path is provided and the exhaust port is blocked, stopping the exhaust of line pressure.

The PCM identifies a 2-3 SS valve performance condition by monitoring the commanded gear versus the gear ratio. Refer to Shift Solenoid Valve State and Gear Ratio .

If the PCM detects a 4th gear ratio when 1st gear is commanded and a 3rd gear ratio when 2nd gear is commanded, then DTC P0756 sets. DTC P0756 is a type A DTC.

DTC Descriptor

This diagnostic procedure supports the following DTC:

DTC P0756 2-3 Shift Solenoid (SS) Valve Performance - No First or Second Gear

Conditions for Running the DTC

    • No VSS DTC P0502 or P0503.
    • No ISS DTC P0716 or P0717.
    • No TCC system stuck ON DTC P0742.
    • No 1-2 SS valve electrical DTC P0753.
    • No 2-3 SS valve electrical DTC P0758.
    • No TCC PWM solenoid valve DTC P2761.
    • The engine speed is greater than 500 RPM for 5 seconds and not in fuel cut off.
    • The transmission fluid temperature is between 20°C (68°F) and 130°C (266°F).
    • The TP angle is 10 percent or more.
    • The engine torque is 81-270 N·m (60-200 lb ft).
    • The transmission ISS is 150 RPM or more.
    • The time since the last range change is 1 second or more.

Conditions for Setting the DTC

The following conditions both occur twice in one trip:

Condition 1

The PCM commands 1st gear with the output speed 100 RPM or more and the gear ratio indicates 4th gear, 0.65:1 to 0.75:1, for 1 second.

Condition 2

The PCM commands 2nd gear with the output speed 300 RPM or more and the gear ratio indicates 3rd gear, 0.95:1 to 1.05:1, for 1 second.

Action Taken When the DTC Sets

    • The PCM illuminates the malfunction indicator lamp (MIL).
    • The PCM commands 3rd gear.
    • The PCM commands maximum line pressure.
    • The PCM freezes transmission adaptive functions.
    • The PCM records the operating conditions when the Conditions for Setting the DTC are met. The PCM stores this information as Freeze Frame and Failure Records.
    • The PCM stores DTC P0756 in PCM history.

Conditions for Clearing the MIL/DTC

    • The PCM turns OFF the MIL during the third consecutive trip in which the diagnostic test runs and passes.
    • A scan tool can clear the MIL/DTC.
    • The PCM clears the DTC from PCM history if the vehicle completes 40 warm-up cycles without an emission-related diagnostic fault occurring.
    • The PCM cancels the DTC default actions when the ignition switch is OFF long enough in order to power down the PCM.

Diagnostic Aids

If DTC P0756 is cleared, then will not reset when the vehicle is driven, some of the following conditions may exist:

    • Fluid contamination
    • Plugged fluid circuits
    • Restricted fluid circuits
    • An intermittent short to voltage in the signal circuit may also set this DTC

Test Description

The number below refers to the step number on the diagnostic table.

  1. This step confirms that the PCM commanded all the shifts, but all the shifts did not occur.

Step

Action

Value(s)

Yes

No

1

Did you perform the Diagnostic System Check - Vehicle?

--

Go to Step 2

Go to Diagnostic System Check - Vehicle

2

Did you perform the Transmission Fluid Checking Procedure?

--

Go to Step 3

Go to Transmission Fluid Check

3

  1. Install a scan tool.
  2. Turn ON the ignition with the engine OFF.
  3. Important: Before clearing the DTCs, use the scan tool in order to record the Freeze Frame and Failure Records for reference. Using the Clear DTC Information function will erase the stored Freeze Frame and Failure Records from the PCM.

  4. Record the Freeze Frame and Failure Records.
  5. Clear the DTCs.
  6. Notice: Do not operate the transmission continuously in an incorrect gear ratio. Internal transmission component damage may occur.

  7. Accelerate the vehicle in D4 range, ensuring that the PCM commands 1st, 2nd, 3rd and 4th gears.
  8. With the scan tool, observe Commanded Gear and Gear Ratio for each gear.

Did the gear ratios indicate a 4-3-3-4 shift pattern?

1st: 2.87:1 to 2.97:1

2nd: 1.52:1 to 1.62:1

3rd: 0.95:1 to 1.05:1

4th: 0.65:1 to 0.75:1

Go to Step 4

Go to Diagnostic Aids

4

  1. Turn OFF the ignition.
  2. Disconnect the AT inline 20-way harness connector. Additional DTCs may set.
  3. Install the J 44152 jumper harness on the engine side of the AT inline 20-way connector.
  4. Using the J 35616 GM terminal test kit, connect a test lamp between the ignition 1 voltage circuit and the 2-3 SS valve control circuits of the J 44152 . Refer to Automatic Transmission Inline 20-Way Connector End View .
  5. Turn ON the ignition with the engine OFF.
  6. Using a scan tool, command the 2-3 SS valve ON and OFF 3 times.

Does the test lamp turn ON and OFF?

--

Go to Step 6

Go to Step 5

5

Test the control circuit of the 2-3 SS valve for a short to voltage between the PCM and the AT inline 20-way connector.

Refer to Circuit Testing and Wiring Repairs .

Did you find and correct the condition?

 

Go to Step 13

Go to Step 12

6

  1. Install the J 44152 on the transmission side of the AT inline 20-way connector.
  2. Using a DMM, measure the resistance of the 2-3 SS valve between the ignition 1 voltage circuit and the 2-3 SS valve control circuits of the J 44152 . Refer to Automatic Transmission Inline 20-Way Connector End View .

Does the resistance measure within the specified range?

19-31 ohms

Go to Step 7

Go to Step 8

7

Measure the resistance from the 2-3 SS valve control circuit and all other terminals of the A/T inline 20-way connector.

Refer to Testing for Continuity .

Did you find a condition?

10 Kohms

Go to Step 10

Go to Step 11

8

  1. Disconnect the harness from the 2-3 SS valve.
  2. Measure the resistance of the solenoid.

Is the resistance within the specified range?

19-31 ohms

Go to Step 10

Go to Step 9

9

Replace the 2-3 SS valve.

Refer to 2-3 Shift Solenoid Valve Replacement .

Did you complete the replacement?

--

Go to Step 13

--

10

Replace the AT wiring harness assembly.

Refer to Wiring Harness Replacement .

Did you complete the replacement?

--

Go to Step 13

--

11

Inspect the 2-3 shift solenoid valve/hydraulic circuit for the following conditions:

    • The 2-3 shift solenoid mechanically stuck OFF
    • A stuck or binding 2-3 shift valve
    • Damaged seals on the shift solenoid valve

Refer to:

    •  Control Valve Body Disassemble in Transmission Unit Repair Manual

Did you find and correct the condition?

--

Go to Step 13

--

12

Replace the PCM.

Refer to Control Module References for replacement, setup and programming.

Did you complete the replacement?

--

Go to Step 13

--

13

Perform the following procedure in order to verify the repair:

  1. Select DTC.
  2. Select Clear DTC Information.
  3. Operate the vehicle under the following conditions:
  4. • Drive the vehicle in D4.
    • TP angle must be 10 percent or greater.
    • The transmission temperature is 20-130°C (68-266°F).
    • The engine torque is 27-270 N·m (20-200 lb ft).
    • Ensure that the gear ratios are as specified for 1st and 2nd gear.
  5. Select Specific DTC.
  6. Enter DTC P0756.

Has the test run and passed?

1st: 2.87:1 to 2.97:1

2nd: 1.52:1 to 1.62:1

3rd: 0.95:1 to 1.05:1

4th: 0.65:1 to 0.75:1

Go to Step 14

Go to Step 2

14

With a scan tool, observe the stored information, capture info and DTC info.

Does the scan tool display any DTCs that you have not diagnosed?

--

Go to Diagnostic Trouble Code (DTC) List - Vehicle

System OK