GM Service Manual Online
For 1990-2009 cars only
Makes
🢒
Buick
🢒
2006
🢒
Lucerne
🢒
Transmission/Transaxle
🢒
Automatic Transaxle - 4T65-E
🢒 Automatic Transmission Controls Schematics
Figure
1:
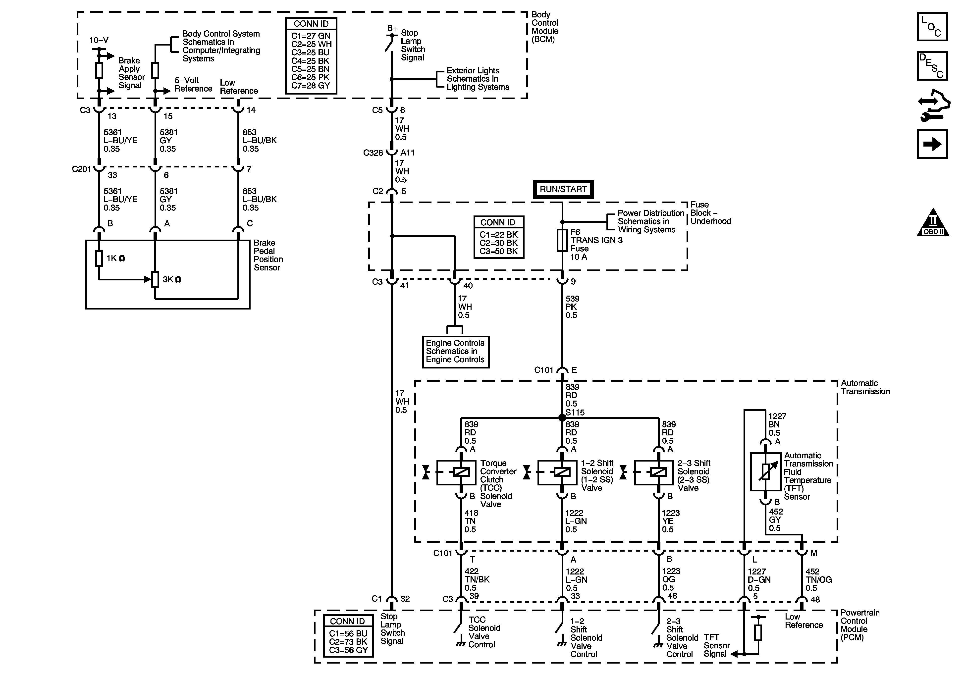
Stop Lamp Signal, TFT Sensor and TCC, Shift Solenoids
Master Electrical Component List
Electronic Component Description
Control Module References
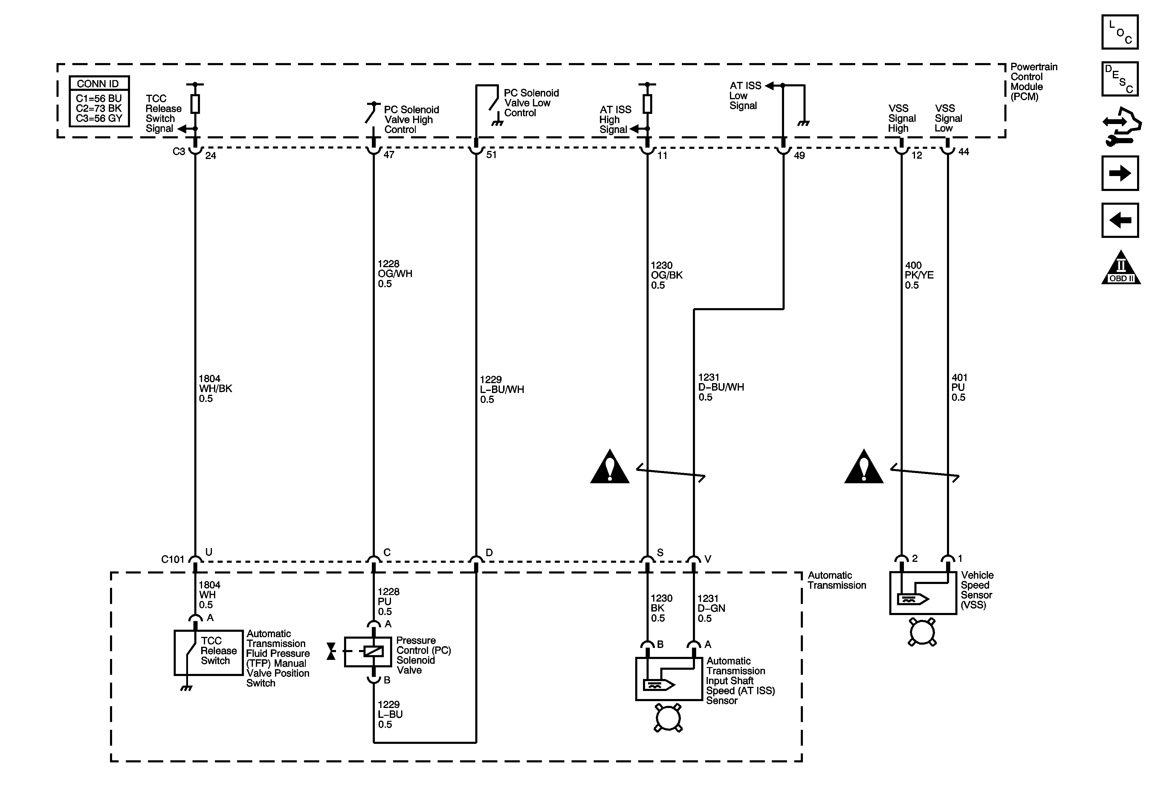
VSS and AT ISS Sensors, Pressure Control Solenoid Valve, and TCC Release Switch
Automatic Transmission Schematic Icons
BCM Inputs and Outputs, 1 of 4
Rear Stop/Turn Signal Lamps
Underhood Fuse Block B+
Engine Data Sensors, APP and TAC
Figure
2:
VSS and AT ISS Sensors, Pressure Control Solenoid Valve, and TCC Release Switch
Master Electrical Component List
Electronic Component Description
Control Module References
Transmission Internal Mode Switch (IMS)
Stop Lamp Signal, TFT Sensor and TCC, Shift Solenoids
Automatic Transmission Schematic Icons
Automatic Transmission Schematic Icons
Automatic Transmission Schematic Icons
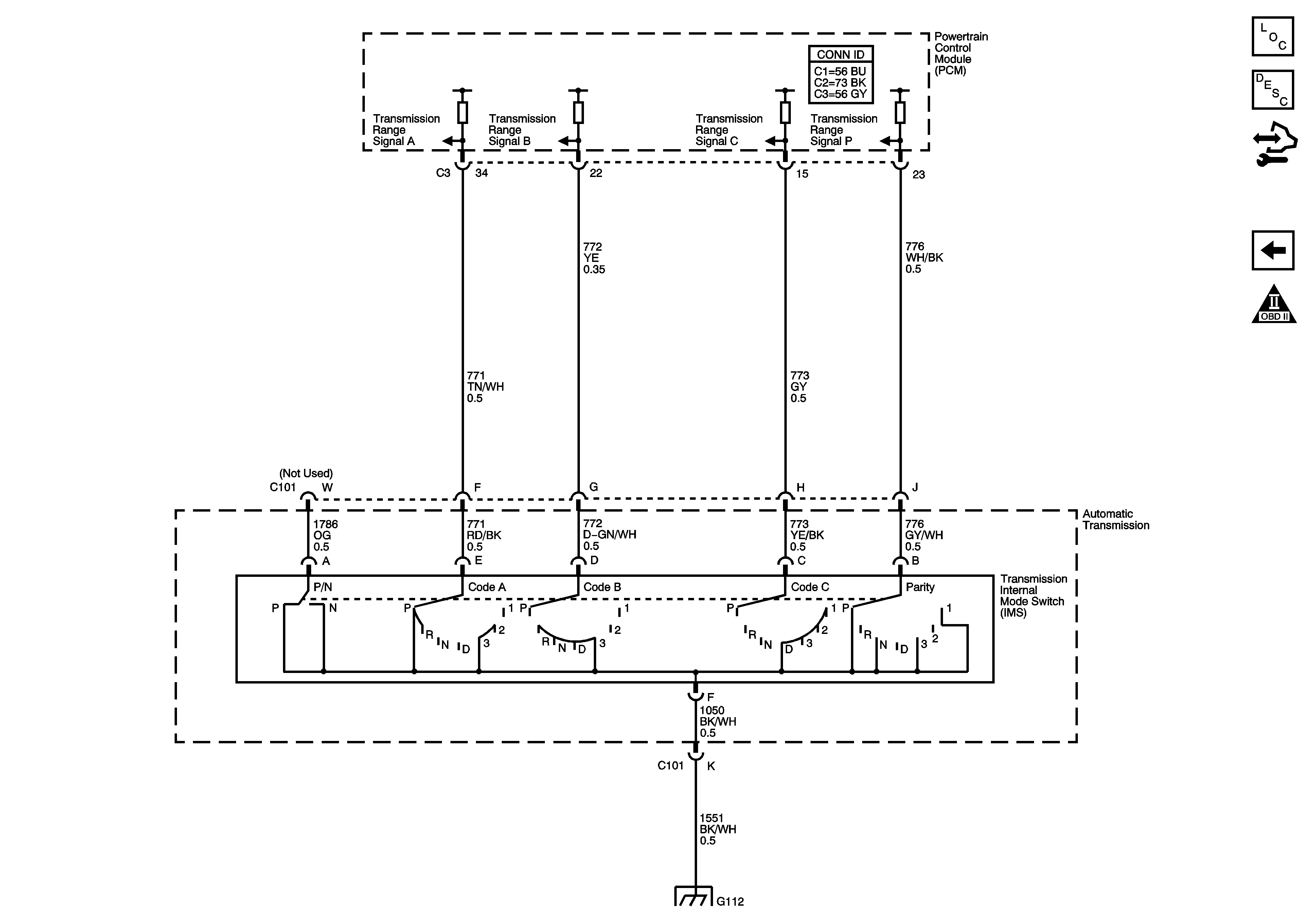
Figure
3:
Transmission Internal Mode Switch (IMS)
Master Electrical Component List
Electronic Component Description
Control Module References
VSS and AT ISS Sensors, Pressure Control Solenoid Valve, and TCC Release Switch
Automatic Transmission Schematic Icons
G112 (L26)