GM Service Manual Online
For 1990-2009 cars only
Makes
🢒
Buick
🢒
2006
🢒
Lucerne
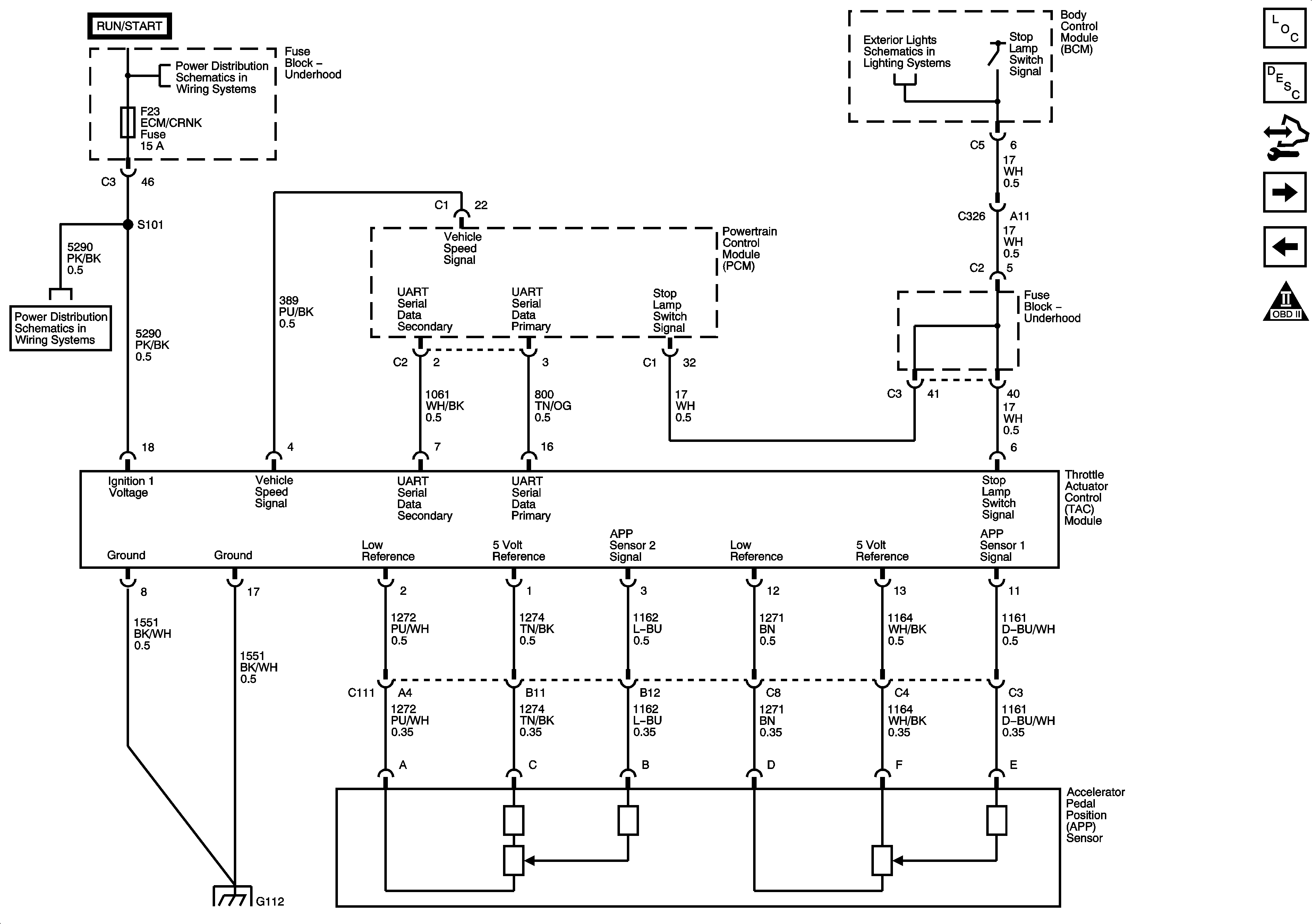
🢒 Engine Data Sensors, APP and TAC
Engine Data Sensors, APP and TAC
Engine Data Sensors, APP and TAC
Master Electrical Component List
Throttle Actuator Control (TAC) System Description
Control Module References
Ignition Controls, CKP, CMP, Knock Sensors
Engine Data Sensors, HO2S
Engine Controls Schematic Icons
Underhood Fuse Block B+
Rear Stop/Turn Signal Lamps
PWR/TRAIN, AIR PUMP, AIR/SOL Relays, ECM/CRNK, INJ/COIL, PWR TRN, AIR PUMP, AIR/SOL Fuses
G112 (L26)