GM Service Manual Online
For 1990-2009 cars only
Makes
🢒
Buick
🢒
2006
🢒
Lucerne
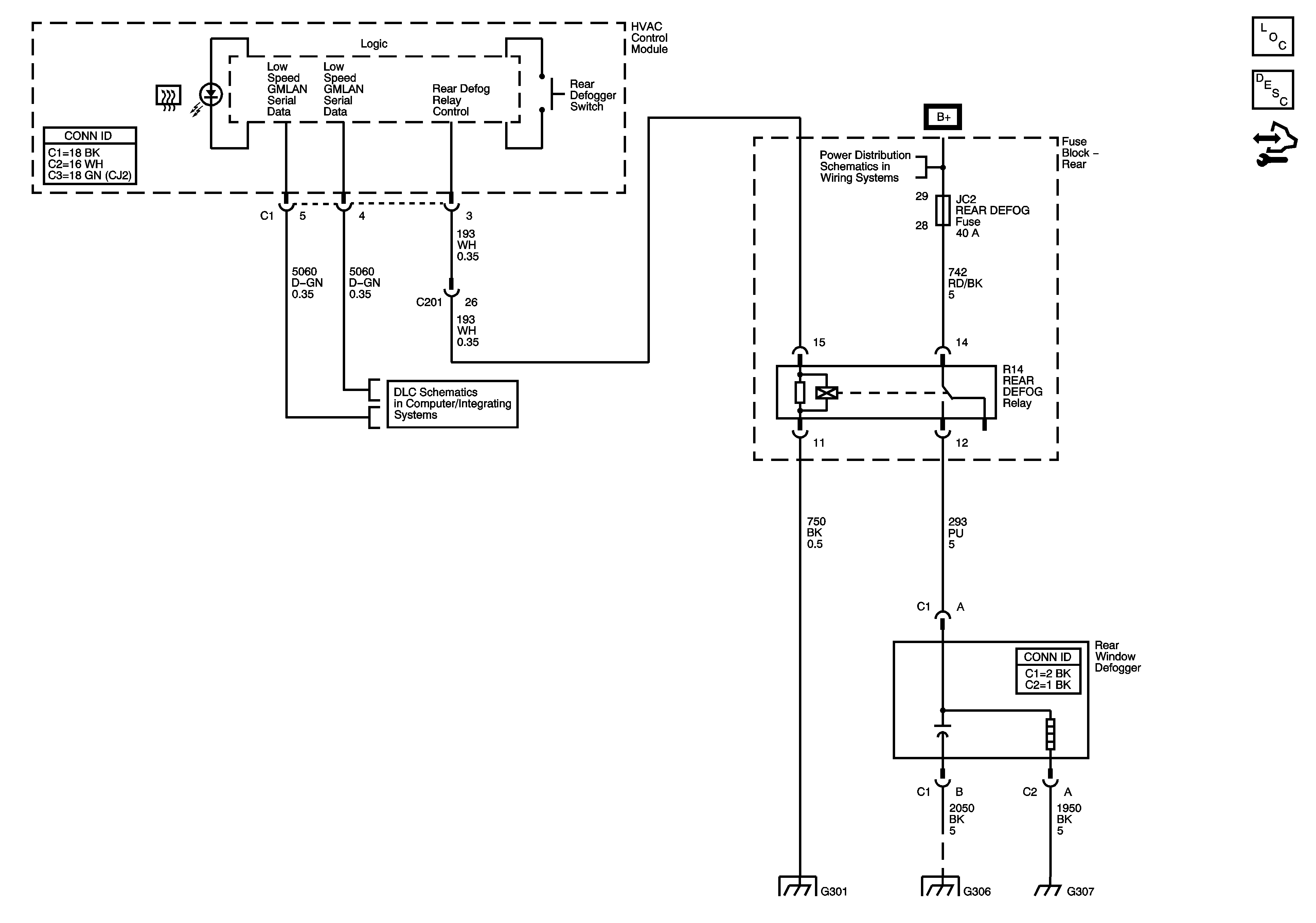
🢒 Defogger Schematics
Defogger Schematics
Master Electrical Component List
Rear Window Defogger Description and Operation
Control Module References
Rear Fuse Block B+
Power, Ground, and Low Speed GMLAN
G301
G101, G110, G111, G114, G115, G302, G303, G306, G307