GM Service Manual Online
For 1990-2009 cars only
Makes
🢒
Buick
🢒
2006
🢒
Lucerne
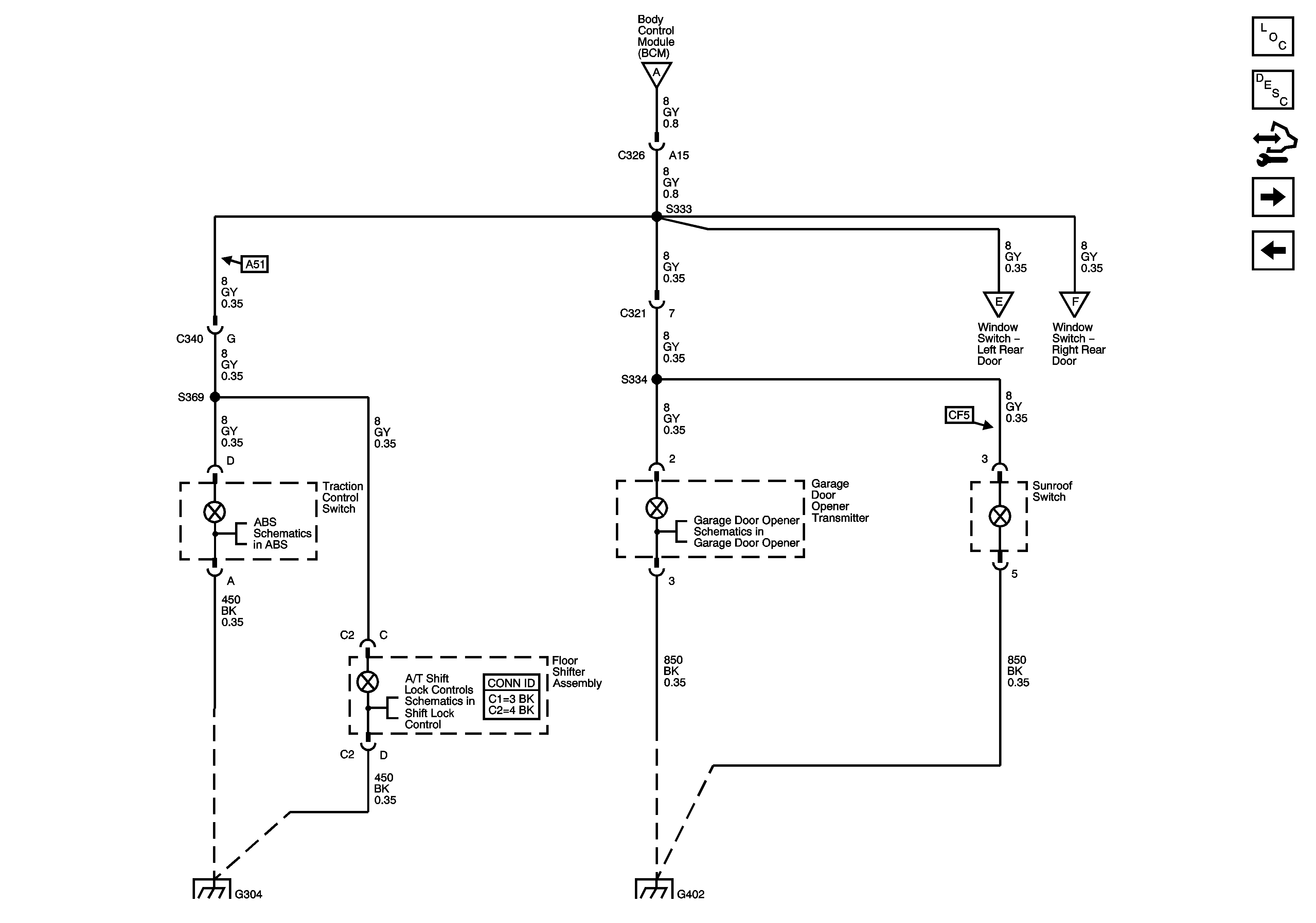
🢒 Traction Control, Sunroof Switches, Reverse Lockout Solenoid, Garage Door Opener
Traction Control, Sunroof Switches, Reverse Lockout Solenoid, Garage Door Opener
Traction Control, Sunroof Switches, Reverse Lockout Solenoid, Garage Door Opener
Master Electrical Component List
Interior Lighting Systems Description and Operation
Control Module References
Window Switches
Hazard, Headlamp, Driver Information Display Switches, Ashtray, HVAC Control Module, Radio
Hazard, Headlamp, Driver Information Display Switches, Ashtray, HVAC Control Module, Radio
Window Switches
Window Switches
Brake Pedal Position, Traction Control Switch, Data Link Communications
Garage Door Opener Schematics
Shift Lock Control Schematics
G304
G402