GM Service Manual Online
For 1990-2009 cars only
Makes
🢒
Buick
🢒
2006
🢒
Lucerne
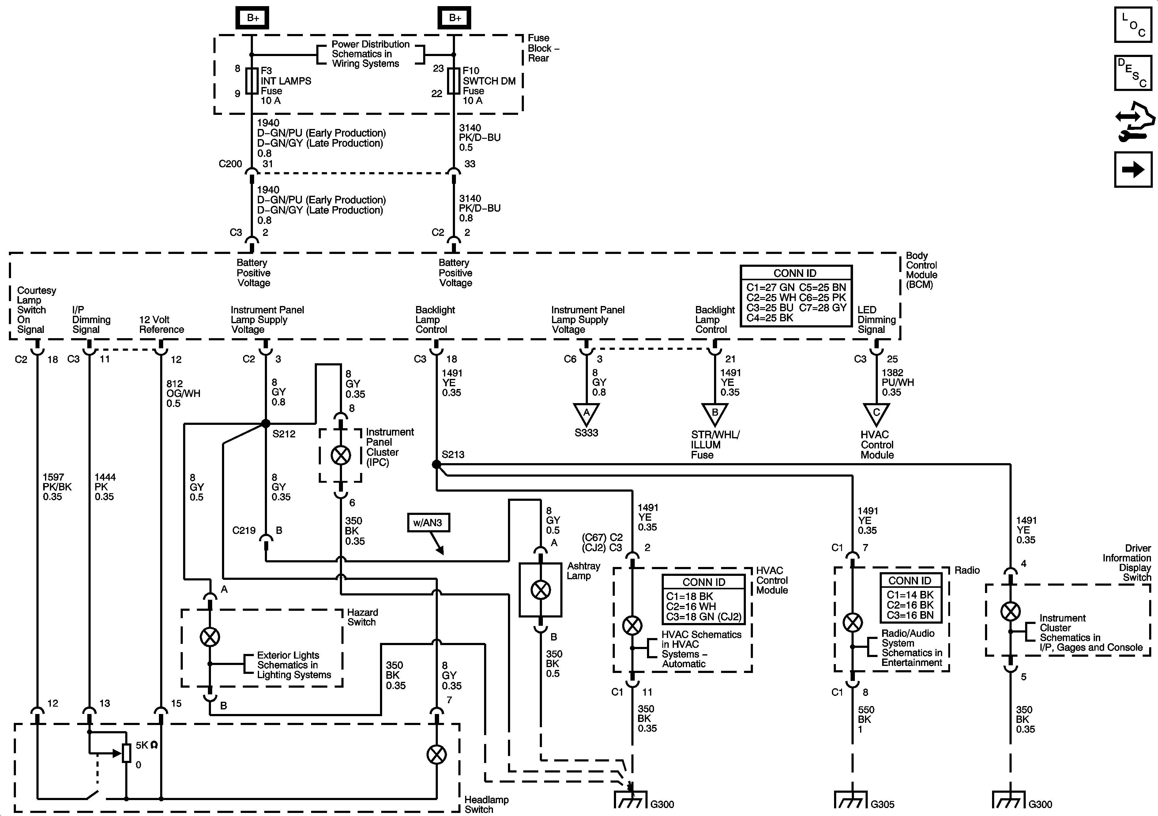
🢒 Hazard, Headlamp, Driver Information Display Switches, Ashtray, HVAC Control Module, Radio
Hazard, Headlamp, Driver Information Display Switches, Ashtray, HVAC Control Module, Radio
Hazard, Headlamp, Driver Information Display Switches, Ashtray, HVAC Control Module, Radio
Master Electrical Component List
Interior Lighting Systems Description and Operation
Control Module References
Traction Control, Sunroof Switches, Reverse Lockout Solenoid, Garage Door Opener
Rear Fuse Block B+
Traction Control, Sunroof Switches, Reverse Lockout Solenoid, Garage Door Opener
HVAC Control Module, Steering Wheel Switches
HVAC Control Module, Steering Wheel Switches
Front Turn Signal/Hazard Lamps
Power, Ground, Blower Motor Control
Radio Power and Ground
Inflatable Restraint Indicator and Driver Information Display
G300
G305
G300