GM Service Manual Online
For 1990-2009 cars only
Makes
🢒
Buick
🢒
2006
🢒
Lucerne
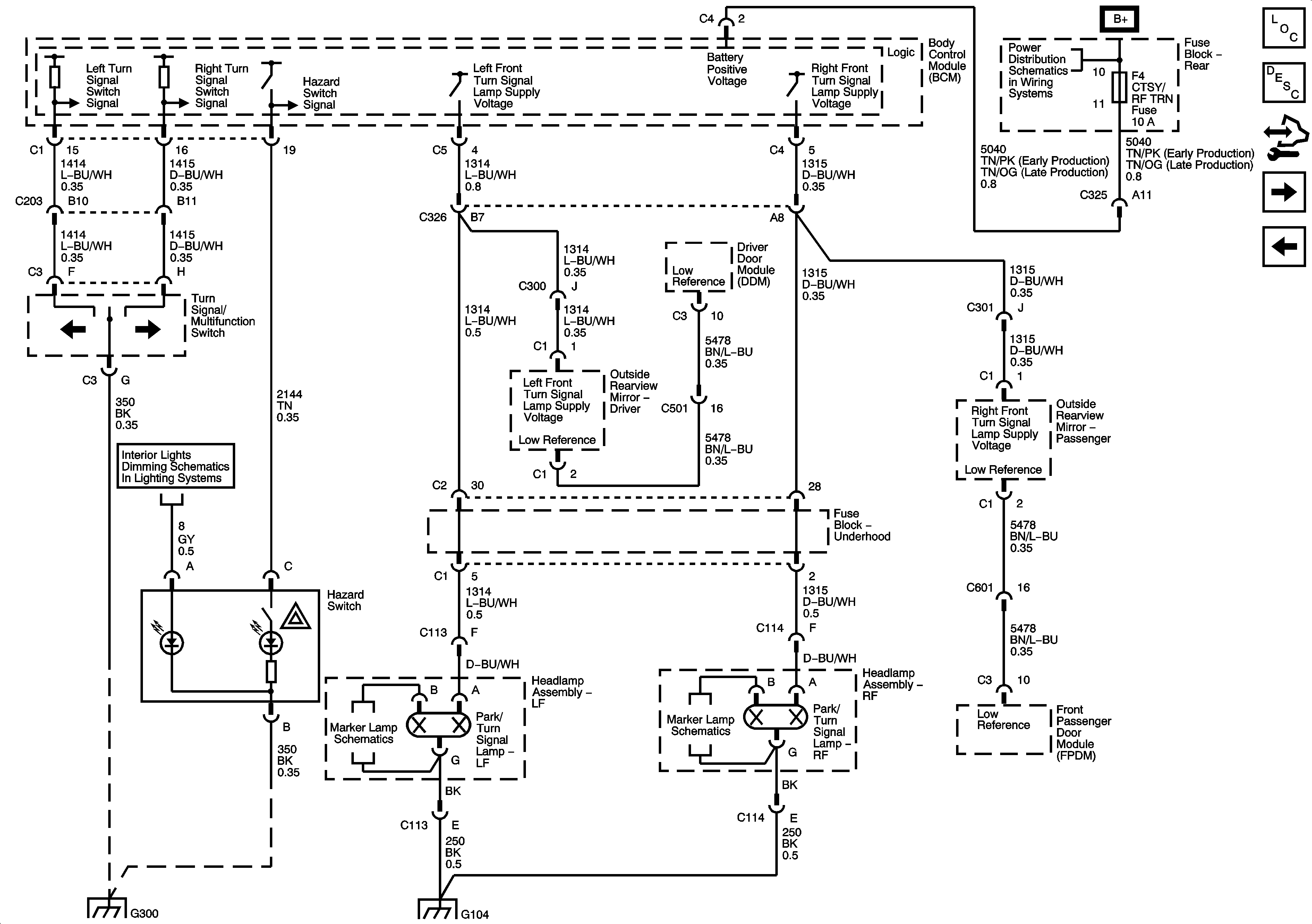
🢒 Front Turn Signal/Hazard Lamps
Front Turn Signal/Hazard Lamps
Front Turn Signal/Hazard Lamps
Master Electrical Component List
Exterior Lighting Systems Description and Operation
Control Module References
Cornering Lamps
Front Park, Marker Lamps
Hazard, Headlamp, Driver Information Display Switches, Ashtray, HVAC Control Module, Radio
Front Park, Marker Lamps
Front Park, Marker Lamps
G300
G104