GM Service Manual Online
For 1990-2009 cars only
Makes
🢒
Buick
🢒
2006
🢒
Lucerne
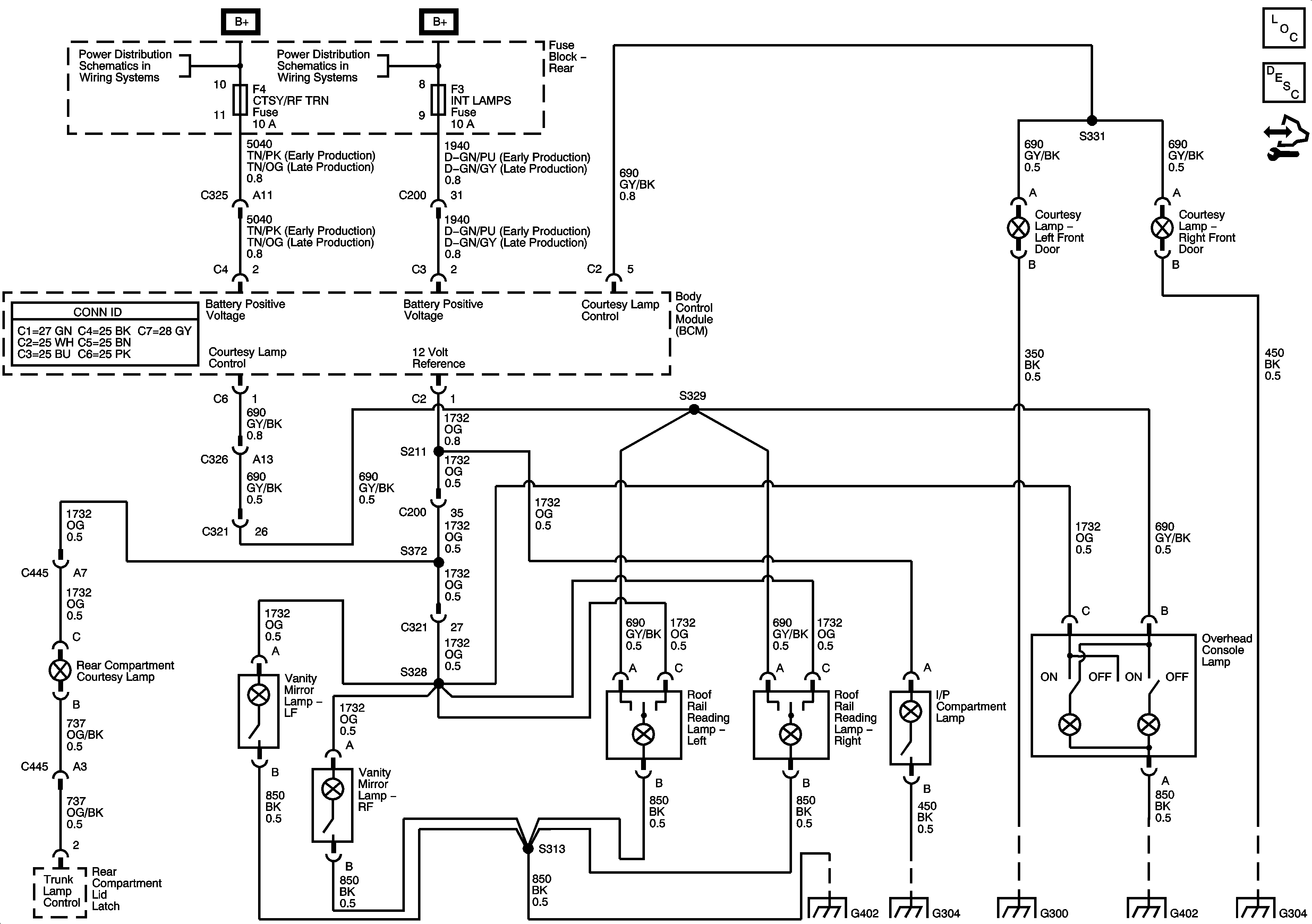
🢒 Vanity Mirror, Rear Compartment Courtesy, I/P Compartment, Overhead Console Lamps
Vanity Mirror, Rear Compartment Courtesy, I/P Compartment, Overhead Console Lamps
Master Electrical Component List
Interior Lighting Systems Description and Operation
Control Module References
Rear Fuse Block B+
Rear Fuse Block B+
G402
G304
G300
G402
G304