GM Service Manual Online
For 1990-2009 cars only
Makes
🢒
Buick
🢒
2006
🢒
Lucerne
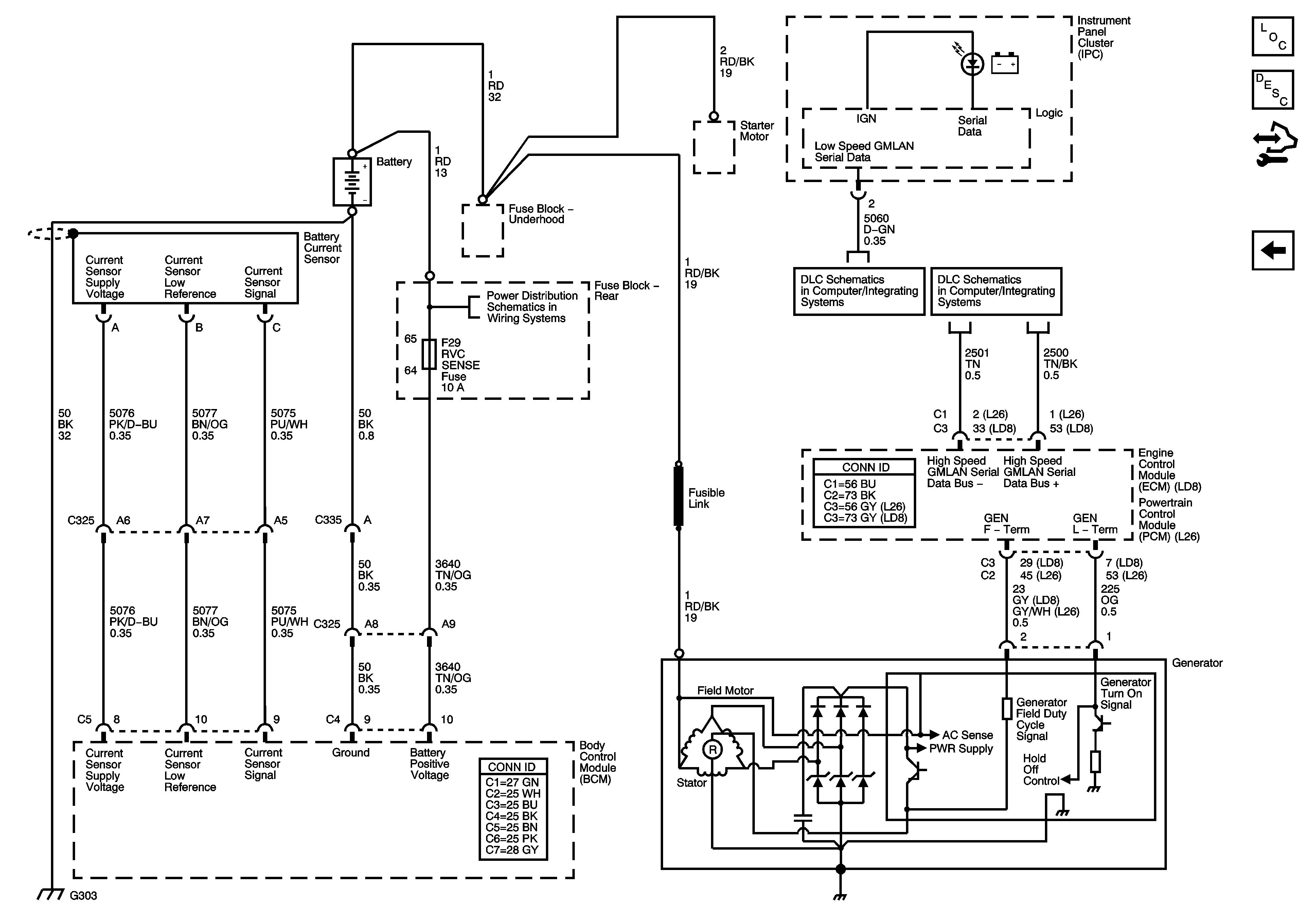
🢒 Charging
Charging
Charging
Master Electrical Component List
Charging System Description and Operation
Control Module References
Starting 2 of 2
TRUNK RELSE Relay, AUX PWR, AUX PWR, CNSTR VENT, RVC SENSE, ELC MDL, MRTD MDL, TRUNK RELSE Fuses
Power, Ground, and Low Speed GMLAN
High Speed Serial Data
G101, G110, G111, G114, G115, G302, G303, G306, G307